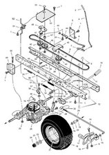
40 murray 42 mower deck belt diagram
There are (2) parts used by this model. Found on Diagram: 42" Mower Deck - Clutch Group (2987465) 1729007SM. SPACER 0.387IDX1.50. $9.44. Options. Add to Cart. Found on Diagram: 42" Mower Deck - Housing, Arbors & Blades Group (2989450) 0166X4MA. Types of Belts Murray lawn tractors use. In general, Murray lawn tractors need to use two types of belts for riding. One is a transmission belt, and the second one is a mowing deck drive belt. Both of them help the mower to work properly with their blades. Some precautions to take before exchanging the belts
Belt diagram murray 17 hp 42 inch belt [ 4 Answers ] I boke the primary belt on my murray 17 hp 42 inch mower and I can't seem to remember how it went on,please help.:o Can anyone show me a diagram of how to replace the drive belt on a 42 inch deck on a [ 2 Answers ]

Murray 42 mower deck belt diagram
Murray EMT H 15 5HP 42" Murray Lawn Tractor 2012 Parts Diagrams. mower deck blade belt falls off when disengaging you need to print out a illustrated parts diagram and take it out to your mower and see what is missing or bent like belt keepers. Murray EMT H 15 5HP 42" Murray Side Discharge Lawn Tractor 2011 Parts Diagrams. What is the belt diagram for a 42 inch Murray riding mower? How in the heck do you get an answer to the question? This is so dumb. All this site does is send you to another site. Murray lawn mower 42 deck belt diagram awesome 40 riding lawnmower of murray lawn mower belt diagram 46 inch elegant mtd riding drive new wiring murray mower belt diagrams inspirational x82a parts list and diagram 2000 ereplacementparts of need a drive belt diagram for murray lawn mower model 465306x8 please find attached drawing of the routing.
Murray 42 mower deck belt diagram. MTD 13AM77LS058 (2012) M15542 (2012) Mower Deck 42-Inch Parts Diagram. SOURCE: need a drive belt diagram for a murray lawn mower. Please find attached a "amateur" drawing of the belt routing for the 37x89MA primary deck drive ... Murray 42 inch riding mower drive belt diagram. Looks like a 2008 model. Belt diagram 42 murray riding mower. On sears tractors the drive belt routing is under the foot rest. This is so dumb. If you happen to own a murray riding mower with a 42 inch cutting deck you enjoy two blades of grass cutting power stuffed under that moderate sized deck. Make a mental note or a drawling of the pulleys on the mower deck and the belt routing around the pulleys. Disengage the mower blades with the PTO lever on the ...
I have a 2002 Murray Riding Lawnmower 17 HP 42". I broke a belt and do not know how to put the new one back on. I need a belt diagram for the two belts at the top of the mower, not the deck with the one long belt. The model # 425303x92. I tried to put it back on and no luck. Any help will be much appreciated. 800-985-0178. Need a Murray Automatic Drive 17 HP 42" Belt Diagram [ 8 Answers ] I need help bad! I have a 2002 Murray Riding Lawnmower 17 HP 42". I broke a belt and do not know how to put the new one back on. I need a belt diagram for the two belts at the top of the mower, not the deck with the one long belt. Mower Deck 42-Inch diagram and repair parts lookup for Murray M 15542 - Murray 42" Riding Mower (2012) Order Status Customer Support 512-288-4355 My Account Login to your PartsTree.com to view your saved list of equipment. Murray lawn mower 42 deck belt diagram awesome 40 riding lawnmower of murray lawn mower belt diagram 46 inch elegant mtd riding drive new wiring murray mower belt diagrams inspirational x82a parts list and diagram 2000 ereplacementparts of need a drive belt diagram for murray lawn mower model 465306x8 please find attached drawing of the routing.
What is the belt diagram for a 42 inch Murray riding mower? How in the heck do you get an answer to the question? This is so dumb. All this site does is send you to another site. Murray EMT H 15 5HP 42" Murray Lawn Tractor 2012 Parts Diagrams. mower deck blade belt falls off when disengaging you need to print out a illustrated parts diagram and take it out to your mower and see what is missing or bent like belt keepers. Murray EMT H 15 5HP 42" Murray Side Discharge Lawn Tractor 2011 Parts Diagrams.
I Have Murray Lawn Tractor 1996 Model 42910x92a It S Been Good The Spring For The Tensioner Of Motion Drive Belt Broke
I Have A Murray 42 Riding Mower Model 425303x92a With A Mfg Date Of 02050 Is There A Parts Manual Or Schematic
Craftsman 46 Mower Deck Belt Diagram Belt Craftsman Deck Diagram Lawnmowersketch Mowe Craftsman Riding Lawn Mower Riding Lawn Mowers Diagram
954 04060b Deck Belt Replacement For Yard Machines 13b2775s000 2016 Lawn Tractor Compatible With 754 04060 42 Inch Deck Drive Belt Walmart Com
0 Response to "40 murray 42 mower deck belt diagram"
Post a Comment