Iklan 300x250

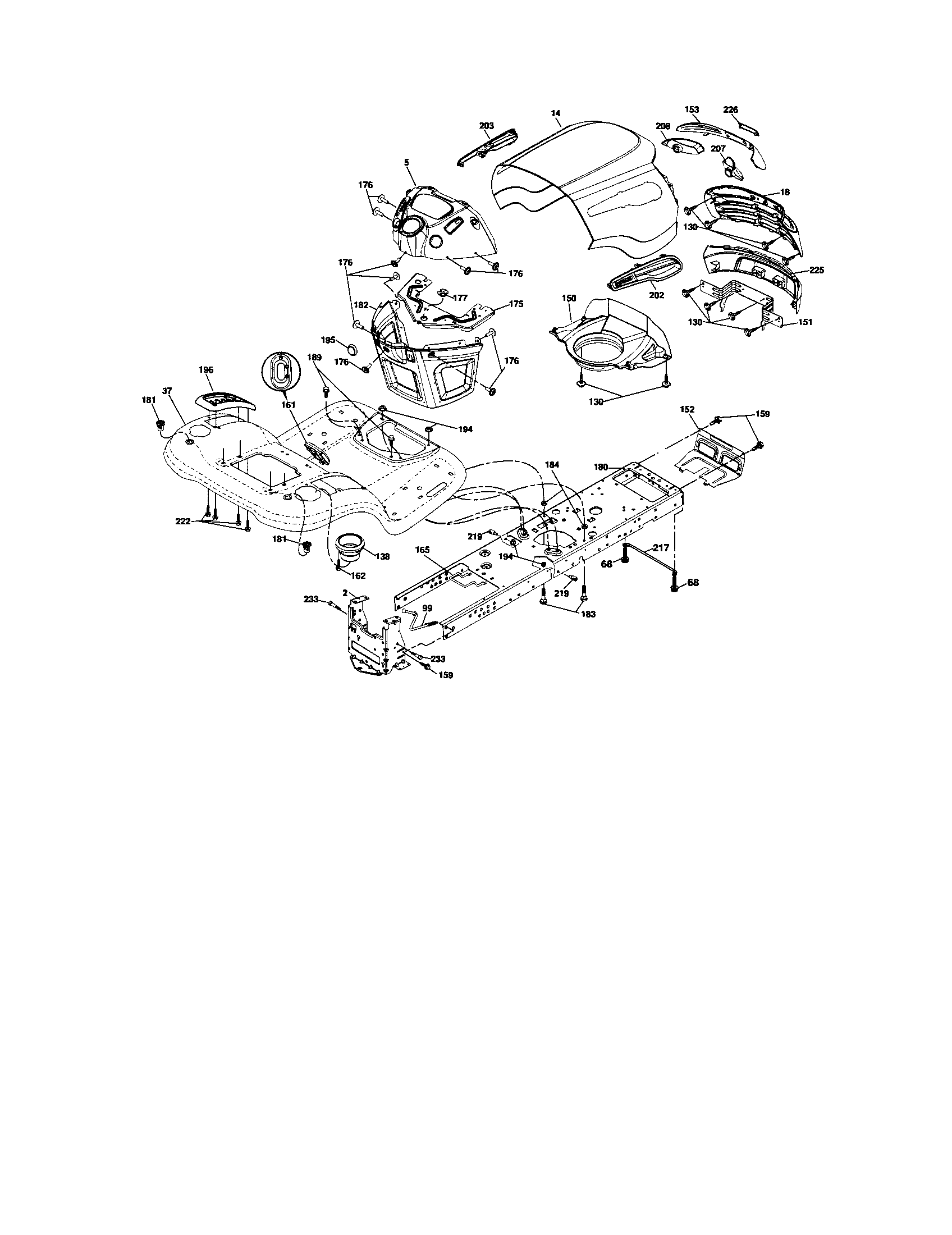
37 mtd lawn tractor parts diagram

Parts Lookup and OEM Diagrams | PartsTree MTD Lawn Tractor parts that fit, straight from the manufacturer. Use our interactive diagrams, accessories, and expert repair help to fix your MTD Lawn Tractor . 877-346-4814. Departments Accessories Appliance Parts Exercise ... MTD 13AN771H729 (2007) Drive Exploded View parts lookup by model. Complete exploded views of all the major manufacturers. It is EASY and FREE

MTD 136C471F190 Lawn Tractor L-12 (1996) Switches And Lights Wiring Diagram Exploded View parts lookup by model. Complete exploded views of all the major manufacturers. It is EASY and FREE

Mtd lawn tractor parts diagram

Mtd lawn tractor parts diagram

Description : Mtd 131-662F118/swc#28217 Parts List And Diagram - (12.5/38 intended for Yardman Lawn Mower Parts Diagram, image size 590 X 808 px. Description : Yard Machine Riding Lawn Mower Wiring Diagram - The Wiring Diagram with Yardman Lawn Mower Parts Diagram, image size 612 X 792 px. Requires 42" Lawn Tractors and RZT Mowers, 1997 and after THIS PART REPLACES: MTD 742-04308; MTD 742-04308-X; MTD 942-04308; and others; THIS PART FITS: Troy-Bilt, MTD, MTD Gold, Bolens, White Outdoor, Yard Machines, Yard Man and Huskee lawn tractors. and other models; Blades sold individually. MTD repair parts and parts diagrams for MTD 130-652F000 - MTD Lawn Tractor (1990)

Mtd lawn tractor parts diagram. MTD Lawn Tractor 1987 parts that fit, straight from the manufacturer. Use our interactive diagrams, accessories, and expert repair help to fix your MTD Lawn Tractor 1987 . 877-346-4814. Departments Accessories Appliance Parts Exercise ... Parts orders filled and shipped by authorized stocking dealers located across Canada and the USA. MTD - Modern Tool and Die Lawn and Gardern Equipment Lawn Tractors, Garden Tractors, Electric Mowers, Walk-Behind Mowers, Self-Propelled Mowers and Snow Throwers Tillers, Snow Throwers, Log Splitters, Edgers and Trimmers Electric Blowers, Electric ... MTD Lawn Tractor parts that fit, straight from the manufacturer. Use our interactive diagrams, accessories, and expert repair help to fix your MTD Lawn Tractor . 877-346-4814. Departments Accessories Appliance Parts Exercise ... MTD 3650002 front-engine lawn tractor parts - manufacturer-approved parts for a proper fit every time! We also have installation guides, diagrams and manuals to help you along the way!

MTD Lawn & Garden Tractors Parts Lookup & Diagrams MTD Lawn & Garden Tractors ( 2967 Models ) 02296 (139-622-105) - MTD Legacy Lawn Tractor (1989) (American Hardware) MTD Yard Machines Gas Fuel Tank 751-0555B_751-0603 $ 22.00 Add to cart MTD Yard Machines Muffler Shield 783-0615B $ 26.00 Add to cart MTD Yard Machines Deck Rod 747-04018_947-04018A MTD - Modern Tool and Die Lawn and Gardern Equipment Lawn Tractors, Garden Tractors, Electric Mowers, Walk-Behind Mowers, Self-Propelled Mowers and Snow Throwers Tillers, Snow Throwers, Log Splitters, Edgers and Trimmers Electric Blowers, Electric Chainsaws, Electric Trimmers, Gas Blowers, Gas Chainsaws, Gas Trimmers, Pole Saws and Shredders Deck diagram and repair parts lookup for Craftsman T 310 (CMXGRAM1130047) (13AQA2ZW093) - Craftsman Lawn Tractor (2020) The Right Parts, Shipped Fast! Order Status

Murray 387002x92a Lawn Tractor 2004 Parts Diagrams. Briggs Amp Stratton Yard Power Formerly Murray Del 26072018021742 7800409 Elt125380 12 5hp 38 Gear Drive Lawn Tractor 2009 Wiring Schematic Hydro. Small Engines Basic Tractor Wiring Diagram. Solved Murray Mower Will Not Start Riding Ifixit. MTD 660 THRU 679 front-engine lawn tractor parts - manufacturer-approved parts for a proper fit every time! We also have installation guides, diagrams and manuals to help you along the way! MTD parts and MTD parts diagrams MTD and the MTD logo ® MTD Products Inc, Cleve., OH USA. MTD outdoor power equipment has earned a reputation of affordable quality. We carry the complete line of genuine MTD parts for all MTD machines including lawnmowers, snowblowers, trimmers, tractors and more. Lawn maintenance is easier with MTD lawn tractors. They allow you to haul equipment, soil, tools and more around your yard. Genuine MTD lawn tractor parts can help you maintain your outdoor power equipment long-term. Find riding lawn mower blades, belts, cables and more to repair your unit as needed. 911 Results.

Shop for MTD 3RD PARTY - TRACTOR repair parts for model 13AMF at Sears PartsDirect. Find parts, manuals & diagrams for any MTD Lawn, Tractor. Find great deals on eBay for parts lawn mower.>80% Items Are New · World's Largest Selection · Huge Savings · We Have EverythingCategories: Yard, Garden & Outdoor Living, Lawn Mowers, Other Lawn Mowers ...

OEM MTD Parts Search We are an Authorized MTD Dealer carrying a large selection of MTD Illustrated Parts Lists. If you do not see the MTD Lawn Mower Parts you need, please complete the Lawn Mower Parts Request Form and we will be happy to assist you.

Mtd Model 132-431F088 Lawn, Tractor Genuine Parts - Mtd Riding Lawn Mower Wiring Diagram Wiring Diagram consists of numerous detailed illustrations that present the link of varied things. It includes guidelines and diagrams for different varieties of wiring techniques and other items like lights, home windows, and so forth.

Huskee Lawn Tractor Parts Diagram Mower Deck countries, allowing you to acquire the most less latency times to download any of our books later than this one. Merely said, the huskee lawn tractor parts diagram mower deck is universally Page 5/50

Find genuine MTD oem parts for your lawn and outdoor equipment! ... of our popular links to find parts for your equipment. Part Finder; Shop Parts; Diagrams ...

Parts lookup for MTD power equipment is simpler than ever. Enter your model number in the search box above or just choose from the list below.

Apr 25, 2020 - Deck Lift & Hanger Assembly diagram and repair parts lookup for MTD 13AH660F033 - MTD Lawn Tractor (2000) (Ace Hardware)

Description: Mtd 12A-568Q118 Parts List And Diagram - (2003 pertaining to Mtd Lawn Tractor Parts Diagram, image size 590 X 653 px, and to view image details please click the image.. Actually, we have been remarked that mtd lawn tractor parts diagram is being just about the most popular subject right now. So we attempted to obtain some great mtd lawn tractor parts diagram graphic to suit your ...

Lookup Parts by Diagram. Find the replacement parts you need to keep your lawn mower, snow blower and other outdoor power equipment performing strong and ...

Preparing your Lawn Mower for Winter Storage . As summer comes to an end, it's time to think about storing your lawn mower for the winter. Proper lawn mower storage will help ensure that your push or riding mower will be ready to go next spring and help extend its overall life. Here are some easy-to-follow lawn mower maintenance tips. Read More

mtd 13at604g755 parts list and diagram 2004 need to fix your 13at604g755 2004 42" riding lawn mower we have parts diagrams accessories and repair advice to make your tool repairs easy. Wiring Diagram for Yardman Riding Mower Inspirationa Mtd Riding Lawn Yard Machine 42 Inch Riding. mojack all mower spares all mower spares stock a wide range of ...

Com Mr Mower Parts Ayp 42 Deck Rebuild Kit For Sears. 26 Best 42 Inch Craftsman Deck Images In 2020 Mower. Vz 7701 Craftsman Mower Deck Diagram Lawn. Sears Craftsman 21 Hp Lt1000 Lawn Mower Tractor 917 273522 Owner. Craftsman 25587 42 19 Hp Briggs Stratton Fender Hydro Automatic.

MTD 13-Lawn Tractors Exploded View parts lookup by model. Complete exploded views of all the major manufacturers. It is EASY and FREE

Tractor Parts For Most Brands. Search our huge database of Tractor parts. M&D stocks thousands of OEM and aftermarket parts for most brands of Lawn and Garden Tractors. We know that you rely on your tactor for mowing, towing, tilling, pulling and many other tasks, and we'll quickly ship the parts you need right to your door,

134X694G401 - Yard-Man Lawn Tractor (1994) 135D614G401 - Yard-Man Lawn Tractor (1995) 135N604F401 - Yard-Man Lawn Tractor (1995) 135V694H401 - Yard-Man Lawn Tractor (1995) 135X694G401 - Yard-Man Lawn Tractor (1995) Next 10. This model has more than one variation. Select one:

The best way to find parts for Mtd Gold lawn tractor model 13AX795S004 / 2011 is by clicking one of the diagrams below. You can also browse the most common parts for Mtd Gold lawn tractor model 13AX795S004 / 2011.

MTD repair parts and parts diagrams for MTD 130-652F000 - MTD Lawn Tractor (1990)

Requires 42" Lawn Tractors and RZT Mowers, 1997 and after THIS PART REPLACES: MTD 742-04308; MTD 742-04308-X; MTD 942-04308; and others; THIS PART FITS: Troy-Bilt, MTD, MTD Gold, Bolens, White Outdoor, Yard Machines, Yard Man and Huskee lawn tractors. and other models; Blades sold individually.

Description : Mtd 131-662F118/swc#28217 Parts List And Diagram - (12.5/38 intended for Yardman Lawn Mower Parts Diagram, image size 590 X 808 px. Description : Yard Machine Riding Lawn Mower Wiring Diagram - The Wiring Diagram with Yardman Lawn Mower Parts Diagram, image size 612 X 792 px.

0 Response to "37 mtd lawn tractor parts diagram"

Post a Comment

Iklan Atas Artikel

Iklan Tengah Artikel 1

Iklan Tengah Artikel 2

Iklan Bawah Artikel