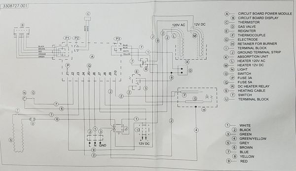
40 dometic comfort control center 2 wiring diagram
The Dometic Multi-Zone Comfort Control Center Thermostat can control your Dometic heating and cooling appliances. $150.39. Find a dealer. Art nr: 9108698985. Features. Digital display - modern design and user-friendly. Zoned climate control. Low profile bluelight display. Specifications. General Electrical Additional Logistics. 3109228.001 Comfort Control Center For 630035/630515/630516 USA SERVICE OFFICE Dometic Corporation 2320 Industrial Parkway Elkhart, IN 46516 574-294-2511 CANADA Dometic Distribution 866 Langs Drive Cambridge, Ontario CANADA N3H 2N7 519-653-4390 For Service Center ... 2 WIRING DIAGRAM FOR MODELS 630025.331(X) 9 PIN CONN9PIN CONN 6 5 4 3 2 1 RUN ...
the most advanced RV thermostat. Your Dometic Comfort Control Center 2 thermo-stat (hereinafter referred to as the CCC 2 thermostat) has been designed for ease of operation and for many years of reliable service. Features • Liquid Crystal Display • 2 operation programs • Outdoor temperature sensing (select models)

Dometic comfort control center 2 wiring diagram
Dometic Control Center 2 Thermostat Wiring Diagrams Instructions. I Need The Connection Schematic Or Wiring For A Duo Therm Model 54615 035 3 Ser 7545 Rv Air Conditioner. Installation Instructions For Dometic Family Rv A Cs. Diagnostic Service Manual Roof Top Ac Hp Systems Troubleshooting Manualzz. Madcomics Dometic Analog Thermostat Wiring ... Dometic Comfort Control Center 2 Wiring Diagram Effectively read a wiring diagram, one offers to find out how typically the components within the program operate. For example , in case a module is usually powered up also it sends out a new signal of 50 percent the voltage plus the technician would not know this, he would think he provides a problem, as this individual would expect a new 12V ... This program will address the most common system problems associated with the Duo-Therm Comfort Control Center supplied by The Dometic Corporation. Our intent is to provide you with a guideline of checks to make, ... Comfort Control Center 5 . 1 Wiring 3.3 Motor 5 . 3 Cable Assembly 5 . 2 ... Cable Assembly 5 . 2 Comfort Control Center 5 . 1 AC ...
Dometic comfort control center 2 wiring diagram. I am installing two Dometic Brisk II's, one Dometic Penguin II, and a Domitec comfort control center @ thermostat. I an not find installation instructions online anywhere. the Brisk II model number H5 … read more Dometic Comfort Control Center 2 Wiring Diagram Wiring Site. Dometic Duo Therm Brisk Ii Rv Compact Air Conditioner 13500. 11 20 12 3313107 122 Power Module Board Conversion Kit. Dometic Comfort Control Center 2 Wiring Diagram Wiring Site. 4 11 13 Ccc 2 Lcd Sz 3314850 000 Electronic Adb Brisk Air. This database contains documents for Dometic, Kampa, Mobicool & Waeco . Use the search box to browse our documents database and find documentation related to your product, such as installation and operating manuals, product drawings, quick start guides, technical data sheets, safety data sheets and more. Dometic Rv Air Conditioner Wiring Diagram Rv Air Conditioners Wiring Diagram for Two Comfort Control Center 2 is one of the pictures that are related to the picture before in the collection gallery, uploaded by autocardesign.org.You can also look for some pictures that related to Wiring Diagram by scroll down to collection on below this picture. If you want to find the other picture or article ...
This Unit is designed for OEM installation. ... A. Simple RV Wiring Diagram . ... 9-1/2″. 29″. 40″. Roof Opening. Front. Center Line Of Unit.16 pages image Source:Dometic™ DuoTherm 3310009.000 4 to 5 Button Comfort Control Center Upgrade Kit | Heat pump system, Upgrade, Control. Operation - Dometic Comfort Control Center 2 User Manual · 1. To turn ON the CCC 2 thermostat. when the back light is off, fi rst press · 2. Press the MODE button … 2 3310009.000 UPGRADE KIT INSTRUCTIONS GENERAL INSTRUCTIONS The 3310009.000 Upgrade Kit is designed specifically for all Duo Therm and Dometic Air Conditioner Models using the 4 button Comfort Control CenterTM with the circuit board built into the electrical system. All field wiring modification should be made in compliance This unit is designed for OEM installation. All initial installations must be approved by Dometic, LLC Roof Top Unit Description Model Use With Return Air Grill Model CCC 2 Electronic Control Kit CCC 2 Thermostat Indoor Temperature Sensor Air Conditioner 457915 459516 3105007.XXX OR 3105935.XXX 3312020.000 3312024.XXX 3311931.XXX Heat Pump ...
2 Comfort Control Center 5. 1. dometic comfort control center 2 wiring diagram – Just What’s Wiring Diagram? A wiring diagram is a kind of schematic which uses abstract photographic signs to show all the affiliations of components in a . Page 8: Dometic Comfort Control Center & Cable This supply line must be located in the front E. Model CCC 2 Electronic Control Kit CCC 2 Thermostat Indoor Temperature Sensor Kit Air Conditioner 640312 640315 3105007.XXX OR 3105935.XXX 3312020.000 3312024.XXX OR 3314082.XXX 3311931.XXX This Unit is designed for OEM installation. All initial installations must be approved by Dometic Corporation INSTALLATION INSTRUCTIONS OEM TECHNICAL SUPPORT - E-Mail: oemtechservice@dometic.com. USA SERVICE OFFICE Dometic Corporation 1120 North Main Street Elkhart, IN 46514 www.eDometic.com. CANADA Dometic Corporation 46 Zatonski, Unit 3 Brantford, ON N3T 5L8 CANADA. Dometic COMFORT CONTROL CENTER 2 THERMOSTAT INSTALLATION & USE MANUAL [PDF] ... Electronic control kit unit field wiring diagram dometic brisk air 590 series user manual page 12 installation instructions for family rv a cs 8 03 07 579 595 conditioner with distribution box comfort center help keystone forums 11 21 16 5203 5215 5217 5315 5317 6003 62046205620763056307 3310700 3310741 3310742 adb and o net open roads forum tech… Read More »
The Comfort Control Center control system can be used to operate the following Duo-Therm Units: ... Comfort Control Center 7. Wiring 16. System Reset 8. AC Power Module 17. DC V olt age 9. Reversing V alve ... '2002 Dometic Corporation LaGrange, IN 46761 FIG. 1. 2 B. DETAILED TROUBLESHOOTING
Installation on a recreational vehicle at the time Minimum Wire Size ** 12 AWG Copper Up to 24 ft. Comfort Control Center 2 Thermostat Operating Instructions Your Dometic Comfort Control Center 2 thermo-stat (hereinafter referred to as the CCC 2 thermostat) has been designed for ease of To help familiarize yourself with the operation of the CCC 2 thermostat, review the following diagrams and ...
Note: Installation requires a #2 phillips screwdriver ... Note: When a Comfort Control Center thermostat is be- ... AIR DISTRIBUTION BOX WIRING DIAGRAM.20 pages
Dometic Comfort Control Center 2 Wiring Diagram. Variety of dometic comfort control center 2 wiring diagram. A wiring diagram is a streamlined conventional photographic depiction of an electric circuit. It shows the components of the circuit as streamlined shapes, as well as the power and also signal connections between the gadgets.
This Unit is designed for OEM installation. ... C. 3312020.000 CCC 2 Electronic Control Kit Wiring Diagram . ... When a Comfort Control Center 2 (here-.17 pages
Dometic Bluetooth Thermostat Wiring Diagram. Dometic ct single zone thermostat control kit lcd new changeout can i replace a 3107541 with instructions 3 wire coleman 4 3316232 010 touch. Dometic Ct Single Zone Thermostat Control Kit For Cool Furnace Modes Black Included Com.
This is a replacement control box for current generation Dometic air conditioners. The control board inside the control box is compatible with Domeitc's Confort Control Center 2 thermostats. This control box has wires for a 12V connection, furnace control, load shed, and 120V connection. Compatible with a 6 pin air conditioner plug, 3 pin heat strip plug (optional), outdoor temp sensor, indoor ...
dometic comfort control center 2 wiring diagram. DOWNLOAD. Wiring Diagram Sheets Detail: Name: dometic comfort control center 2 wiring diagram - 2 Wire thermostat Installation Unique House thermostat Wiring Diagram Luxury 2 Port Motorised 44 Unique. File Type: JPG. Source: firedupforkids.org. Size: 234.37 KB.
Congratulations! Your recreational vehicle manufacturer has equipped your RV with the most advanced RV thermostat. Your Dometic Comfort Control Center 2 ...20 pages
Comfort Control Center Electronic Control Kit Ducted Installation Using 3109228.001 (White) Comfort Control Center TM OR 3109228.019 (Black) Comfort Control Center TM THIS UNIT IS DESI GNED FOR OEM INSTALLATION ALL INITIAL INSTALLATIONS MUST BE APPROVED BY DOMETIC CORPORTION REVISION Form No. 3109270.102 8/07 (Replaces 3109270.094) (French ...
This Unit is designed for OEM installation. All initial installations must be ... A. Simple RV Wiring Diagram . ... When a Comfort Control Center 2 (here-.
Source: Dometic Comfort Control Center 2 Wiring Diagram from 2020cadillac.com. Source: Dometic Comfort Control Center 2 Wiring Diagram from i151.photobucket.com. Source: Dometic Comfort Control Center 2 Wiring Diagram from bryantrv.com Source: Dometic Comfort Control Center 2 Wiring Diagram from content.invisioncic.com
This Unit is designed for OEM installation. ... C. Electronic Control Kit Wiring Diagrams . ... When a Comfort Control Center 2 (here-.
Dometic Comfort Control Center 2 Wiring Diagram. The Dometic Corp. So. Poplar St. Comfort Control Center, the following diagram along with the established at the time of installation of your Comfort. COMFORT CONTROL CENTER 2 THERMOSTAT. OPERATING .. following diagrams and accompanying text that explain the functional characteris- .. Zones are ...
This Unit is designed for OEM installation. All initial installations must be ... A. Simple RV Wiring Diagram . ... When a Comfort Control Center 2 (here-.19 pages
To read the wiring diagram, first, you should know what basic elements are included in the wiring diagram, and what picture icons are used to indicate them. Common elements in the wiring diagram are ground, power supply, wire and connection, output devices, switches, resistors, logic gates, lights, etc. A list of electrical symbols and descriptions can be found on the “Electrical Symbols ...
Dometic Penguin Ii Ccc2 Control Board Wiring / 3315085.000 dometic ccc 2 lcd sz 3314850.000 electronic adb brisk air 1 unit / 2 units.
2 Way Switch Wiring Diagram Gallery. 2 way switch wiring diagram - Architectural circuitry diagrams show the approximate places as well as interconnections of receptacles, lighting, as well as permanent electrical solutions in a building. Interconnecting cord courses could be shown approximately, where certain receptacles or fixtures must be on a typical circuit.
Comfort Control Center 4G 127 Loose Parts 12C 44 Fan Blades Hitting 12C/E 44 Tubing Vibration 12C/D 44 Configuration 2G 106 Operation 1G 100 AC Voltage 1B 26 DC Voltage 3G 127 Breaker 3B 26 Fuse 4G/7 133 Cable Assembly 4G/2 128 Comfort Control Center 4G 127 AC Power Module Board 4G/6 130. DUO-THERM COMFORT CONTROL CENTER SYSTEMS . . . Continued
3109228.001 Duo-Therm Comfort Control Center™ INSTALLATION INSTRUCTIONS MODELS REVISION Form No. 3109530.067 2/04 (Replaces 3109530.059) (French 3109884.068) ©2004 Dometic Corporation LaGrange, IN 46761 C US 620515.321 620515.326 620515.421 620525.321 620525.326 620525.421 620526.321 RECORD THIS UNIT INFORMATION FOR FUTURE REFERENCE: Model ...
Dometic Comfort Control Center 2 Wiring Diagram from wholefoodsonabudget.com Print the cabling diagram off in addition to use highlighters to trace the routine. When you employ your finger or perhaps stick to the circuit with your eyes, it may be easy to mistrace the circuit. 1 trick that I use is to printing exactly the same wiring diagram off twice.
Dometic Comfort Control Center 2 Wiring Diagram from img.yumpu.com DO IT YOURSELF enthusiasts use electrical wiring diagrams nevertheless they usually are also common within home building plus auto repair.
Wiring diagram Figure 6 Figure 6 shows the typical wiring diagram supplied with the Brisk I. The red X's indicate components that will be removed during installation of EasyStart. The white wire from EasyStart is drawn in blue for contrast. The brown wire shows a splice connection. This connection was removed from the C terminal of
Dometic Comfort Control Center 2 Wiring Diagram Download. dometic comfort control center 2 wiring diagram - Just What's Wiring Diagram? A wiring diagram is a kind of schematic which uses abstract photographic signs to show all the affiliations of components in a system. Wiring representations are composed of 2 things: symbols that stand for the parts in the…
This program will address the most common system problems associated with the Duo-Therm Comfort Control Center supplied by The Dometic Corporation. Our intent is to provide you with a guideline of checks to make, ... Comfort Control Center 5 . 1 Wiring 3.3 Motor 5 . 3 Cable Assembly 5 . 2 ... Cable Assembly 5 . 2 Comfort Control Center 5 . 1 AC ...
Dometic Comfort Control Center 2 Wiring Diagram Effectively read a wiring diagram, one offers to find out how typically the components within the program operate. For example , in case a module is usually powered up also it sends out a new signal of 50 percent the voltage plus the technician would not know this, he would think he provides a problem, as this individual would expect a new 12V ...
Dometic Control Center 2 Thermostat Wiring Diagrams Instructions. I Need The Connection Schematic Or Wiring For A Duo Therm Model 54615 035 3 Ser 7545 Rv Air Conditioner. Installation Instructions For Dometic Family Rv A Cs. Diagnostic Service Manual Roof Top Ac Hp Systems Troubleshooting Manualzz. Madcomics Dometic Analog Thermostat Wiring ...
0 Response to "40 dometic comfort control center 2 wiring diagram"
Post a Comment