Iklan 300x250

41 john deere 430 garden tractor parts diagram

All of our parts for sale are new, aftermarket parts unless specified otherwise in the description. Our experienced and friendly sales staff are available to help with any of your John Deere 430 tractor parts and engine parts needs. Call our toll-free customer support line today if you have any questions. 1-800-853-2651, available Monday ...

Quick View. John Deere Head Light Lens 420 430 Tractors 655 755 855 955 Utility Tractors. (1) $53.52. Add To Cart. Quick View. John Deere Dash Fits 316 318 322 330 332 420 Lawn Garden Tractors. (1) $104.80.

John Deere Diesel Engine 330 332 430 455 Lawn Tractor Service Repair Manual CTM3. $125.16. Was: $149.00. Free shipping. or Best Offer.

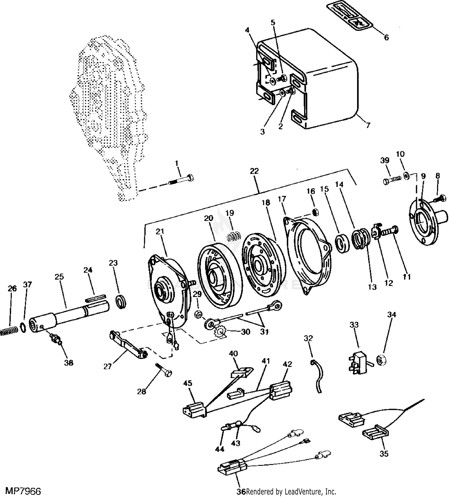
John deere 430 garden tractor parts diagram

John deere 430 garden tractor parts diagram

John Deere AG, Lawn & Garden and CWP Equipment Parts Search. John Deere parts lookup tool and diagram is an incredible online source. It is a complete catalog that shows you detailed parts diagrams of every part of your machine. This online parts catalog is robust and easy to use. Searching for your John Deere parts online has never been easier.

1987 John Deere 430 Diesel Lawn and Garden Tractor. I will attach more pictures in the next listing. 1,847 hours on original working hour meter (I am the second owner; tractor was purchased from a John Deere dealership in 2006 or 2007) 3-Point hitch and rear PTO (shaft, not pulley version) Rear 12v electrical outlet (for sprayer, etc.) with ...

John Deere 430 Parts. The John Deere 430 was produced from 1984 to 1992 and came standard with power steering and hydraulic deck lift. Other features include Hydraulic Control Valves, hydrostatic drive transmission with differential lock and 20hp Yanmar diesel Engine. The 430 was available with 50" or 60" mower decks and front PTO driven snow ...

John deere 430 garden tractor parts diagram.

John Deere Models 400 420 430 Parts. ... John Deere Fuel Pump Fits 318 and 420 Lawn and Garden Tractors (0) Out of Stock. Quick View. John Deere Leveling Gauge for Mower Deck Blade Height - AM130907 (2) $7.15. Add To Cart. Quick View. John Deere L and G Tractor Cup Holder (3) $26.81.

Model 430. Click here for 50 mower deck parts for 430. Click here for 60 mower deck parts for 430. Before deck serial number 525,000. Click here for 60 mower deck parts for 430. After deck serial number 525,001. Click here for 47-inch Snow Blower Parts for 430.

John Deere 420, 430, and 440 Hydraulic and Implement Parts 25 pounds of bolts, nuts, washers, and other hardware from tractor disassembly. It includes many of the old style heavy headed nuts and bolts.

Buy Genuine OEM John Deere parts for your John Deere 430 Diesel Lawn & Garden Tractor -PC1997 1984 Model M00430X285001-315000 430 Diesel Lawn & Garden Tractor -PC1997 1985 Model M00430X315001-360000 430 Diesel Lawn & Garden Tractor -PC1997 1986 Model M00430X360001-420000 430 Diesel Lawn & Garden Tractor -PC and ship today! Huge in-stock inventory of OEM John Deere parts.

John deere 430 garden tractor parts diagram. Our experienced and friendly sales staff are available to help with any of your john deere 430 tractor parts and engine parts needs. John deere front mower parts. John deere la150 lawn tractor parts regarding john deere 420 parts diagram image size 600 x 600 px and to view image details please click ...

John Deere Parts Diagrams, John Deere L130 Lawn Tractor Material Collection System -PC9291. AIR CLEANER: FUEL & AIR. Attachment,Snow Blade,46 inch: Snow Blade,46 Inch.

John Deere 655-755-756-855-856-955 Tractors Service Repair Shop Manual. John Deere 670-770-870-970-1070 Tractors Service Repair Shop Manual. John Deere 850, 950 & 1050 Tractors Service Repair Shop Manual. John Deere 1020, 1520, 1530, 2020, 2030 Tractors Repair Repair Shop Manual.

JOHN DEERE 317. $1,500 (col > Centerbug,Ohio ) pic hide this posting restore restore this posting. $3,700. favorite this post Nov 29. 54IN JOHN DEERE X520 GARDEN TRACTOR W/ BAGGER! 26HP! ONLY $87 A MONTH! $3,700 (col > Barberton ) pic hide this posting restore restore this posting. $250.

Deere registered users can review their past orders to view details and/or buy again. The Right Part. The Right Price. At John Deere, you get the value of choice for your replacement and maintenance parts for all makes and ages of machines — at any budget. Search parts for your tractors, lawn mowers, ag equipment, and more.

Diagram group 322 Lawn and Garden Tractor John Deere : 20 ENGINE CCE. 30 FUEL AND AIR CCE. 40 ELECTRICAL CCE. 50 POWER TRAIN CCE. 60 STEERING AND BRAKES CCE. 70 HYDRAULICS CCE. 75 3-POINT HITCH CCE. 80 WHEELS, NON-POWERED AXLES, SHEET METAL CCE.

LIKE NEW-LOW HOUR John Deere 2032R 32hp Compact Tractor, Loader, Mower. $26,995 (Grand Rapids oakland county ) pic hide this posting restore restore this posting. $3,999. favorite this post Dec 18.

For sale is this very good running 1960 John Deere 430-C. It is a very late 430C. The Gas engine runs great and has both the optional winch and has a reverser. The winch on the back does work we know. The undercarriage is average or as shown. The reverser we think works well but since we ar...

John Deere 420 Lawn & Garden Tractor Parts Manual

John deere 420 lawn & garden tractor parts manual

This is the complete parts catalog for the John Deere 430 lawn and garden tractor. This parts book contains exploded parts views and product codes for every component of the lawn and garden tractor. An absolute must if you are rebuilding, taking apart, or purchasing a part for your JD lawn mower. Covers All Years and Serial Numbers - Other websites…

430 PTO issues | Weekend Freedom Machines

430 pto issues | weekend freedom machines

John Deere LT133 not starting. This is a common problem. The saftey interlocks are most likely keeping the tractor from completing the starter circuit. See the attached diagrams for curcuiit. If off tracter ther park brake set switch must be closed along with thwe PTO off switch closed. Check seat saftey switch.

John Deere 322, 330, 332, 430 Lawn Garden Tractors TM1591 Technical Manual  PDF

John deere 322, 330, 332, 430 lawn garden tractors tm1591 technical manual pdf

Starter Switch Lever - For tractor models 320, 40, 330, 420, 430. (Part No: M1863T) $24.29. Tune Kit - This Tune Kit is for John Deere 2 cylinder tractors with gas engines. Contains: Autolite spark plugs (AL216), heavy duty points, condenser, and rotor. Using 14mm, 7/16 reach, 13/16 hex spark plug.

Pin on John Deere

Pin on john deere

Lawn & Garden Tractors published in 1991, by John Deere Technical Manual 322, 330, 332 and 430 Lawn and Garden Tractors. published in 1995, by John Deere Page information

Amazon.com : John Deere Original Equipment Belt #AM35380 ...

Amazon.com : john deere original equipment belt #am35380 ...

Diagram group 318 Lawn and Garden Tractor John Deere : 20 Engine (Onan Model B43G) CCE. 22 Engine (Onan Performer) (P218G) CCE. 30 FUEL AND AIR CCE. 40 ELECTRICAL CCE. 50 POWER TRAIN CCE. 60 STEERING AND BRAKES CCE. 70 HYDRAULICS CCE. 75 Hitch 3-Point CCE.

John Deere 430 Lawn and Garden Tractor - Parts Catalog

John deere 430 lawn and garden tractor - parts catalog

John Deere 430 Garden Tractor Parts Manual. Fluid Capacities for Turf Equipment. Preferred: John Deere Turf-Gard or Plus-4 and Plus 50 II. (See Operator's Manual ). 1.8 (1.7). ... Box 15, Folder 5-28. Lawn and Grounds Care Price List, 1994-1998. Box 16, Folder 1. John Deere Tractors, publication, 1994. Box 16, Folder 2. NMAH.AC.1225.pdf. Read ...

Tractor Attachments - Lawn Tractor Attachment - Garden ...

Tractor attachments - lawn tractor attachment - garden ...

Operators Manual Reprint: JD 430 Row Crop Utility only. Fits John Deere - Row Crop Utility: 430; Replaces: OMT65558 * 80 pagesOperator manuals explain how to operate the tractor. This book is sometimes referred to as an owner's manual and it is a reprint of the original book that came with the tractor.

John Deere Parts Lookup -60-IN Mid-Mount Rotary Mower (400 ...

John deere parts lookup -60-in mid-mount rotary mower (400 ...

Predator2 Mower Blade for 60" John Deere Deck - B1PD5063. (2) $27.51. Usually available. Add to Cart. Quick View. Sunbelt XHT Mower Blade for 60-inch John Deere Deck - B1JD5008. (0)

John Deere 430 Diesel Lawn & Garden Tractor -PC1997 1984 ...

John deere 430 diesel lawn & garden tractor -pc1997 1984 ...

John Deere 300 316 garden tractor parts and attachments JD 314 317 $0 (ksc > ) ... 430 John Deere Garden Tractor Spindle $65 (ksc > Garden City, MO ) pic hide this posting restore restore this posting. $750. favorite this post Dec 4 60-Inch Commercial Mower Deck (For 2520 C.U.T. and 495,

John Deere 430 - Tractor, Lawn And Garden Parts Catalog ...

John deere 430 - tractor, lawn and garden parts catalog ...

John Deere PTO Clutch Field Coil AM105065 for models 318, 420 and 430. 4.8 out of 5 stars. 16. $363.00. $363. . 00. Get it as soon as Tue, Nov 16. Only 4 left in stock - order soon.

John Deere 322, 330, 332, 430 Lawn Garden Tractors TM1591 Technical Manual  PDF

John deere 322, 330, 332, 430 lawn garden tractors tm1591 technical manual pdf

1974 John Deere 110 Garden Tractor Parts $0 (eau > Elk Mound Area ) pic hide this posting restore restore this posting. $3,300. favorite this post Dec 3 John Deere x 360 lawn tractor $3,300 (eau > Bloomer wi ) pic hide this posting restore restore this posting. $125. favorite this post Dec 17

46 Inch Deck Belt - 116H | My Tractor Forum

46 inch deck belt - 116h | my tractor forum

Fuel tank leaks - JD 430 Diesel | My Tractor Forum

Fuel tank leaks - jd 430 diesel | my tractor forum

JD 430 garden tractor front PTO help | My Tractor Forum

Jd 430 garden tractor front pto help | my tractor forum

John Deere 322, 330, 332, 430 Lawn Garden Tractors TM1591 Technical Manual  PDF

John deere 322, 330, 332, 430 lawn garden tractors tm1591 technical manual pdf

John Deere 430 Tractor Parts Manual

John deere 430 tractor parts manual

John Deere Parts Lookup -430 Loader (Manufactured 1998 ...

John deere parts lookup -430 loader (manufactured 1998 ...

John Deere 60 Inch Mower Deck Parts Diagram - Wiring Site ...

John deere 60 inch mower deck parts diagram - wiring site ...

John Deere 430 Garden Tractor Parts

John deere 430 garden tractor parts

JD 430 garden tractor front PTO help | My Tractor Forum

Jd 430 garden tractor front pto help | my tractor forum

John Deere Parts Lookup -430 Diesel Lawn & Garden Tractor ...

John deere parts lookup -430 diesel lawn & garden tractor ...

ENGINE SERVICE MANUAL FOR JOHN DEERE 430 LAWN GARDEN TRACTOR ...

Engine service manual for john deere 430 lawn garden tractor ...

Jd 430 rear pto noise | Weekend Freedom Machines

Jd 430 rear pto noise | weekend freedom machines

John Deere 430 Diesel Lawn & Garden Tractor -PC1997 Steering ...

John deere 430 diesel lawn & garden tractor -pc1997 steering ...

John Deere 60-inch Complete Replacement Deck SKU17220

John deere 60-inch complete replacement deck sku17220

JD 430 garden tractor front PTO help | My Tractor Forum

Jd 430 garden tractor front pto help | my tractor forum

John Deere Parts Lookup -430 Diesel Lawn & Garden Tractor ...

John deere parts lookup -430 diesel lawn & garden tractor ...

John Deere 430 Project | Weekend Freedom Machines

John deere 430 project | weekend freedom machines

John Deere 322 330 332 430 Repair Manual [Lawn & Garden ...

John deere 322 330 332 430 repair manual [lawn & garden ...

SERVICE MANUAL SET FOR JOHN DEERE 430 430C CRAWLER TRACTOR PARTS OPERATORS  DOZER | eBay

Service manual set for john deere 430 430c crawler tractor parts operators dozer | ebay

John Deere 322, 330, 332, 430 Lawn Garden Tractors TM1591 Technical Manual  PDF

John deere 322, 330, 332, 430 lawn garden tractors tm1591 technical manual pdf

FRONT HITCH KIT (QUICK-TATCH) [B15] - BROOM, ROTARY John ...

Front hitch kit (quick-tatch) [b15] - broom, rotary john ...

John Deere JD 430 Lawn Garden Tractor Parts Catalog Manual PC1997 | eBay

John deere jd 430 lawn garden tractor parts catalog manual pc1997 | ebay

John Deere 430 Project | Page 5 | My Tractor Forum

John deere 430 project | page 5 | my tractor forum

John Deere Parts Diagrams, John Deere 430 Diesel Lawn ...

John deere parts diagrams, john deere 430 diesel lawn ...

John Deere 400 420 430 Lawn Garden Tractor 50 Mid & 3-Point ...

John deere 400 420 430 lawn garden tractor 50 mid & 3-point ...

John Deere 430 Tractor Parts Manual

John deere 430 tractor parts manual

john deere 430 - John Deere Forum - Yesterday's Tractors

John deere 430 - john deere forum - yesterday's tractors

For Sale: John Deere 430 Diesel Lawn and Garden Tractor ...

For sale: john deere 430 diesel lawn and garden tractor ...

HEATER PARTS [B05] - CAB John Deere 430 - CAB - 317, 318, 330 ...

Heater parts [b05] - cab john deere 430 - cab - 317, 318, 330 ...

0 Response to "41 john deere 430 garden tractor parts diagram"

Post a Comment

Iklan Atas Artikel

Iklan Tengah Artikel 1

Iklan Tengah Artikel 2

Iklan Bawah Artikel