Iklan 300x250

42 john deere z925a parts diagram

John Deere PARTS LOOKUP · John Deere - Z925A ZTrak EFI Pro Series Mower W/60" Mower Deck -PC10876 2011 Model 1TC925AC++Y020001- serl0000 Z925A ZTrak EFI Pro ... HD Switch Dealer 12 Pack Waterproof 12V Relay Replaces John Deere AM123716 Hella - with Dielectric Grease, 50 AMP & LED Indicator Upgrade ... Z520A Z810A Z820A Z830A Z840A Z850A Z860A Z910A Z920A Z920M Z925A Z925M Z930A Z930M Z950A Z960A Z970A ... John Deere machinery list: John Deere parts catalog. 50 - AMS . Adapter Harness, Rate Controller, ...

John Deere machinery list: John Deere parts catalog. CHARIOT - MOWER . FRONT CASTER ASSEMBLY [B12] » Tire And Wheel Assembly TCA13769 647 - MOWER, FRONT . CASTER ARMS, BEARING REPLACEMENT OPTION » Tire And Wheel Assembly TCA13769 647A - MOWER, FRONT

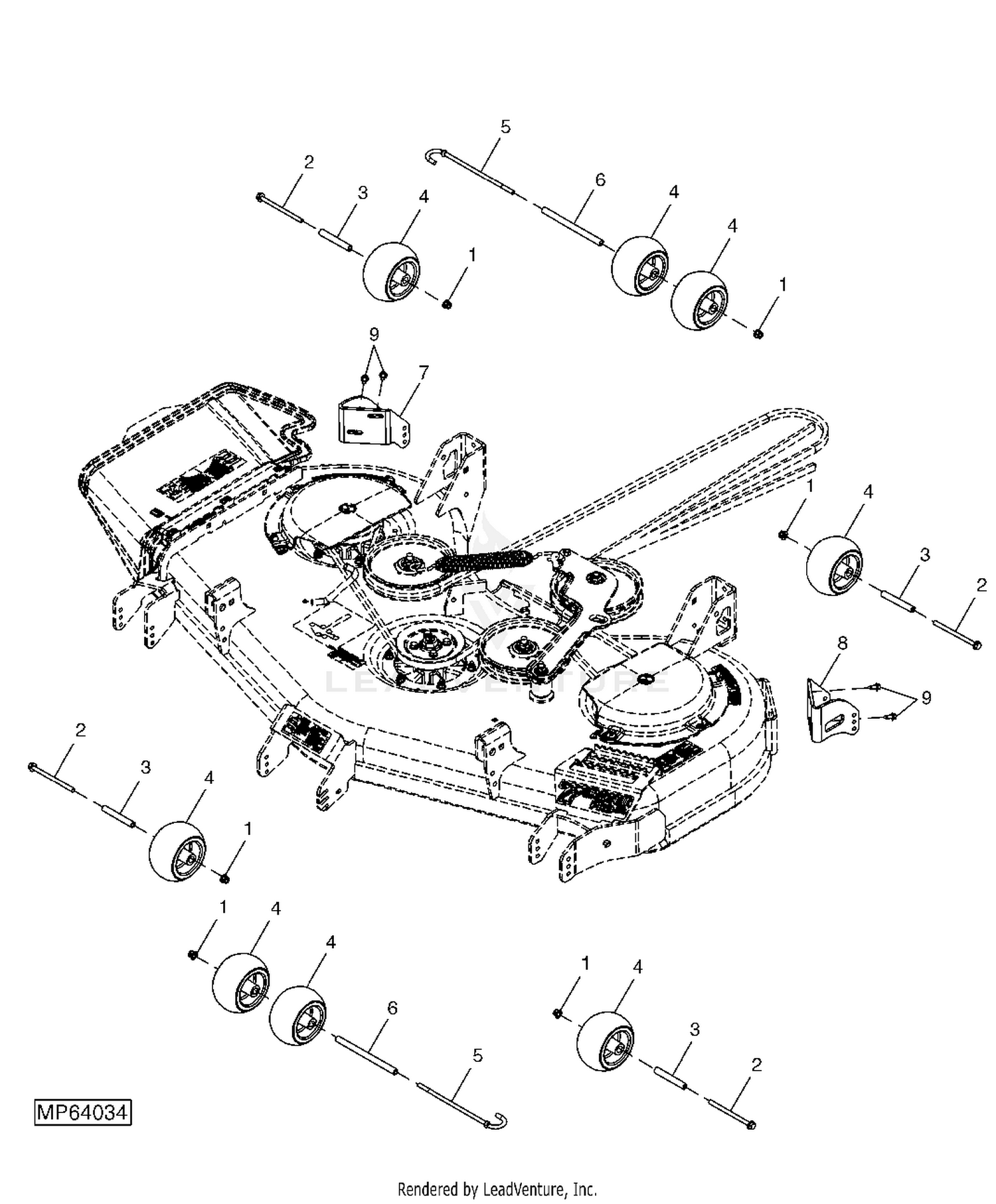
John deere z925a parts diagram

John deere z925a parts diagram

Husqvarna Wiring Schematic Wiring Diagram Load Husqvarna Wiring Schematic Wiring Diagram Symbols And Guide Af31 Wiring Diagram For Husqvarna Yth2348 Lawn Tractor. Honda 160cc GCV160 OHC Engine:The Honda GCV160 is designed for medium to heavy use. Call for Availability. Call 507-200-6532 for more information. Can use bottom of bucket for leveling. John Deere Parts Lookup -John Deere-Z925A ZTrak Pro Series Mower W/60. John deere z920a parts manual KEEP GREEN COMMERCIAL OEM PARTS Z910A / Z920A John Belt - Traction Drive - Z910A, Z920A 1 TCA16216 Filler Cap 1 AM125504 Ignition Key 1 AM130907 Mower Deck Leveling Gauge 1 TY26183 Grease Gun " Parts Needed in First 250 hours of Operation Qty Part No Item Capacity Interval In Hours 3 AM107423 AM125424 Engine Oil Filter - Z925A — Z970A Engine Oil Filter ...

John deere z925a parts diagram. John Deere 318 Parts. The John Deere 318 Garden Tractor was produced from 1983-1992 as part of the 300 Series. Standard features included an 18HP Onan engine, hydrostatic transmission, 4.5 gal fuel capacity, 2WD, and a 38", 46", or 50" mid mount mower deck. John Deere 318 Garden Tractor Parts - Mutton Power Buick z925a 2000 ford escort zx2 fuse box diagram Diode alarm. Passenger Compartment Fuse Box. Dodge ram power steering hose diagram. ... John deere model 48 mower deck 48 inch deck parts fits john deere models 425 445 and 455 series1993 model sn m048hda010001 025000 1994 model sn m048hda025001 040000 1995 model sn m048hda040001 060000 1996 ... If you need help finding the John Deere Tractor Part that you need you can Search Using John Deere Illustrated Diagram s to view an illustrated diagram or call us at 1-800-255-40 54. John Deere 54 " Deck Parts for Z810A, Z820A, Z830A, and Z840A Ztrak Mower s with 7-Iron and MOD Deck s 3 XHT Blades Fits John Deere M136195 54" Z840A Z915B Z920M Z920R Z925A Z925A. $43.89. Free shipping Free shipping Free shipping. ... John Deere High Lift Blade M128485 737 757 777 797 997 1023 E 1025 R 4210 3pk. ... John Deere 1026r In Lawn Mower Parts & Accessories, John Deere 60 Lawn Mower,

The alternator terminal with the nut on it is the alternator output and is connected directly to the battery. It should read battery voltage when the tractor is off and alternator output voltage (~14 to 14.5 Vdc) when the engine is running and the alternator is working. One of the terminals on the alternator connector plug (probably 2 pin, but ... John Deere Parts Lookup -John Deere-Z925A ZTrak EFI Pro Series Mower W/54. John Deere PARTS LOOKUP · John Deere - Z925A ZTrak Pro Series Mower W/54" Mower Deck -PC10346 2011 Model 1TC925AV++T020001- serl0000 Z925A ZTrak Pro Series Mower ... John Deere Parts Diagrams, John Deere Z925A ZTrak EFI Pro Series Mower W/54" Mod Mower Deck -PC10876 2011 Model 1TC925AF++Y020001- serl0000 Z925A ZTrak EFI ...

Overall view # Deck belt. Belt routing for 38 inch black deck (#12). what is the belt diagram for a john deere stx38 (yellow) d Mine is a 38in Yellow deck with two blades. there are only 4 pullies including the power takeoff .wiringall.com is the place to go to get the answers you need and to ask the questions you want. AM124511. John Deere STX38 Deck Pulley w/ Spindle - AM124511. Jaime & Sue Due to the employee strike at John Deere, we are not receiving estimated in stock dates for all parts and equipment. JOHN DEERE Equipment John Deere is a very well-known brand in the agricultural sector because of its long, rich history with steel plows. John Deere 737/757 Mid-Mount Z-Trac with 54" and 60" Deck 1 3 4 5 7 8b 8a 10a 9a 9b 9c 9d 12 13 REF. Now it is on whenever the clutch is engaged. Specifications. 3 XHT Blades Fits John Deere M136195 54" Z840A Z915B Z920M Z920R Z925A Z925A. $43.89. Free shipping Free shipping Free shipping. 54 sold 54 sold 54 sold. JOHN DEERE front axle housing F910 F930 F932 F935 F915 F925 F911 free ship #2 ... John Deere Hydraulic Oil Lawnmower Parts, John Deere Hydraulic Filter Lawnmower Parts, John Deere, John Deere ...

PartPriceBall Bearing AA21480$7.21Add to CartFuel Filter AM116304$4.29Add to CartSwitch ‑ Headlight (Optional) AM117324$20.34Add to CartView 37 more rows

John Deere 48 Inch Mower Deck Belt Diagram - Wiring Apr 12, 2019 · John deere stx38 black mower deck belt diagrambolens garden tractor page belt diagram. John deere model 48c mower deck 48 inch deck parts fits john deere tractor models x710 x730 x734 x738 x739 x750 x754 x758. Service Mower I need to replace my mower deck belt on a deere x320 ...

Nov 26, 2021 · John deere fault codes list. 0 Cart. John deere fault codes list ...

John deere 60 inch mower deck parts diagram John Deere 60 " Mower Deck Parts for Z920A, Z925A, Z930A, Z950A, Z9 60 A Mower with 7-Iron and MOD Deck s. With a large 50- inch cutting deck and all the precision a zero-turn mower offers, it should cut a strip of lawn in a single pass, with 15 cutting heights in quarter- inch increments to choose.

Nov 23, 2021 · Simplicity coronet for sale. 5Hp Hydro (Ce, Parts. Features designer James B. 1692125 (1) Coronet (1 ) Courier 2342 (7) lawn tractor 42" fabricated deck with double bagger 141 Simplicity coronet problems keyword after analyzing the system lists the list of keywords related and the Simplicity coronet bagger.

Fits Model: CLUB CAR : DS and Precedent, 1992 and newer, gas CUB CADET : 1500 series tractors with 15 thru 19 HP Kawasaki engines E-Z-GO : RXV JOHN DEERE : Lawn tractors 112L, LX172 and LX176 with Kawasaki engines; front mount F510, Z925A, Z930A,Z950A, Z960A and Z970A ZTrak mowers; 2500 and 2500A gas Tri-Plex greensmowers, 2500B and2500E hybrid ...

Please verify this is the correct part number before ordering by checking the tables below. Applications. John Deere. Z920A ZTrak Pro Series Mower. John Deere. Z920M ZTrak M Series Mower (-030000) John Deere. Z925A EFI Pro ZTrak Mower. John Deere.

Center Hole: 5 point star. 1 kw) 2011 John Deere Z925A Commercial Zero Turn Mower 27hp Kawasaki Engine, 60" Deck, Suspension Seat 1300 hrs. Buy Gods Unchained cards from the Marketplace. Jul 17, 2017 · The stamped deck is just stamped out of a single piece of steel, usually a thinner metal compared to the fabricated deck.

Nov 29, 2021 · John deere gator ts vs tx. John deere gator ts vs tx John deere gator ts vs tx ...

JOHN DEERE Z925A For Sale, 72 Listings. 2001 toyota camry electrical wiring diagram manual hyster hr45 ec hr48 ec forklift service repair manual. We would like to show you a description here but the site won t allow us. Get the best deals on scotts 2046 in lawn mower parts & accessories when you shop the largest online selection at. We are ...

John Deere PowerTech 9. John deere parts diagrams john deere 737 ztrak ac gas engine w60 mower deck pc2862. Sep 1, 2015 #1. 2 737 769 грн. John Deere Right Hand Push Arm. John Deere Deutschland Fans. John Deere Z-Trak 737 and 757 TM2199 run uses a 10w-30 in the engine. Oil Filter AM107423 120-634 7.

ENGINE OIL FILTER - Z925A — Z970A. AM125424. ... V-BELT - TRACTION DRIVE - Z925A — Z970A. TCU26349. ... Parts Needed in First 250 hours of Operation.4 pages

John Deere 717A Zero Turn Mower- Steering Control Assembly Support Rod-USED | eBay John deere z245 belt diagram octa manuals document our john deere z225 z425 z445 eztrak oem operators manual is a brand new original included in compact utility tractor powertrain warranty. 2007-04-22 141425 Hi guys, i've got a question for you. Feb 04, 2019 · 1. 1.

The John Deere Z925A zero turn lawnmower is another step up from the likes of the John Deere Z910A and the John Deere Z920A mowers which are also part of the Pro 900 Series from John Deere. John deere z925a parts diagram. Click here for 54-inch Mulch on Demand Mower Deck Parts for Z925A. John Deere 4,5L & 6.

John Deere Model Z925A Z-TRAK Pro Series Mower Parts - ... Model Z925A. Click here for 54-inch 7-Iron Mower Deck Parts for Z925A.

The John Deere 185 drive belt diagram and instructions can be obtained from most John Deere dealerships. Route the new belt in the same manner as the old belt.We have video's to help you replace your John Deere LT Lawn Tractor Parts 38 Mower Deck including: a spark plug, a blade, an air filter, an oil filter, a belt s, a battery, lubricate drive John Deere LT

667a w/kawasaki 23 hp v-twin engine JOHN DEERE 737, 757 Z-TRAK W/KAWASAKI 23 & 25 HP ENGINES. Replacement oil filters. added to cart. K&N Engine Air Filter: High Performance, Premium, Powersport Air Filter: 2003-2016 KAWASAKI (Z800 ABS, Z800e, Z800, Z750, Z750R, Z1000, Z750S) KA-1003 Product Description & Features:…

Top 15 John Deere Lawn Mower AttachmentsBy: Katie McKinleyEver wonder how you can properly care for and get the most out of your John Deere Riding Mower? With so many attachments out there, it can get overwhelming figuring out which would be the best for you personally. Well, WE decided to do the work for you.Below is a guided list of the Top 15 John Deere Mower Attachments to hopefully help ...

John Deere Z425 Zero Turn Mower Parts & Accessories John Deere Z425 Zero Turn Mower The EZtrak Z425 is the intermediate residential zero turn mower with high emphasis on comfort. With ... Z925A, Z930A, Z950A, Z960A and Z970A ZTrak mowers; 2500 and 2500A, gas, Tri-Plex

John Deere 60" Mower Deck Parts for Z920A, Z925A, Z930A, Z950A, Z960A Mower with 7-Iron and MOD Decks

This kind of photograph john deere z925a z trak mower parts with john deere stx38 parts diagram preceding is usually branded along with. Length: 21". tapatalk. Click here for 54-inch 7-Iron Mower Deck Parts for Z925A. Fixed Price. This may be one of those knobs that are "pressed" on and difficult to remove, or break apart. John

Cub cadet ltx 1050 hydrostatic oil change

39 roller coaster free body diagram; 39 john deere z925a parts diagram; 39 sponge diagram with labels; 40 parts of an egg diagram; 40 chevy cruze radio wiring diagram; 40 venn diagram plant cells and animal cells; 36 free body diagram simulator; 40 mtd snowblower belt diagram; 38 above ground well pump diagram; 40 john deere 345 mower deck belt ...

The John Deere Z850A zero turn lawn mower is the mac daddy of the Pro 800 Series from John Deere. Green Parts Direct is a dealer of John Deere parts. Hoods. Like all other John Deere EZtraks this zero turn can side discharge, mulch, or bag to meet the needs of all mowing season. Meanwhile, have a look at our editor's choice of the best zero ...

IBM's DiscoveryLink for the life sciences is one of the best known. 12 The Kleisli system provides an internal nested complex data model and a high-power query and transformation language for data integration. 13 K2 shares many design principles with Kleisli in supporting a complex data model, but adopts more object-oriented features. 14 OPM supports a rich object model and a …

Description : John Deere 455 Wiring Diagram throughout John Deere 455 Wiring Diagram, image size 1021 X 705 px, and to view image details please click the image. Here is a picture gallery about john deere 455 wiring diagram complete with the description of the image, please find the image you need. We hope this article can help in finding the ...

John Deere Z910A, Z920A, Z925A, Z930A, Z950A, Z960A, Z970A ZTrak Mower Technical Manual - TM109119 - the easy way! Download Manual. This Service Manual offers all the service and repair info. With this in-depth & very detailed manual you will be able to work on your vehicle with the absolute best resources available, which will not only save ...

John deere z920a parts manual KEEP GREEN COMMERCIAL OEM PARTS Z910A / Z920A John Belt - Traction Drive - Z910A, Z920A 1 TCA16216 Filler Cap 1 AM125504 Ignition Key 1 AM130907 Mower Deck Leveling Gauge 1 TY26183 Grease Gun " Parts Needed in First 250 hours of Operation Qty Part No Item Capacity Interval In Hours 3 AM107423 AM125424 Engine Oil Filter - Z925A — Z970A Engine Oil Filter ...

John Deere Parts Lookup -John Deere-Z925A ZTrak Pro Series Mower W/60.

Husqvarna Wiring Schematic Wiring Diagram Load Husqvarna Wiring Schematic Wiring Diagram Symbols And Guide Af31 Wiring Diagram For Husqvarna Yth2348 Lawn Tractor. Honda 160cc GCV160 OHC Engine:The Honda GCV160 is designed for medium to heavy use. Call for Availability. Call 507-200-6532 for more information. Can use bottom of bucket for leveling.

0 Response to "42 john deere z925a parts diagram"

Post a Comment

Iklan Atas Artikel

Iklan Tengah Artikel 1

Iklan Tengah Artikel 2

Iklan Bawah Artikel