39 2002 jeep grand cherokee wiring diagram
Check out our popular Jeep Cherokee Manuals below: Jeep - Cherokee - Workshop Manual - (1998) 1984-1998--Jeep--Cherokee 4WD--6 Cylinders L 4.0L MFI OHV--31646202. Jeep Cherokee 4wd Lhd Workshop Manual (L6-4.0L VIN S (2001)) Jeep Grand Cherokee 2wd Workshop Manual (L6-242 4.0L VIN S MFI (1993)) See All. Wabatuckian. It's the same issue I was chasing before. 2004 Jeep GC 4.7, CA emissions (three cats, four O2 sensors.) Lean -33% STFT fuel trim on warm startup, but with no apparent rich condition existing. I have an intermittent P0135 Bank 1/1 O2 sensor heater code on a new O2 sensor. I also have a code for the same issue on Bank 2/2 (O2 sensor ...
So I'm looking at buying a cherokee from a dealer few things that I think are connected they seem fixable but how bad they are I have no idea. When the sales guy started it up the engine sputtered for a few seconds and then finally smoothed out so my first thought was misfire then I drove it onto the freeway and it was acting like it couldn't find the right gear and then I hit 50 mph and it started flashing the engine light and wouldn't go past 50 when I gave it gas it acted like it was getting ...

2002 jeep grand cherokee wiring diagram
Hey guys, I was wondering if anyone knew where to access wiring diagrams for cars? I'm having a few electrical problems regarding the lights on my 2002 Pontiac Grand Prix that I'm trying to solve. First being that my Back-Up lights don't work, at all. Not sure why. And also my Third Brake light doesn't work either. I've been looking all over the internet and can't seem to find any easy accessible wiring diagrams for me to try and solve the issue. Whether your an expert Jeep Grand Cherokee mobile electronics installer, Jeep Grand Cherokee fanatic, or a novice Jeep Grand Cherokee enthusiast with a 2002 Jeep Grand Cherokee, a car stereo wiring diagram can save yourself a lot of time. Automotive wiring in a 2002 Jeep Grand Cherokee vehicles are becoming increasing more difficult to identify […] Oct 24, · diagramweb.net > Models > Jeep Grand Cherokee & Commander Forums > ZJ Grand Cherokee Forum > Need help with O2 sensor wiring. According to the Chrysler wiring diagram, the front has the same colors, so see if they are in real life and you can match them up. According to the diagram I have, the wiring for the other O2 sensor has the same.
2002 jeep grand cherokee wiring diagram. Since the end of August I've paid off my car, a very well kept 2015 Subaru Forester, woo!, clocked some decent overtime, gotten three bonuses!!?! from work, and more or less gotten financially stable for the first time in...forever, basically. I'd say it's nice, save for the whole not having a mom around to celebrate with anymore thing (she passed at the beginning of September), but I digress. One of the things I now have of my mom's is her car, a 2002 Jeep Grand Cherokee. It's quite a bit olde... 2004 Jeep Grand Cherokee Wiring Diagram. Jump to Latest Follow 1 - 9 of 9 Posts. G. gold2platinum · Registered. Joined Sep 4, 2015 · 24 Posts . Discussion Starter · #1 · Sep 13, 2015. Do any of you have a wiring diagram for dummies? ... 2001 jeep grand cherokee radio wiring diagram wiring diagram is a simplified agreeable pictorial representation of an electrical circuit it shows the components of the circuit as simplified shapes and the capability and signal associates amid the devices. 2001 jeep tj radio wiring diagram. Radio battery constant 12v wire. 2002 Jeep Grand Cherokee Fuse Diagrams Ricks Free Auto Repair Advice Automotive Tips And How To. Grand cherokee i need a pinout diagram jeep overland 2002 laredo 2000 obd ii pcm gray harness connector issue solved wont charge but alternator all wiring diagrams for pin out chart 1996 1998 4 0l not charging battery no start ricks free auto repair electrical diagnosing wj stereo system 1999 2004 ...
Hi, I have a 2002 Jeep Grand Cherokee Limited with heated front seats. The switch for the heated seats LED's work for both high and low but no heat at the seat. I think I need a wiring diagram to get troubleshoot it since I have no idea where the wiring goes off the switch. View, print and download for free: wiring diagram - JEEP GRAND CHEROKEE 2002 WJ / 2.G Workshop Manual, 2199 Pages, PDF Size: 76.01 MB. Search in JEEP GRAND CHEROKEE 2002 WJ / 2.G Workshop Manual online. CarManualsOnline.info is the largest online database of car user manuals. JEEP GRAND CHEROKEE 2002 WJ / 2.G Workshop Manual PDF Download. AUDIO DESCRIPTION An audio system is standard factory ... so 4-5 months ago, i filled my jeep up with freon and it blew cold for a couple months and then it blew hot. Today after it blowing non cold air for about 2 months i decided to add some freon. I put 3 cans and checked it out. It blew cold albeit it could be a lot colder and then after say 15-20 minutes the cold air stopped and it was hot air. The blend door works as well as the blower. I changed and fixed those in the past and double checked today as well. Could anyone help me out in what it mig... Description : Jeep Grand Cherokee Laredo Where Is The Headlight Relay Located with regard to Fuse Box Diagram For 2002 Jeep Grand Cherokee, image size 592 X 723 px, and to view image details please click the image. Here is a picture gallery about fuse box diagram for 2002 jeep grand cherokee complete with the description of the image, please ...
Description: Wj Grand Cherokee Air Conditioning - 4 Wheel Parts with 2002 Jeep Grand Cherokee Engine Diagram, image size 608 X 810 px, and to view image details please click the image.. Here is a picture gallery about 2002 jeep grand cherokee engine diagram complete with the description of the image, please find the image you need. 2002 Jeep Grand Cherokee Door Wiring Harness Diagram from i1.wp.com. Print the wiring diagram off plus use highlighters to trace the signal. When you make use of your finger or perhaps the actual circuit with your eyes, it is easy to mistrace the circuit. 1 trick that We 2 to printing a similar wiring plan off twice. November 4, 2020 by headcontrolsystem. 2002 Jeep Grand Cherokee Wiring Diagram Pictures. Repairing electrical wiring, a lot more than any other household project is about protection. Install an outlet correctly and it's as safe as that can be; do the installation improperly and it can potentially deadly. That's why there are numerous guidelines ... 2002 Jeep Grand Cherokee Fuse Diagrams 2002 Jeep Grand Cherokee Fuse Diagrams. 2002 Jeep Grand Cherokee Fuse Diagrams for Junction Box in cabin and Power Distribution Center under hood. 2002 Jeep Grand Cherokee Fuse Diagram Junction Box. 1 Spare 2 Spare 3 10A Headlight High Beam Left 4 15A Flasher 5 25A Radio/Amplifier 6 15A Park Lights 7 10A ...
2002 Jeep Grand Cherokee Radio Wiring Diagram. Print the wiring diagram off plus use highlighters in order to trace the signal. When you use your finger or perhaps stick to the circuit with your eyes, it may be easy to mistrace the circuit. 1 trick that We use is to print out a similar wiring plan off twice.
This video will show you How to Access the Complete Jeep Grand Cherokee Wiring Diagrams and details of the wiring harness. Diagrams for the following systems...
2004 Jeep Grand Cherokee Wiring Diagram - 04 jeep grand cherokee wiring diagram, 2004 jeep grand cherokee door wiring diagram, 2004 jeep grand cherokee pcm wiring diagram, Every electric structure is made up of various different components. Each component should be set and linked to other parts in specific way. Otherwise, the arrangement won't function as it ought to be.
04 jeep grand cherokee obd code p, replaced the o2 sensor. One very common problem on grand cherokee is wiring damage in the large wiring harness that runs behind the Were you able to view the wiring diagram I posted ?. Second opinion] I have a jeep grand cherokee v8 l.
Listed below is the vehicle specific wiring diagram for your car alarm, remote starter or keyless entry installation into your 1999-2004 Jeep Grand Cherokee.This information outlines the wires location, color and polarity to help you identify the proper connection spots in the vehicle.
If the wiring schematic shows the O2 sensor heater circuit is ground In the case I was called in on, the vehicle was a Jeep Grand Cherokee. Hey all, So I have to replace upstream sensor 2/1 due to fault codes Rep Power: car side - or better still have a wiring diagram for the WK o2 sensors - looking around online has not helped at all.
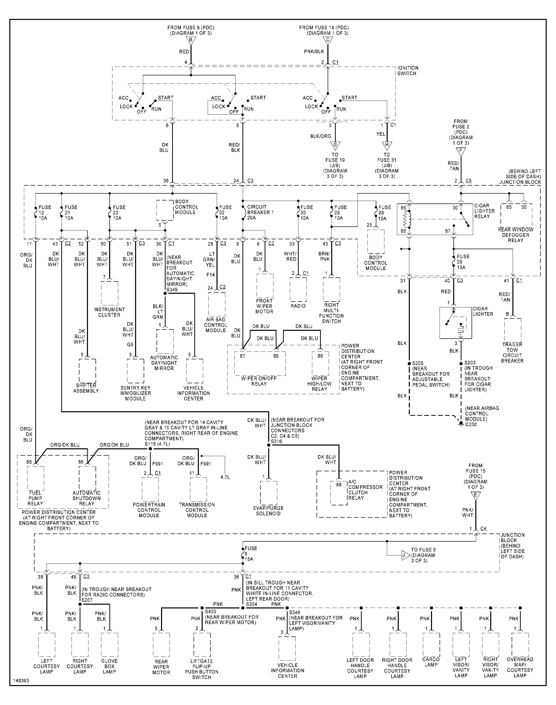
Chrysler wiring diagrams are designed to provide information regarding the vehicles wiring content. In order to effectively use Chrysler wiring diagrams to diagnose and repair a Chrysler vehicle, it is impor-tant to understand all of their features and charac-teristics. Diagrams are arranged such that the power (B+)
I need a wiring diagram for 2002 jeep grand cherokee for trailer light install with a universal trailer light wiring plug Posted by jabuki06 on Oct 12, 2009 Want Answer 0
I just got a 2002 grand cherokee with the v8, the person i bought it from said it needs a battery so i brought a new battery and hooked it up and it just clicked once. I thought it wasn’t enough juice to get it to go so i hooked the booster up to it and had it up over 14v and its the same thing. I turned the engine by hand to make sure it wasn’t seized and it turned like it was suppose to. Everything else was powering on and working properly but there was this weird beeping tune that would play ...
Welcome to the JeepSpecs.com in-depth page on WJ Generation Jeep Grand Cherokee wiring diagrams and pinouts. We have organized as much information as we could find into a helpful article below. Is something incorrect or missing? Please get in touch with us and we'll fix it! Radio connectors 1999-2001 (2x 7-pin) 2002-2004 (22-pin + 10-pin) Base radio (without CD changer & PCI connectors ...
Jeep - Grand Cherokee - Wiring Diagram - 2002 - 2003 Updated: January 2022. Show full PDF. Get your hands on the complete Jeep factory workshop software £9.99 Download now . Check out our popular Jeep Cherokee Manuals below: Jeep - Cherokee - Workshop Manual - (1998)
Wiring Diagrams › Jeep. If you run into an electrical problem with your jeep, you may want to take a moment and check a few things out for yourself. Before you dive in with a multi-meter, you will want to obtain a free wiring diagram for your specific model.You may need to locate a specific color wire and its exact location.
Got a fairly urgent question. I’m going look at a jeeeo today and likely buying it. But the lot it’s on informed me ahead of time that it need a new idler pulley OR a new oil pump. I’ve never dealt with oil pumps so I’m wondering how I’ll be able to identify if it’s that. I know low oil pressure will be my first sign, but some don’t have an oil gauge. And all the symptoms I’ve looking up for it describe a similar sound as a bad idler pulley. I also need to know if it’s drivable with a bad pump (...
Re: Need a wiring diagram for 2002 jeep grand cherokee... Review this links: - WJ Section 24 Heating Air Conditioning ewj24 (page 32 and next) - WJ Section 08w Wiring Diagrams ewj8w. * page 19 Index. * page 221 Blower Motor - Diagram 8W-42. - Blower Motor Repair. I hope help you with this (rated this help) Good luck. Posted on Sep 30, 2009.
Is the least efficient diagram among the electrical wiring diagram. Jeep grand cherokee wj electrical wiring diagram free ebook download as pdf file pdf text file txt or read book online for free. Automotive wiring in a 2002 jeep grand cherokee vehicles are becoming increasing more difficult to identify 2002 jeep grand cherokee radio wiring ...
[http://www.wrxinfo.com/service\_manuals/](http://www.wrxinfo.com/service_manuals/) Been researching some torque specs for suspension stuff and was surprised about the amount of misinformation and confusion out there across forums and videos. Here ya'll go, hope this helps some of you DIYers.
2002 Jeep Grand Cherokee Auto Alarm Wiring Diagram. Parking Light Negative Wire (-): Yellow (The yellow parking light wire will require a (-) negative through a 1300 ohm resistor and a extra relay .) Parking Light Positive Wire (+): Do Not Use. Power Door Lock Negative Wire (-): Orange/Violet And Pink/Black (5 Wire Reverse Polarity).
Jeep Grand Cherokee WJ Electrical Wiring Diagram - Free ebook download as PDF File (.pdf), Text File (.txt) or read book online for free. Manual Jeep Grand Cherokee
I have a 2002 jeep grand Cherokee Laredo and the rear blinkers quit working on me. The bulbs are fine, I bought a new blinker relay thinking that was the problem, it's not. When I turn on the hazzards only the front ones flash but at normal speed whereas the turn signals flash double time when I use them. I'm lost. Any ideas?
Just did a partial rebuild on my 2002 Jeep Grand Cherokee and now it says Part Time on the dash when it’s in 2WD and vise versa. Any ideas as to why this happened and how to fix ? Thanks !
Oct 24, · diagramweb.net > Models > Jeep Grand Cherokee & Commander Forums > ZJ Grand Cherokee Forum > Need help with O2 sensor wiring. According to the Chrysler wiring diagram, the front has the same colors, so see if they are in real life and you can match them up. According to the diagram I have, the wiring for the other O2 sensor has the same.
Whether your an expert Jeep Grand Cherokee mobile electronics installer, Jeep Grand Cherokee fanatic, or a novice Jeep Grand Cherokee enthusiast with a 2002 Jeep Grand Cherokee, a car stereo wiring diagram can save yourself a lot of time. Automotive wiring in a 2002 Jeep Grand Cherokee vehicles are becoming increasing more difficult to identify […]
Hey guys, I was wondering if anyone knew where to access wiring diagrams for cars? I'm having a few electrical problems regarding the lights on my 2002 Pontiac Grand Prix that I'm trying to solve. First being that my Back-Up lights don't work, at all. Not sure why. And also my Third Brake light doesn't work either. I've been looking all over the internet and can't seem to find any easy accessible wiring diagrams for me to try and solve the issue.
0 Response to "39 2002 jeep grand cherokee wiring diagram"
Post a Comment