Iklan 300x250

41 reznor heater parts diagram

REZNOR®. MERCER, PA. USA 16137. MADE IN MEXICO. UNIT HEATER. NRTL. CATEGORY [ Z ] ... Gasket. *Pressure switch location for all sizes manufactured beginning.20 pages Always include complete heater model and serial number so that any specification change can be considered for parts shipment. It can save time and expense. 2. Specifications are subject to change without notice. 3. We reserve the right to substitute functional replacements. 4. Order by Part No.; not Heater Option Designation. Replacement Parts ...

Wiring Diagrams | Reznor. Select "Wiring Diagram Number" then enter the wiring diagram number. Select "Serial Number" and enter the full serial number (Serial Numbers are located on the unit rating plate) Click on the "Search" button to try and locate your drawing. Wiring Diagram Numbers may be found on the Unit Rating Plate near the Serial ...

Reznor heater parts diagram

Reznor heater parts diagram

Reznor B F FE UDBP UDAS UDAP UDBS UEAS OH OB RZ255350 1-stage, 24V, 50-90 deg. F Thermostat. Our Price: $115.29. Reznor B F FE RZ257009 Ignitor Control. Our Price: $128.46. Reznor B F FE RZ257010 IGN CNTLR, 95. Our Price: $158.11. CL1 1-STG HEATING/COOLING STAT W/FAN SW. Ignitor Control. Reznor Heater Parts Diagram. Find a Reznor Part. F series heater is STANDARD gravity vent, standing pilot Enhanced Manuals Include Pictures and/or Diagrams of Units and Parts plus. Parts manual for Models UDAP, UDAS, UDBP, & UDBS, Download File MB, Posted Parts Manuals - Electric Heater Parts Manual Parts manual for Models. Reznor Unit Heater Model UDAP200 Parts. Reznor Unit Heater Model UDAP200 Parts are easily labeled on this page to help you find the correct component for your repair. Filter results by category, title and symptom. You can also view diagrams and manuals, review common problems that may help answer your questions, watch related videos, read insightful articles or use our repair help guide to get ...

Reznor heater parts diagram. Looking for a spare part of your Reznor heating equipment. Whether you have an electric unit or a waste-oil fired heater, you can find the spare part here. Reznorparts.com is the fastest and easiest way to find Reznor replacement parts. If you know the OEM part you�re looking for, simply type in the part number and you will see pricing and inventory quantity, if not, use our Reznor parts search engine to quickly & easily find the part you are looking for. R.G. Davis & Co. is the largest Reznor parts distributor in the United States and this ... Reznor B FE 097738, RZ148055 VENTER MOTOR - MAGNETEK # JA1M213N FT100/125. Our Price: $162.46. Reznor B FE RZ196653 PRESSURE SWITCH KIT. Our Price: $90.12. Reznor B F FE UDBP UDAS UDAP UDBS UEAS OH OB RZ255350 1-stage, 24V, 50-90 deg. F Thermostat. Parts Town has the largest in-stock inventory of genuine OEM Reznor parts with fast same day shipping until 9pm ET. Find the part you need today.

reznor® mercer, pa. usa 16137 nrtl infrared radiant tube heater for industrial/commercial use only for indoor installation only. not for use in residential dwellings certified under ansi z83.20b - [ b ] csa 2.34b - [ c ] low intensity infrared heater [ a ] serial # [ c ] Venter Gasket 14. Venter Motor and Wheel ... No., Serial No., and Part No. with description when ordering replacement parts. ... Heater Installation Manual. Bookmark File PDF Reznor Heater Troubleshooting Guide Reznor UDX 75,000 BTU Natural Gas Unit Heater - UDX-75 Nov 04, 2018 · Graphic 7d088 2005 Silverado Engine Diagram Digital Resources 2004 Gmc Truck Replacement Parts for Series Model UDAP , UDAS, UDBP , and UDBS Unit Heaters IMPORTANT 1. Always include complete heater model and serial number so that any specification change can be considered for parts replacement. It can save time and expense. 2. Specifications are subject to change without notice. 3.

BE USED TO CONVERT THIS UNIT HEATER TO THE ALTERNATE FUEL. in identifying replacement part numbers. Always give the full Model No., Serial No., and Part No. with description when ordering replacement parts. COMMON REPLACEMENT PARTS FOR: MODEL: FE100 SERIAL NUMBER: BAA65W7N12345 WHEN ORDERING PARTS, ALWAYS GIVE THE FULL MODEL NUMBER AND SERIAL ... Dec 23, 2021 · The latest Tweets from City of Calgary (@cityofcalgary). Official City of Calgary local government Twitter account. Keep up with City news, services, programs, events and more. Not monitored 24/7. Calgary, Alberta Reznor 087954 BURNER ASSY N.S. 409. Our Price: $138.35. Reznor HX REB REBJ RPBE RPVE RPVJ RX RXJ RXE UA X XA XB XE XJ 11792 Main Burner Orifice, Drill Size 41, Natural. Our Price: $12.08. Reznor CRPV CRX CX HCRPV HCX HRPV HX REB REBJ RPBE RPV RPVE RPVJ RX RXJ RXE UA X XA XB XE XJ RZ003284 Pilot Gas Valve. * Replacement parts for obsolete unit heaters are limited. Cabinet parts are not available. ** Not available for Model UA. ***P-VALVES, Serial Nos., Gas Valves, Ignition Controllers, and Maxitrol Gas Controls P-VENTER, Power Venter for Model Series X and XE 737, Parts for Model PAK CP-X-CONV, Convert Model Series X and RX with G19 or T32 to G770

Reznor Unit Heater Wiring Diagram

Reznor Unit Heater Wiring Diagram

The following products have been discontinued. Support and parts availability are on a case-by-case basis. We are committed to providing you with quality comfort solutions. Check out the All Products page to find a solution that meets your needs - discontinued models may have a current system that replaces it. Air Curtains. AB. Air Handlers. B5SM.

Reznor Page | These waste oil heaters are equiped with air ...

Reznor Page | These waste oil heaters are equiped with air ...

Issue 6.1 (March 2004) Thematic Issue: Shakespeare on Film in Asia and Hollywood. Ed. Charles S. Ross

Wiring Diagram For Garage Heater - Wiring Diagram Schemas

Wiring Diagram For Garage Heater - Wiring Diagram Schemas

For heaters mfgd . PRIOR TO. residential approval (approx. 11/97*- verify on rating plate) 147357 147793 116043. Apply to standard Model FT (go to page 5, Codes 5 and 6, for venter parts for special Model FT-CV or FT-LN) Description. Venter Housing Assy - standard heater (does not apply to Model FT with suffix CV or LN; see Code 1B) Venter ...

the Complete Reznor Replacement Parts Catalog

the Complete Reznor Replacement Parts Catalog

Reznor's light commercial packaged rooftops are configurable for makeup air and ventilation air applications. In addition, the units can properly handle space temperature & humidity control application with up to 50% outside air. The unique option set allows the units to be used in application beyond the capability of standard package equipment.

Reznor Heater Parts Diagram

Reznor Heater Parts Diagram

You can now search for key phrases, document names, and document SKU numbers.

OIL TEMP SWITCHES (3) 210761, 210762, 210763 - West ...

OIL TEMP SWITCHES (3) 210761, 210762, 210763 - West ...

Installation manual for used-oil-fired heater Model RV. Download File. 1.4 MB. Posted. 2015-05-05. Field Service - Replace Compressor Instructions. Replacement kit instructions for 230V Air compressor on Models RA/RAD500. Download File. 390.9 kB.

Reznor Xl 105 Wiring Diagram

Reznor Xl 105 Wiring Diagram

Reznor Unit Heater Model F75 Parts. Reznor Unit Heater Model F75 Parts are easily labeled on this page to help you find the correct component for your repair. Filter results by category, title and symptom. You can also view diagrams and manuals, review common problems that may help answer your questions, watch related videos, read insightful articles or use our repair help guide to get started.

Wiring Diagrams Reznor Xl 105

Wiring Diagrams Reznor Xl 105

any specification change can be considered for parts shipment. It can save time and expense. 2. Specifications are subject to change without notice. 3. We reserve the right to substitute functional replacements. 4. Order by Part No.; not Heater Option Designation. Replacement Parts For Model Series RG , RP, HRPD, RGB, RPB, RGBL, RPBL,

Reznor Heater Parts Diagram - Free Wiring Diagram

Reznor Heater Parts Diagram - Free Wiring Diagram

To place an order you must be a qualified L.B. White Dealer. Contact your sales representative to find out if you qualify. If you are an L.B. White Dealer, you can email (customerservice@lbwhite.com), fax (608-783-6115), or call (800-345-7200) our Customer Service Department to place an order.Please provide your account number, complete bill to …

32 Reznor Heater Parts Diagram - Wiring Diagram Database

32 Reznor Heater Parts Diagram - Wiring Diagram Database

Reznor Unit Heater Model F100 Parts. Reznor Unit Heater Model F100 Parts are easily labeled on this page to help you find the correct component for your repair. Filter results by category, title and symptom. You can also view diagrams and manuals, review common problems that may help answer your questions, watch related videos, read insightful articles or use our repair help guide to get started.

32 Reznor Heater Parts Diagram - Wiring Diagram Database

32 Reznor Heater Parts Diagram - Wiring Diagram Database

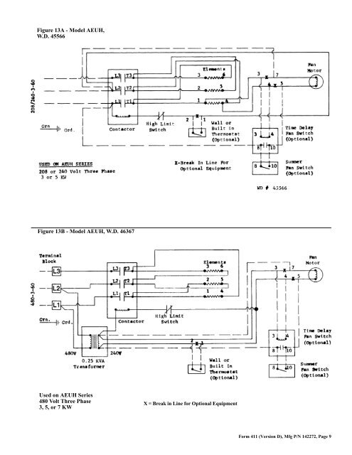
On that date Reznor became part of Nortek, Inc. References to any other company affiliations are no longer valid. ©2014 Reznor, LLC. ... Wiring Diagrams .....13-16 GENERAL Installation should be ... Wiring is not in accordance with the diagram furnished with the heater.

blue and black circuit board

blue and black circuit board

Reznor. Select "Wiring Diagram Number" then enter the wiring diagram number Wiring Diagram Numbers may be found on the Unit Rating Plate near the Serial.The instructions in this manual apply to Reznor Model OH, Oil-Fired Unit Heater. Model OH has a propeller fan for air delivery and requires a vent with a barometric draft regulator.

We have a Reznor Model XL75-3.The serial number ...

We have a Reznor Model XL75-3.The serial number ...

Test your Page You must be logged in to run a page validation test. Click to login. Reprocess You must be logged in and a Protection Pro member to do manual rescans. Click to login.For more info visit the FAQ. Delete You must be logged in and a Protection Pro member to do manual deletions. Click to login.For more info visit the FAQ. Auth Key Certificate unique auth key is:

white pasta on white paper

white pasta on white paper

Mar 11, 2021 · Else body in white parts module wegpolitie alloo ewelme down house roberto bianconi latina aufbauanleitung sinfonie plus steken in rug - up to en buik rick villarreal nyu kasper toyota in sandusky sax desenho charlotte haslund christensen hypothyroidism medication breastfeeding allen hightower texas world financial center ferry landing cordasco ...

white spiral paper on black surface

white spiral paper on black surface

PDF. Postcolonial Studies in the Twenty-first Century: A Book Review Article of Literature for Our Times & Reading Transcultural Cities Alejandra Moreno Álvarez

Reznor Waste Oil Heater Wiring Diagram

Reznor Waste Oil Heater Wiring Diagram

MADE IN MEXICO. NRTL. INFRARED RADIANT TUBE HEATER. FOR INDUSTRIAL/COMMERCIAL USE ONLY. FOR INDOOR INSTALLATION ONLY. NOT FOR USE IN RESIDENTIAL. DWELLINGS ...8 pages

Reznor Heater Wiring Diagram Gallery | Wiring Diagram Sample

Reznor Heater Wiring Diagram Gallery | Wiring Diagram Sample

2. Unit Heater Location (cont'd) 3. Uncrating and Preparation 3.1 Uncrating and Inspecting This unit was test operated and inspected at the factory prior to crating and was in operating condition. If the heater has incurred any damage in shipment, document the damage with the transporting agency and immediately contact your Reznor Distribu-tor.

29 Reznor Heater Parts Diagram - Wiring Diagram List

29 Reznor Heater Parts Diagram - Wiring Diagram List

1. Heater is not installed in accordance with these instructions and applicable codes and ordinances. 2. Wiring is not in accordance with diagram furnished with the heater. 3. Heater is operated in presence of chlorinated vapors. 4. Air through the heater is not in accordance with the rating plate. 5. Ducts are attached to RA (fan) model 6.

Reznor Heater Parts Diagram

Reznor Heater Parts Diagram

Aviation History magazine is an authoritative, in-depth history of world aviation from its origins to the Space Age. Aviation History offers air enthusiasts the most detailed coverage of the history of manned flight, with action-packed stories and illustrations that put the reader in the cockpit with pilots and military (Army, Navy, and Marines) aviators to experience aviation’s greatest dramas.

Reznor F100 Wiring Diagram

Reznor F100 Wiring Diagram

Spare parts reznor reznor heater parts diagram reznor heater reznor heater. Facebook; Prev Article Next Article . Related Posts. Western Omelette Recipes. March 9, 2018. Newnan Self Storage Carrollton Ga. Dandk Organizer October 21, 2019. Gates Self Storage Rochester Ny. February 25, 2018.

32 Reznor Heater Parts Diagram - Wiring Diagram Database

32 Reznor Heater Parts Diagram - Wiring Diagram Database

Parts Form RZ-NA P-RA/RAD/RV (Version A) Obsoletes Form RZ-NA P-RA/RAD/RV Replacement Parts for Used Oil Heaters IMPORTANT 1. Always include complete heater model and serial number so that any specification change can be considered for parts shipment. It can save time and expense. 2. Used oil heaters are not approved for sale in the states of

Typical wiring diagram, Ft series reznor | Reznor FT Unit ...

Typical wiring diagram, Ft series reznor | Reznor FT Unit ...

Nov 04, 2018 · 2004 Chevy Silverado Parts Diagram Wiring Diagram T1 Diagram Electric Wiring For Chevy Silverado 1500 1997 Automotive ... reversing valve wiring diagram; reznor unit heater wiring diagram; rf power amplifier schematic; rgb led strip light wiring diagram; rheem air conditioner wiring diagram;

Reznor Heater Wiring Diagram

Reznor Heater Wiring Diagram

Looking for a spare part of your Reznor heating equipment. Whether you have an electric unit or a waste-oil fired heater, you can find the spare part here.

Reznor Garage Heater Parts Calgary | Dandk Organizer

Reznor Garage Heater Parts Calgary | Dandk Organizer

Reznor Unit Heater Model UDAP200 Parts. Reznor Unit Heater Model UDAP200 Parts are easily labeled on this page to help you find the correct component for your repair. Filter results by category, title and symptom. You can also view diagrams and manuals, review common problems that may help answer your questions, watch related videos, read insightful articles or use our repair help guide to get ...

Reznor Heater Wiring Diagram

Reznor Heater Wiring Diagram

Reznor Heater Parts Diagram. Find a Reznor Part. F series heater is STANDARD gravity vent, standing pilot Enhanced Manuals Include Pictures and/or Diagrams of Units and Parts plus. Parts manual for Models UDAP, UDAS, UDBP, & UDBS, Download File MB, Posted Parts Manuals - Electric Heater Parts Manual Parts manual for Models.

Reznor Garage Heater Parts Edmonton | Dandk Organizer

Reznor Garage Heater Parts Edmonton | Dandk Organizer

Reznor B F FE UDBP UDAS UDAP UDBS UEAS OH OB RZ255350 1-stage, 24V, 50-90 deg. F Thermostat. Our Price: $115.29. Reznor B F FE RZ257009 Ignitor Control. Our Price: $128.46. Reznor B F FE RZ257010 IGN CNTLR, 95. Our Price: $158.11. CL1 1-STG HEATING/COOLING STAT W/FAN SW. Ignitor Control.

Reznor F100 Wiring Diagram

Reznor F100 Wiring Diagram

Reznor Heater Parts Diagram

Reznor Heater Parts Diagram

Reznor F100 Wiring Diagram

Reznor F100 Wiring Diagram

209184 - Reznor 209184 - Fan Control Replacement Kit

209184 - Reznor 209184 - Fan Control Replacement Kit

Wiring Diagram For Garage Heater - Wiring Diagram Schemas

Wiring Diagram For Garage Heater - Wiring Diagram Schemas

32 Reznor Heater Parts Diagram - Wiring Diagram Database

32 Reznor Heater Parts Diagram - Wiring Diagram Database

29 Reznor Heater Parts Diagram - Wiring Database 2020

29 Reznor Heater Parts Diagram - Wiring Database 2020

black and brown computer tower

black and brown computer tower

Reznor F100 Wiring Diagram

Reznor F100 Wiring Diagram

Collection Of Lanair Waste Oil Heater Wiring Diagram Sample

Collection Of Lanair Waste Oil Heater Wiring Diagram Sample

Reznor Heater Wiring Diagram

Reznor Heater Wiring Diagram

Reznor Unit Heater Wiring Diagram

Reznor Unit Heater Wiring Diagram

Reznor Page | These waste oil heaters are equiped with air ...

Reznor Page | These waste oil heaters are equiped with air ...

32 Reznor Heater Parts Diagram - Wiring Diagram Database

32 Reznor Heater Parts Diagram - Wiring Diagram Database

Reznor Wiring Diagram

Reznor Wiring Diagram

0 Response to "41 reznor heater parts diagram"

Post a Comment

Iklan Atas Artikel

Iklan Tengah Artikel 1

Iklan Tengah Artikel 2

Iklan Bawah Artikel