Iklan 300x250

37 Mtd Mower Parts Diagram

MTD Products US MTD's founders believed in being good stewards of the gifts with which they had been blessed, whether that be the business itself, their communities, or the opportunities before them. As a result, stewardship has been a core value of MTD since its inception and remains an integral part of our corporate culture today. MTD Products is a leader ... Kohler SV600-0028 MTD 20 HP (14.9 kW) Parts Diagram for ... Kohler SV600-0028 MTD 20 HP (14.9 kW) Ignition/Electrical 5-20-21 Exploded View parts lookup by model. Complete exploded views of all the major manufacturers. It is EASY and FREE

Wiring Diagram For Husqvarna Riding Mower - U Wiring Husqvarna Yth21k46 96043012001 2011 01 Parts Diagram. Wiring diagram for husqvarna riding mower.October 20 2020 Wiring Diagram. Husqvarna yth24v48 96043018200 2018 96045004600 yth 2448 t 96043000800 lawn riding mower yth2348 parts diagram for wiring 48 deck belt repair user yth24k48 electrical problem my page 21 of s fuse when ened manual pdf a model ing fuses and not yth2148 schematic ...

Mtd mower parts diagram

Mtd mower parts diagram

Wiring Diagram For Poulan Pro Riding Mower - easywiring Mtd model 132 431f088 lawn tractor genuine parts mtd riding lawn mower wiring diagram. Wiring diagram for gravely 812 wiring diagram sq pdf. Poulan pro riding mowers are backed by a 2 year limited warranty so you can feel confident behind your lawn investment. Looking for poulan model pr20h42sta front engine lawn pdf. Briggs And Stratton Ignition Switch Wiring Diagram ... Briggs And Stratton Ignition Switch Wiring Diagram. When you employ your finger or the. Kohler Engine Key Switch Wiring Kohler Engine Parts Kohler Engines Electrical Diagram For Briggs Stratton Discount Parts Call 606-678-9623 or 606-561-4983. Briggs and stratton ignition switch wiring diagram. NORMALLY OPEN MOMENTARY SWITCH. WHEN KEY SWITCH IS TURNED CLOSES TO. Print the […] Mtd Riding Lawn Mower Wiring Diagram - Wiring Diagram Mtd Model 132-431F088 Lawn, Tractor Genuine Parts - Mtd Riding Lawn Mower Wiring Diagram Wiring Diagram consists of numerous detailed illustrations that present the link of varied things. It includes guidelines and diagrams for different varieties of wiring techniques and other items like lights, home windows, and so forth.

Mtd mower parts diagram. MTD 769-04533 gas walk-behind mower parts | Sears PartsDirect MTD 769-04533 gas walk-behind mower parts - manufacturer-approved parts for a proper fit every time! We also have installation guides, diagrams and manuals to help you along the way! Husqvarna Lawn Mower Carburetor Diagram - Diagrams ... Mtd Lawn Mower Carburetor Diagram. Honda Lawn Mower Carburetor Diagram. Murray Lawn Mower Carburetor Diagram. ... Model 917 Craftsman Riding Lawn Mower Parts Diagram. Troy Bilt Bronco Lawn Mower Belt Diagram. About The Author Aaron Dean. Recent Posts. Downloadable Harry Potter Birthday Invitation Template; Craftsman Lt2000 Riding Mower Belt Diagram / Craftsman LT ... Craftsman Lt2000 Riding Mower Belt Diagram / Craftsman LT 2000 Riding Mower Won't Start | ThriftyFun / If you're a homeowner with a yard, a riding mower is imperative to help you with upkeep.. 5 years ago usually nowhere as they go to authorised dealers only.so. Push mowers are the simplest mowers but they're only good for small yards.See reviews below to learn more or submi. Riding Mower Wiring Diagram - easywiring Electrical wiring diagrams may be found in the operator s manual. Wiring diagram for craftsman riding lawn mower you will need an extensive skilled and easy to know wiring diagram. Clicking sound while attempting to key start riding mower. Variety of mtd riding lawn mower wiring diagram. Number of views 11 31k.

MTD Self Propelled Lawn Mower | Reviews & Buyer Guideline ... Mowing quickly with this MTD 11A-B2BM766 Fuel cordless self-propelled lawnmower, built up by a Briggs and Stratton 21 inch blade. Now you can forth to your self-propelled lawn mowers with convenience features like a self-propelled lawn mower drive system, pull starting, and intelligent sensor system to make your mowing ease. The MTD mowers 21 ... Spareparts Supplier for Garden Equipment Search by Part Number. We have more than 1 million spare parts listed. Just enter the number of the required spare part into our number search. If you don't have the number of the required spare part available, just check our illustrated spare parts list. Time of delivery: we normally deliver all spare parts within 6 to 8 days. MTD Petrol mower self propelled Spareparts Here you find the spare parts for Petrol mower self propelled MTD and you can order them online. We are your partner for MTD spare parts. Craftsman Riding Mower Dls 3500 Parts - Craftsman Lt2000 ... Craftsman Riding Mower Dls 3500 Parts - Craftsman Lt2000 Belt Diagram รข€" UNTPIKAPPS : Mary is an organic coconut farmer.. Our mtd riding lawn mower has transformed our farm. Learn about the different types of riding mowers. You can learn more about riding mowers from this article. All riding lawn mowers fall into one of four classes.

MTD - Lawn Mower Forum MTD. Discuss all MTD mowers, lawn & Garden tractors, and equipment in this forum. 1. 2. 37 mcculloch 3200 chainsaw parts diagram - Wiring Diagram ... MTD Mcculloch (2003-2007) Parts Diagrams 24-Chipper-Shredder & Vacs. 41-Handheld Products. JACK'S Newsletter. Subscribe to our email newsletter to receive promotions, helpful DIY articles, and special offers. ... Yard Man Lawn Mower Repair - nm 8404 mtd drive belt ... Yard Man Lawn Mower Repair - 9 images - riding mower repair drive belts mtd youtube, lawnmower clipart svg lawnmower svg transparent free for, Parts Lookup and OEM Diagrams | PartsTree The information provided on PartsTree.com is correct to the best of our knowledge. Part numbers, descriptions, pictures and diagrams are the property of the manufacturers and PartsTree.com cannot guarantee their correctness. It is the user's responsibility to determine a part's correctness for a particular application.

Troy-Bilt Lawn Garden Tractor Z809H Z809K & Mower Owner ...

Troy-Bilt Lawn Garden Tractor Z809H Z809K & Mower Owner ...

Parts - Toro 2021 Performance Parts Quick Reference Guide Performance Parts Catalog 2021 (Commercial) 2019-2020 Toro Titan Tines Catalog Illustrated Parts Catalog (Irrigation) Toro Ag Products and Parts List Toro Ag 2021 Price List. Close. View Model List. Select a model number to pass to the search box. 0.

mtd mower belt diagram Questions & Answers (with Pictures ...

mtd mower belt diagram Questions & Answers (with Pictures ...

38 Murray Riding Mower Parts Diagram - Diagram For You Murray Select 42 Belt Diagram - 9 images - wiring diagram 13 belt diagram for mtd riding mower, murray 42572x8a lawn tractor 2000 parts diagram for, Car Audio Diagrams March 30, 2021 Add Comment murray 12 hp 38 riding mower wiring diagram, murray 12 hp riding mower wiring diagram, murray 12.5 hp riding mower wiring diagram Edit Hp Murray Riding ...

Shop Yard Machines Parts | MTD Parts

Shop Yard Machines Parts | MTD Parts

Grasshopper Mower Manual Pdf | vincegray2014 Mtd 42 Mower Deck Belt Diagram. Lawn Mower Carburetor Adjustment. Husqvarna Awd Mower Parts Diagram. Ferris Mower Belt Diagram. Lawn Mower Carburetor Diagram. Lawn Mower Carburettor Diagram. Cub Cadet Mower Deck Diagram. Pca Training Manual. Gps Map 78s User Manual. Garmin Gps 12 Map Manual.

MTD 3214509 front-engine lawn tractor parts | Sears PartsDirect

MTD 3214509 front-engine lawn tractor parts | Sears PartsDirect

Mtd To Gates Belt Cross Reference How you have to find the mower wiring diagram on houzz and long work with teeth on. Mtd oil filter cross reference MTD ROVER OIL FILTER Read treasure and. The replacement from V-Belts 4 Less is 5400 about 12 JD OEM price. Lawn Mower Parts Tagged TypeBelts Outdoor Power.

MTD Lawn Tractor | 13A1762F029 | eReplacementParts.com

MTD Lawn Tractor | 13A1762F029 | eReplacementParts.com

Ariens 42 Riding Mower Drive Belt Diagram - Craftsman 42 ... Push mowers are the simplest mowers but they're only good for small yards. If you're a homeowner with a yard, a riding mower is imperative to help you with upkeep. Huskee Lawn Mower Drive Belt Routing Diagram รข€" UNTPIKAPPS from I have replaced the belt according to diagrams but it is still to loose to turn the pulleys ...

MTD 1332G PARTS LIST Pdf Download | ManualsLib

MTD 1332G PARTS LIST Pdf Download | ManualsLib

Cub Cadet Specialties offers new and used vintage IH ... Diagrams, mowers, attachments and sell Genuine OEM parts for Cub Cadets. We also carry Kohler engine parts, OEM Seats, Brinly Sleeve hitch and Cat. 0 3 point hitches, Duff Norton electric lift parts, Case IH and Cub Cadet paint and decals. IH Cub Cadet Mufflers, exhaust system parts as well as drive clutch and PTO clutch parts.

MTD 21

MTD 21" Self-Propelled Lawn Mower | 12AVB2K9095 ...

Craftsman Lt1000 Craftsman 42 Riding Mower Parts Diagram ... Craftsman Lt1000 Craftsman 42 Riding Mower Parts Diagram : Craftsman Lawn Tractor Brake Assembly and Adjustment - YouTube - I replaced the tapered shaft with a 1 shaft and original pre mtd wheels.. So i got two free craftsman lawn mowers on craigslist (one of them works the other one has parts). See reviews below to learn more or submi.

MTD 13A2775S000 front-engine lawn tractor parts | Sears ...

MTD 13A2775S000 front-engine lawn tractor parts | Sears ...

Craftsman R1000 Riding Mower Parts Diagram - Riding Mower ... Craftsman R1000 Riding Mower Parts Diagram - Riding Mower Deck Belt Diagram DIY - YouTube - Riding mowers have a variety of deck sizes and shapes.. 5 years ago usually nowhere as they go to authorised dealers only.so. Mary is an organic coconut farmer. So i got two free craftsman lawn mowers on craigslist (one of them works the other one has ...

MOWER DECK Diagram & Parts List for Model 917275810 Craftsman ...

MOWER DECK Diagram & Parts List for Model 917275810 Craftsman ...

Mtd Riding Lawn Mower Wiring Diagram - Wirings Diagram There are two things which are going to be found in any Mtd Riding Lawn Mower Wiring Diagram. The first component is symbol that indicate electric component from the circuit. A circuit is generally composed by numerous components. Another thing that you will discover a circuit diagram could be traces.

Pin on Little engines

Pin on Little engines

36 mtd riding mower parts diagram - Diagram For You Description: Mtd 12A-568Q118 Parts List And Diagram - (2003 intended for Mtd Riding Mower Parts Diagram, image size 590 X 653 px, and to view image details please click the image.. Here is a picture gallery about mtd riding mower parts diagram complete with the description of the image, please find the image you need.

Shop Yard Machines Parts | MTD Parts

Shop Yard Machines Parts | MTD Parts

Cub Cadet Parts International Harvester IH Cub Cadet ... Diagrams, mowers, attachments and sell Genuine OEM parts for Cub Cadets. We also carry Kohler engine parts, OEM Seats, Brinly Sleeve hitch and Cat. 0 3 point hitches, Duff Norton electric lift parts, Case IH and Cub Cadet paint and decals. IH Cub Cadet Mufflers, exhaust system parts as well as drive clutch and PTO clutch parts.

MTD Lawn Tractor | 13A1762F500 | eReplacementParts.com

MTD Lawn Tractor | 13A1762F500 | eReplacementParts.com

Mtd Riding Lawn Mower Wiring Diagram - Wiring Diagram Mtd Model 132-431F088 Lawn, Tractor Genuine Parts - Mtd Riding Lawn Mower Wiring Diagram Wiring Diagram consists of numerous detailed illustrations that present the link of varied things. It includes guidelines and diagrams for different varieties of wiring techniques and other items like lights, home windows, and so forth.

MTD Parts Lookup -13AN601H729 (2006)

MTD Parts Lookup -13AN601H729 (2006)

Briggs And Stratton Ignition Switch Wiring Diagram ... Briggs And Stratton Ignition Switch Wiring Diagram. When you employ your finger or the. Kohler Engine Key Switch Wiring Kohler Engine Parts Kohler Engines Electrical Diagram For Briggs Stratton Discount Parts Call 606-678-9623 or 606-561-4983. Briggs and stratton ignition switch wiring diagram. NORMALLY OPEN MOMENTARY SWITCH. WHEN KEY SWITCH IS TURNED CLOSES TO. Print the […]

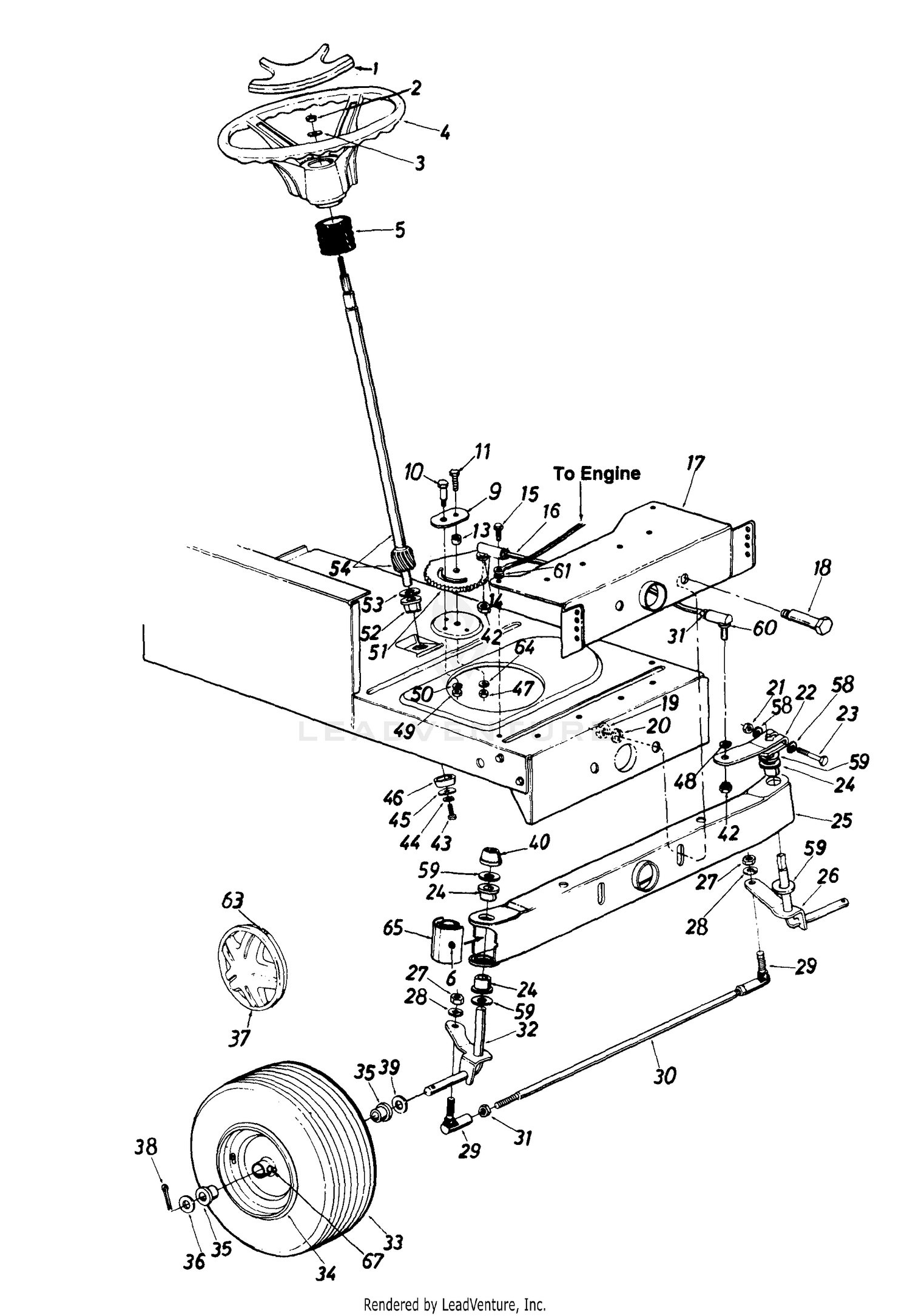
MTD 133R676G190 LT-14 (1993) Steering & Wheel Assembly

MTD 133R676G190 LT-14 (1993) Steering & Wheel Assembly

Wiring Diagram For Poulan Pro Riding Mower - easywiring Mtd model 132 431f088 lawn tractor genuine parts mtd riding lawn mower wiring diagram. Wiring diagram for gravely 812 wiring diagram sq pdf. Poulan pro riding mowers are backed by a 2 year limited warranty so you can feel confident behind your lawn investment. Looking for poulan model pr20h42sta front engine lawn pdf.

MTD 137-496A Lawn Mower User Manual | Manualzz

MTD 137-496A Lawn Mower User Manual | Manualzz

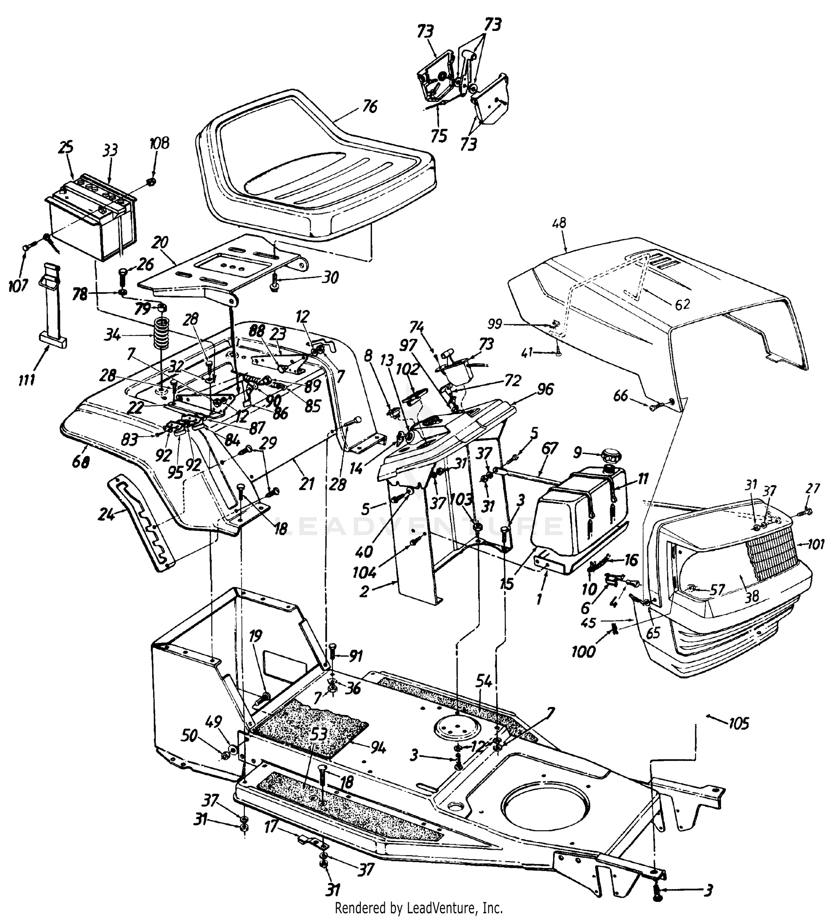
Details about MTD 1987 Riding Mower & Lawn Tractor Master Parts Manual  137-320 thr 137-776-000

Details about MTD 1987 Riding Mower & Lawn Tractor Master Parts Manual 137-320 thr 137-776-000

Parts lookup - HUSTLER MINI Z - HUSTLER MINI Z Model 927244 ...

Parts lookup - HUSTLER MINI Z - HUSTLER MINI Z Model 927244 ...

MTD 13RL771H029 (2008) Parts Diagram for Steering

MTD 13RL771H029 (2008) Parts Diagram for Steering

mtd parts diagrams find your part for your tiller lawnmower ...

mtd parts diagrams find your part for your tiller lawnmower ...

Outdoor Power Equipment Parts: Use the Part Finder Tool from ...

Outdoor Power Equipment Parts: Use the Part Finder Tool from ...

MTD 13AF608G062 front-engine lawn tractor parts | Sears ...

MTD 13AF608G062 front-engine lawn tractor parts | Sears ...

Troy-Bilt MTD White Tractor Lawn Mower Twin Grass Catcher Owner & Parts  Manual | eBay

Troy-Bilt MTD White Tractor Lawn Mower Twin Grass Catcher Owner & Parts Manual | eBay

Riding Mower Deck Belt Diagrams DIY Repair Manual AYP - MTD ...

Riding Mower Deck Belt Diagrams DIY Repair Manual AYP - MTD ...

MTD 760 ILLUSTRATED PARTS MANUAL Pdf Download | ManualsLib

MTD 760 ILLUSTRATED PARTS MANUAL Pdf Download | ManualsLib

MTD 13AL795T057 (2010) Parts Diagram for Mower Deck 46-Inch

MTD 13AL795T057 (2010) Parts Diagram for Mower Deck 46-Inch

MTD 13AN673G033 - MTD Lawn Tractor (2000) (Ace Hardware) Deck ...

MTD 13AN673G033 - MTD Lawn Tractor (2000) (Ace Hardware) Deck ...

Yard-Man MTD 247.379790 Walk-Behind 21

Yard-Man MTD 247.379790 Walk-Behind 21" Rotary Lawn Mower ...

MTD 13AM775S000 (2015) Parts Diagram for Mower Deck 42-Inch

MTD 13AM775S000 (2015) Parts Diagram for Mower Deck 42-Inch

MTD MTD Lt 1842 Mdl 130-678G118/28218 Lawn Tractor

MTD MTD Lt 1842 Mdl 130-678G118/28218 Lawn Tractor

Parts Manual for PREMIUM RIDER 33" (84cm) (2010) LT75 SERIES

Parts Manual for PREMIUM RIDER 33" (84cm) (2010) LT75 SERIES

C459-60408 Parts List for Craftsman 1985 Lawn Tractor – DR ...

C459-60408 Parts List for Craftsman 1985 Lawn Tractor – DR ...

Yard Machines 13AF560B352 (1997) - PartsWarehouse

Yard Machines 13AF560B352 (1997) - PartsWarehouse

Yard Machines 11A-439G729 Lawn Mower Owner's Manual | Manualzz

Yard Machines 11A-439G729 Lawn Mower Owner's Manual | Manualzz

MTD MTD Lawnflite 136-504-123 Parts Diagram for Parts

MTD MTD Lawnflite 136-504-123 Parts Diagram for Parts

MTD 133E667F702 - MTD Lawn Tractor (1993) (Builder's Square ...

MTD 133E667F702 - MTD Lawn Tractor (1993) (Builder's Square ...

MTD Lawn Mower: Model 13A5453F033 Parts & Repair Help ...

MTD Lawn Mower: Model 13A5453F033 Parts & Repair Help ...

MTD 184-387-000 : Electric Push Mower Parts List

MTD 184-387-000 : Electric Push Mower Parts List

0 Response to "37 Mtd Mower Parts Diagram"

Post a Comment

Iklan Atas Artikel

Iklan Tengah Artikel 1

Iklan Tengah Artikel 2

Iklan Bawah Artikel