37 Weed Eater Briggs And Stratton 300 Series Parts Diagram
Briggs and Stratton Engine Parts - ProPartsDirect Briggs & Stratton Engine Parts in stock at low prices. Use our Free Briggs Parts Diagrams to find Briggs Parts. Repair your Briggs and Stratton engine with air filters, spark plugs, oil filters, starters, and Briggs maintenance kits. OEM Briggs parts for Vanguard, ELS, Pro Series, Intek and Quantum... Briggs & Stratton 300 series User Manuals PDF... | Guidessimo.com ℹ Download Briggs & Stratton 300 series Manuals (Total Manuals: 1) for free in PDF. Guidesimo.com webproject is not an official service center of Briggs & Stratton trademark and does not carries out works for diagnosis and repair of faulty Briggs & Stratton 300 series equipment.
Weed Eater Weed Eater Parts Lookup by Model - Jacks Small ... Weed Eater Weed Eater Exploded View parts lookup by model. Complete exploded views of all the major manufacturers. It is EASY and FREE.

Weed eater briggs and stratton 300 series parts diagram
Amazon.com: Briggs and Stratton Engine Parts 1-16 of over 2,000 results for "Briggs and Stratton Engine Parts". Briggs and Stratton 104M02-0196-F1 Simpson 7.25 GT Vertical Shaft Engine, Black. Briggs and Stratton parts Briggs and Stratton has long been the leading manufacturer of small engines for outdoor power equipment. Click on your Briggs Model Series in the list below to view a printable parts diagram. The diagram will open as a pdf file in a new window. Find Manual & Parts List | Briggs & Stratton Whether you are putting your equipment away for the season or needing to replace a part, locate your equipment or engine manual to get the information specific to your Find the operator's manual or illustrated parts list for your Briggs & Stratton engine or product by following the instructions below.
Weed eater briggs and stratton 300 series parts diagram. Briggs and Stratton Illustrated Parts Diagrams | Lawnmower Pros Briggs and Stratton Illustrated Parts Diagrams available online from LawnMowerPros and ready to assist you in finding your repair parts. We are an Authorized Briggs and Stratton Small Engine Dealer carrying a large selection of Illustrated Parts Lists. Briggs & Stratton | PROFESSIONAL SERIES 120000 | User manual Repair Manuals for other Briggs & Stratton Engines: 277527 Single Cylinder DOV ® Air-Cooled Engines 273521 Twin Cylinder OHV Air-Cooled Engines The troubleshooting, testing, maintenance, and repair procedures described in this manual are appropriate for the Briggs & Stratton® engines... Weed Eater 961140007 Repair Parts Manual - ManualsLib View and Download Weed Eater 961140007 repair parts manual online. Rotary Lawn Mower. 961140007 lawn mower pdf manual download. ... lawn mower. Show thumbs. Briggs & Stratton Parts by Equipment | PartsTree Your Briggs & Stratton equipment has a factory model number and serial number on a sticker-like label or metallic tag attached to the unit in a place away from moving parts (usually near the handle, under the seat, or on the side of the unit). The best way to buy repair parts for your Briggs & Stratton...
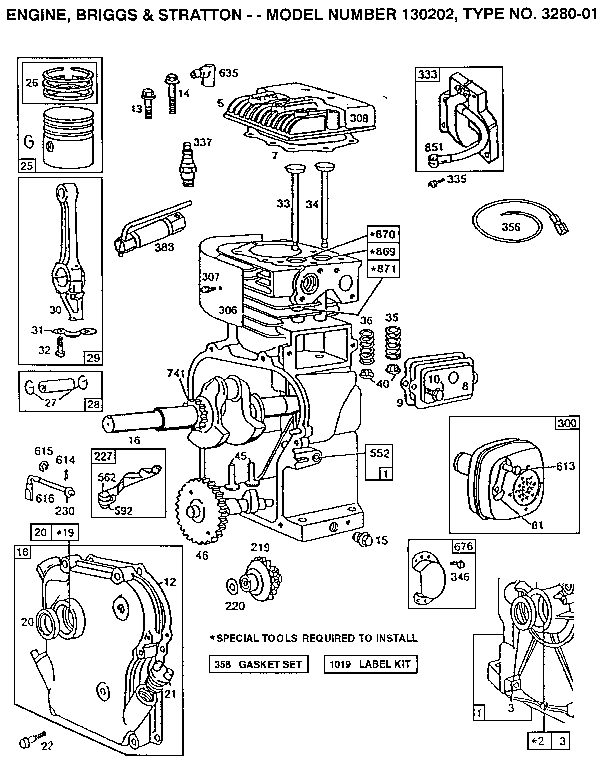
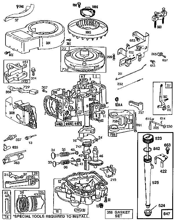
Briggs and Stratton Engine | 12A300 Series | eReplacementParts.com Briggs and Stratton 12A300 Series Engine Parts. Search within model. According to the Briggs and Stratton series number, 12A300. The primer for the carburetor is part number 790221. Item number 976 on page E of the parts diagram. Service Manual For Briggs and Stratton 16 HP Twin Cylinder L Head... ~41!4. BRIGGS & STRATTON CORPORATION Milwaukee, WI 53201 Part No. 271172-4199 Pr1nted In U.sA . Common Specifications All Model Series. Combustion chamber deposits should be removed every 100 300 hours or whenever cylinder heads are removed. Weed Eater Walk Behind Lawn Mower - e Replacement Parts Need to fix your WE300N20S Walk Behind Lawn Mower? Use our part lists, interactive diagrams, accessories and expert repair advice to make your repairs easy. Weed Eater 96114001404 gas walk-behind mower parts | Sears ... Weed Eater 96114001404 gas walk-behind mower parts - manufacturer-approved parts for a proper fit every time! We also have installation guides, diagrams and manuals to help you along the way!
SOLVED: A weed eater briggs and stratton lawn mower that - Fixya Weed Eater WE-ONE 26-Inch 190cc Briggs & Stratton 875 Series Gas Powered Riding Lawn Mower With Electric Start. MvBXD-Pump-Parts.pdf. user-manual-BXD... Comet BXD 2525 G... Step 2: Please assign your manual to a product Shop Weed Eater Lawn Mower Parts - Repair Clinic We stock all the replacement parts to maintain and repair your equipment, whether you use the light-weight Weed Eater WE450N20S push mower, the WE550N21RH 21-inch 3-in-1 mower, the WE550N21SH 2-in-1 mower, or any other model. Since Weed Eaters are powered by Briggs and Stratton engines, you’ll want to use genuine Briggs and Stratton parts to ... View and Download Briggs & Stratton 300 instruction manual online. Loading... Briggs & Stratton 300 user guide. Download for 1. Briggs & Stratton Corporation. Milwaukee, Wisconsin 53201. . Fire. Explosion. Moving Parts. Weed Eater Lawn Mower Parts | Same Day Shipping Johnny from BILOXI, MS says,. Purchased used mower. Both blade and discharge were in need of replacement. Discharge-catefully removed single 4" bolt that ...
Weed Eater 96112011700 gas walk-behind mower parts 1 Oct 2019 — Use your Sears.com account and we will show you the models you purchased at Sears. ... Weed Eater 96112011700 lawn mower diagram. Lawn mower.
Parts Lookup - Briggs & Stratton Online Store Parts Lookup Tool. This interactive page will allow you to find the exact replacement part you need, using official parts diagrams from the manufacturer. Even better, once you find your part, you can easily add it to your cart and check out – getting you up and running even faster. To begin, please click the brand of your engine or equipment.
Briggs And Stratton Engine Part | Briggs and Stratton... | PSEP.biz Whether it is Aftermarket Briggs and Stratton Engine Repair Parts or Original Equipment Briggs Parts by parts lookup diagrams, we have a very large inventory of Briggs and Stratton parts and For briggs & stratton original equipment parts with parts lookup diagrams...
How To Service A Briggs And Stratton 300 Series Petrol Lawnmower In this video, I show you how to service a Briggs And Stratton 300 series petrol lawnmower engine on this Mountfield sp 185 petrol lawnmower.Here's a link...
BRIGGS & STRATTON 300 SERIES... | ManualsLib View and Download Briggs & Stratton 300 series operator's manual online. BRIGGS & STRATTON ENGINE OWNER WARRANTY POLICY September 2008 LIMITED WARRANTY Briggs & Stratton Corporation will repair or replace, free of charge, any part(s) of the engine that is defective in material...
Find Manual & Parts List | Briggs & Stratton Whether you are putting your equipment away for the season or needing to replace a part, locate your equipment or engine manual to get the information specific to your Find the operator's manual or illustrated parts list for your Briggs & Stratton engine or product by following the instructions below.
Briggs and Stratton parts Briggs and Stratton has long been the leading manufacturer of small engines for outdoor power equipment. Click on your Briggs Model Series in the list below to view a printable parts diagram. The diagram will open as a pdf file in a new window.
Amazon.com: Briggs and Stratton Engine Parts 1-16 of over 2,000 results for "Briggs and Stratton Engine Parts". Briggs and Stratton 104M02-0196-F1 Simpson 7.25 GT Vertical Shaft Engine, Black.

42.7cc Weed Eater Gas Powered 2-in-1 Cordless Grass Trimmer/Edger, 2-Cycle Gas String Trimmer with 2 Detachable Head for Trimming Grass/Weed....
0 Response to "37 Weed Eater Briggs And Stratton 300 Series Parts Diagram"
Post a Comment