Iklan 300x250

38 1997 honda accord wiring diagram

1994-1997 Honda Accord Fuse Box Diagram Fuse Box Diagram Honda Accord Sedan, Coupe and Wagon - DX, EX, LX & EX-R (1993, 1994, 1995, 1996, 1997). 14.11.2019 (US:11.14.19), Category: Honda / Accord. Passenger Compartment. Honda Accord Free Workshop and Repair Manuals Honda Accord Workshop, repair and owners manuals for all years and models. Free PDF download for thousands of cars and trucks. Honda Accord Service and Repair Manuals. Every Manual available online - found by our community and shared for FREE. Enjoy!

Honda Accord Wiring Diagrams Honda - Accord Coupe - Wiring Diagram - 1991 - 1991. Other Manuals 4939 Pages. Honda Honda Accord Sedan Honda Accord Sedan 1997 Service Manual Supplement (62SN726).PDF.

1997 honda accord wiring diagram

1997 honda accord wiring diagram

Honda Accord 1994 - 1997 Service Manual - PDF Drive HondaAccord1994 - 1997ServiceManual. 1,379 Pages · 2000 · 49.66 MB · 125 Downloads. the engine (auto кондиционированияЭлектрика Honda Accord 1994 Shop Manual ... Essential Skills Manual - Automotive Service Technician. HONDA Accord Wiring Diagrams - Car Electrical Wiring Diagram Some HONDA Accord Wiring Diagrams are above the page. Honda Accord cars are available in two body versions: 2-door Coupe and 4-door Sedan. The 4-cylinder inline or 6-cylinder V-shaped (V-6) gasoline engines used to complete the models in question are installed transversely in front of the car... How To Honda Accord Stereo Wiring Diagram Fifth Generation Honda Accord (1994-1997) Stereo Wiring Diagram - The SOHC F series continues to evolve in this generation of Honda Accord, and the first DOHC H Series makes it's appearance. Styling that stands up to today's standards, the CD chassis is the perfect commuter car with enough...

1997 honda accord wiring diagram. Электросхемы На Автомобили Honda — Drive2 Электросхемы на следующие модели: Honda Accord DX 1990 Honda Accord EX 1990 Honda Accord LX 1990 Honda Civic 1990 Honda Civic CX 1997 Honda Civic del Sol S 1997 Honda Civic del Sol Si 1997 Honda Civic del Sol VTEC 1997 Honda Civic DX 1997 Honda Civic EX 1997 Honda... 1997- Honda Accord Vehicle Wiring Chart and Diagram Vehicle Wiring Details for your 1997- Honda Accord Wiring Diagram. Listed below is the vehicle specific wiring diagram for your car alarm, remote starter or keyless entry installation into your 1997- Honda Accord . 84 ACCORD WIRING DIAGRAM . - Honda-Tech - Honda Forum... As for the wiring diagram, which parts do u need. Engine, Interior, dash, etx... I need a wiring diagram of this connector. My car is Honda Accord 2.3 VTEC sedan. Sorry for my English. Honda Accord car stereo wiring color explained 1994-97... - YouTube Honda Accord car stereo wiring color explained 1994-97 How to install wires.

98 Honda Accord Wiring Diagram Image gallery for 98 honda accord wire diagram. 1984 85 accord engine. Wiring Diagram For 1998 Honda Accord Tips Electrical... 1997 Honda Accord Fuse layout — Ricks Free Auto Repair Advice... Honda Accord under hood fuse layout for 4-cylinder. 15 *1 100A *2 80A Battery, Power distribution 16 *3 40A *4 30A Rear window defogger, Noise condenser 17 40A Blower motor 18 50A Ignition switch (BAT) 19 20A Left headlight, Daytime running lights control unit (Canada) 20 20A Right headlight... Warning system Wiring Diagram of 1997 Honda CR-V Some HONDA Car Manuals PDF & Wiring Diagrams above the page - Civic, CR-V, Fit, Ridgeline, S2000, Accord, Odyssey, Element, Pilot; Honda Car EWDs. I have a 1997 Nissan D21 2WD pickup truck, and am in need of the correct wiring diagram please. 1997 Honda Accord Stereo Wiring Diagram - Wiring Diagram Source 1997 honda accord car stereo wire colors functions and locations. Fifth generation honda accord 19941997 stereo wiring diagram the sohc f series continues to evolve in this generation of honda accord and the first dohc h series makes its appearance.

1997 Honda Accord Exhaust System Diagram - Wiring Diagram... Our replacement exhaust parts fit and function just like factory without the oem price. Choose top quality brands ansa bosal flowmaster wal... Honda Accord (1994 - 1997) - fuse box diagram - Auto Genius Year of production: 1994, 1995, 1996, 1997. Passenger compartment. Honda Accord - fuse box diagram - passenger compartment fuse box. Honda Service Repair Manuals and Wiring (PDFs) 1997 Honda Odyssey EX System Wiring Diagrams. This manual has been prepared to help inspection and service works involving electric wiring of 1997 Honda Accord Sedan (CE7, CE8, CE9) Service Manual Supplement (62SN726) PDF. This supplement contains information for HONDA ACCORD. 1997 honda accord, canadian, headlight wiring diagram - Fixya SOURCE: headlight wiring diagram 95 honda accord lx. Honda Accord 1997 looses power while driving The Green key warning light flashes then red warning lights appear.

2010 honda accord v6 firing order

2010 honda accord v6 firing order

HONDA ACCORD SERVICE MANUAL Pdf Download | ManualsLib View and Download Honda Accord service manual online. Accord automobile pdf manual download. Also for: 1994 accord coupe, Accord 94, Accord coupe 1995, Accord coupe 1996, Accord coupe 1997.

JOINT,ECM TUBE for ACCORD 1991 (M) 4DR EX (KA,KL) - order at ...

JOINT,ECM TUBE for ACCORD 1991 (M) 4DR EX (KA,KL) - order at ...

1997 Honda Accord Stereo Wiring Diagram - Wiring Site Resource One of the most time consuming tasks with installing a car stereo car radio car speakers car amplifier car navigation or any mobile electro...

97 EX A/C only runs when thermoswitch Jumpered - Honda Accord ...

97 EX A/C only runs when thermoswitch Jumpered - Honda Accord ...

Honda Accord 1998 - 2002 Service Manual COMPLETE | PDF | Airbag Honda Radio Wire Diagram. Honda Accord Alarm Wiring Chart. Tampering with, disconnecting, or using test equipment on the srs wiring can make the system inoperative or cause accidental deployment.

Distributor Wiring Diagram: I Need a Engine Wiring Diagram ...

Distributor Wiring Diagram: I Need a Engine Wiring Diagram ...

How To Honda Accord Stereo Wiring Diagram Fifth Generation Honda Accord (1994-1997) Stereo Wiring Diagram - The SOHC F series continues to evolve in this generation of Honda Accord, and the first DOHC H Series makes it's appearance. Styling that stands up to today's standards, the CD chassis is the perfect commuter car with enough...

Ignition System Wiring Diagram (1996-1997 1.6L Honda Civic)

Ignition System Wiring Diagram (1996-1997 1.6L Honda Civic)

HONDA Accord Wiring Diagrams - Car Electrical Wiring Diagram Some HONDA Accord Wiring Diagrams are above the page. Honda Accord cars are available in two body versions: 2-door Coupe and 4-door Sedan. The 4-cylinder inline or 6-cylinder V-shaped (V-6) gasoline engines used to complete the models in question are installed transversely in front of the car...

1994-1997 2.2L Honda Accord Radiator Cooling Fan Wiring Diagram

1994-1997 2.2L Honda Accord Radiator Cooling Fan Wiring Diagram

Honda Accord 1994 - 1997 Service Manual - PDF Drive HondaAccord1994 - 1997ServiceManual. 1,379 Pages · 2000 · 49.66 MB · 125 Downloads. the engine (auto кондиционированияЭлектрика Honda Accord 1994 Shop Manual ... Essential Skills Manual - Automotive Service Technician.

GROUND DISTRIBUTION – Honda Accord LX 1997 – SYSTEM WIRING ...

GROUND DISTRIBUTION – Honda Accord LX 1997 – SYSTEM WIRING ...

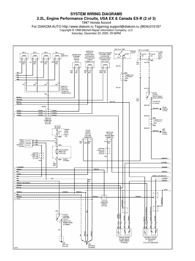
System Wiring Diagrams 2.2L, Engine Performance Circuits, USA ...

System Wiring Diagrams 2.2L, Engine Performance Circuits, USA ...

File:1997-2001 Honda Accord V6 sedan (2011-04-02) 02.jpg ...

File:1997-2001 Honda Accord V6 sedan (2011-04-02) 02.jpg ...

HONDA Car Radio Stereo Audio Wiring Diagram Autoradio ...

HONDA Car Radio Stereo Audio Wiring Diagram Autoradio ...

Honda Accord (1994-1997) Fuse Box Diagrams

Honda Accord (1994-1997) Fuse Box Diagrams

Part 2 -1994-1997 2.2L Honda Accord Starter Motor Wiring Diagram

Part 2 -1994-1997 2.2L Honda Accord Starter Motor Wiring Diagram

Honda Accord Coupe, Aerodeck (1994-1996) - Service Manual ...

Honda Accord Coupe, Aerodeck (1994-1996) - Service Manual ...

Honda Accord 97 V4 cigarette lighter outlet not working ...

Honda Accord 97 V4 cigarette lighter outlet not working ...

Some Help with Audio Wiring Diagram! | Honda CR-Z Hybrid Car ...

Some Help with Audio Wiring Diagram! | Honda CR-Z Hybrid Car ...

97 honda accord front driver side window not working ...

97 honda accord front driver side window not working ...

1997 Honda Accord EX Taillights Dash lights out - Page 2 ...

1997 Honda Accord EX Taillights Dash lights out - Page 2 ...

15+ 1997 Honda Accord Engine Wiring Diagram - Engine Diagram ...

15+ 1997 Honda Accord Engine Wiring Diagram - Engine Diagram ...

Honda Accord 97-02 CF4/CL1 UltraRacing Rear Sway Bar 19mm

Honda Accord 97-02 CF4/CL1 UltraRacing Rear Sway Bar 19mm

Diagram of location for honda accord 1997 turn signal - Fixya

Diagram of location for honda accord 1997 turn signal - Fixya

How To Honda Accord Stereo Wiring Diagram

How To Honda Accord Stereo Wiring Diagram

15+ 1997 Honda Accord Engine Wiring Diagram - Engine Diagram ...

15+ 1997 Honda Accord Engine Wiring Diagram - Engine Diagram ...

EXTERIOR LIGHTS – Honda Accord LX 1997 – SYSTEM WIRING ...

EXTERIOR LIGHTS – Honda Accord LX 1997 – SYSTEM WIRING ...

1997 Honda Accord Power window wiring diagram - Questions ...

1997 Honda Accord Power window wiring diagram - Questions ...

Honda Civic Coupe Questions - 97 civic won't start - CarGurus

Honda Civic Coupe Questions - 97 civic won't start - CarGurus

HONDA ACCORD Wire Color Archives

HONDA ACCORD Wire Color Archives

HONDA Accord Wiring Diagrams - Car Electrical Wiring Diagram

HONDA Accord Wiring Diagrams - Car Electrical Wiring Diagram

INSTRUMENT CLUSTER – Honda Accord SE 1997 – SYSTEM WIRING ...

INSTRUMENT CLUSTER – Honda Accord SE 1997 – SYSTEM WIRING ...

Scag SVRII-36A-19FX (V-Ride) (S/N N6000001-N6099999) Part No ...

Scag SVRII-36A-19FX (V-Ride) (S/N N6000001-N6099999) Part No ...

Fuel Pump Circuit Diagram (1995-1997 2.7L Honda Accord)

Fuel Pump Circuit Diagram (1995-1997 2.7L Honda Accord)

Honda Civic 97 Wiring Diagram

Honda Civic 97 Wiring Diagram

97-'02 Honda Accord Fuse Diagram

97-'02 Honda Accord Fuse Diagram

HEADLIGHTS – Honda Accord DX 1997 – SYSTEM WIRING DIAGRAMS ...

HEADLIGHTS – Honda Accord DX 1997 – SYSTEM WIRING DIAGRAMS ...

Amazon.com: New Distributor Replacement For Honda Accord ...

Amazon.com: New Distributor Replacement For Honda Accord ...

1996 Honda Accord Wiring - Honda Accord Forum - Honda Accord ...

1996 Honda Accord Wiring - Honda Accord Forum - Honda Accord ...

TRANSMISSION – Honda Accord LX 1997 – SYSTEM WIRING DIAGRAMS ...

TRANSMISSION – Honda Accord LX 1997 – SYSTEM WIRING DIAGRAMS ...

1997 Honda Accord Fuse layout — Ricks Free Auto Repair Advice ...

1997 Honda Accord Fuse layout — Ricks Free Auto Repair Advice ...

Sunroof wiring. - Honda-Tech - Honda Forum Discussion

Sunroof wiring. - Honda-Tech - Honda Forum Discussion

0 Response to "38 1997 honda accord wiring diagram"

Post a Comment

Iklan Atas Artikel

Iklan Tengah Artikel 1

Iklan Tengah Artikel 2

Iklan Bawah Artikel