Iklan 300x250

38 craftsman hydrostatic transmission diagram

Home:Lawn & Garden Parts:Craftsman Parts:Craftsman HYDROSTATIC DRIVE TRACTOR Manual. A Hydrostatic Transmission is basically a hydraulic variable displacement pump with a hydraulic Checkwiring See eleci.rical wiring diagram in the RERAIR PARTS section of this manual. Jan 16, 2022 · There are lots of transmission and transaxle parts available for craftsman lawnmowers. Craftsman home page craftsman 6 lathe mk. Currently all sears lawn and garden tractors are sold under the craftsman or craftsman professional brand. Diagram, part list, diagram and part list.

Repair information and troubleshooting for Craftsman-brand riding lawnmowers. Tractor transmission does not whine when brake is engaged, but when brake is released and tractor moves forward the transmission whines.

Craftsman hydrostatic transmission diagram

Craftsman hydrostatic transmission diagram

CRAFTSMAN GT5000 HI /LO MANUAL TRANSMISSION TRANSAXLE 105401X. $140.00. Local Pickup. Was: $150.00. or Best Offer. 15 watching. Craftsman Lawn Tractor ... Oct 02, 2019 · Craftsman Hydrostatic Transmission Diagram 917289470 Craftsman 26 Hp 54 Inch Automatic Garden Tractor Manual. Craftsman Hydrostatic Transmission Diagram Craftsman 917259592 Hydro Gear Transaxle Model Number 310 0650. Craftsman Hydrostatic Transmission Diagram Craftsman T150 19 Hp Hydrostatic 46 In Riding Lawn Mower With. Hydro Gear Transaxle Diagram - Model Number 314-0510 - Craftsman 917.272464 Owner's Manual. 21.5 hp, 42" mower electric start automatic transmission.

Craftsman hydrostatic transmission diagram. Hydrostatic transmissions (HSTs) boast a long list of characteristics that make them the first choice for countless applications. The operating principle of hydrostatic transmissions (HSTs) is simple: A pump, connected to the prime mover, generates flow to drive a hydraulic motor, which is connected to... craftsman hydrostatic transmission. Thread starter Mike Dally. I need a diagram for a hydrolic pump 794788. A Hybrid Hydrostatic Transmission and Human-Safe Haptic Telepresence Robot. Fig. 2. A Diagram of a rolling-diaphragm cylinder. Contrary to a normal hydraulic cylinder, there is a sizable B. Hydrostatic Transmission Congurations. Bidirectional hydrostatic transmissions traditionally use. Craftsman Hydrostatic Transmission Diagram! craftsman hydrostatic drive View the latest news and breaking news today. Details: Craftsman Hydrostatic Transmission Diagram 917289470 Craftsman 26 Hp 54 Inch Automatic Garden Tractor Manual.

Hydrostatic transmission. 1. Department of Agricultural and Food Engineering Indian Institute of Technology, Kharagpur Presented by Rajeev Block diagram of proposed drive train of hydrostatic transmission for tractor. 3. Closed circuit HST. 4. 1. Open circuit transmission • It is Fixed speed... From CRAFTSMAN's gas lawn mowers, cordless lawn mowers, and corded lawn mowers, we've got the match for you. Find the lawn mower that meets the demands of your yard. Transmission Hydrostatic Oil 2009 craftsman gt5000 garden tractor *Transmission (Hydro-Gear G730) is serviceable with an a ... How to Check Fluid in a Craftsman Hydro Transmission. Craftsman riding lawn mowers use a hydrostatic transmission to help the ... Craftsman repair parts and parts diagrams for Craftsman 917.252521 - Craftsman Lawn Tractor.

The Craftsman GT3000 garden tractor lawn mower is a fairly powerful machine from the team at Craftsman. Sometimes this garden tractor model is It transfers power to the rear wheels through a hydrostatic transmission. This transmission gives the GT 3000 unlimited speeds going forwards as... Craftsman Lawn & Garden Tractors ( 221 Models ) 13A-344-799 - Craftsman Lawn Tractor (2004) (Sears) 247.202420 (13AQA1ZT299) - Craftsman T8200 Lawn Tractor (2016) 247.203700 (13A277XS099) - Craftsman T1000 Lawn Tractor (2014) I believe that Craftsman uses Hydro Gear transaxles. Most of those take 20W50 motor oil. There should be a plug at the top of the transaxle where you can check the level, number 109 in the diagram is the typical location for those transaxels. Feb 16, 2019 - How to troubleshoot Hydrostatic transmission . See more ideas about transmission, hydraulic systems, valve amplifier. How to troubleshoot Hydrostatic transmission.

Craftsman 24HP 48” Hydrostatic Transmission Turn Tight ...

Craftsman 24HP 48” Hydrostatic Transmission Turn Tight ...

How to change Craftsman lawn tractor transmission fluid DIY. I searched high and low but could not find any instructions for this maintenance task so I...

Craftsman 247.270421 (13BQA1ZT099) - Craftsman T8200 Lawn ...

Craftsman 247.270421 (13BQA1ZT099) - Craftsman T8200 Lawn ...

Craftsman Tractor Belt Diagram | ... for installing a transmission to engine ... How to Test a Hydrostatic Transaxle Yard Tractors, Lawn Mower Tractor, ...

Craftsman 247.203791 (13AP79XT099) - Craftsman T1900 Lawn ...

Craftsman 247.203791 (13AP79XT099) - Craftsman T1900 Lawn ...

Craftsman Hydrostatic Transmission Diagram Craftsman T150 19 Hp Hydrostatic 46 In Riding Lawn Mower With. Sears Craftsman Riding Lawn 12 5 Tractor Mower Owner Parts 28 Craftsman Mower Parts Diagram Wiring List Craftsman 3 One Convertible 917 37459 Lawn Mower User Manual.

3/4in Impact Wrench Parts | RGCParts.com

3/4in Impact Wrench Parts | RGCParts.com

Craftsman exclusives craftsman lawn mowers tools. Craftsman proseries 27039 46 24 hp v twin kohler hydrostatic power steering turntight ext...

CRAFTSMAN T240 Turn Tight 22-HP V-twin Hydrostatic 46-in Riding Lawn Mower  with Mulching Capability (Kit Sold Separately)

CRAFTSMAN T240 Turn Tight 22-HP V-twin Hydrostatic 46-in Riding Lawn Mower with Mulching Capability (Kit Sold Separately)

Craftsman hydrostatic transmission diagram. However overall hours on the mower is low as well around 100 hours with 10 or so of them maybe more How to make your craftsman hydrostatic lawn mower go faster. Mtd Transaxle Diagram Wiring Diagrams. Pin On Tractor And Mower Stuff.

Craftsman 917204010 front-engine lawn tractor parts | Sears ...

Craftsman 917204010 front-engine lawn tractor parts | Sears ...

Craftsman Hydrostatic Transmission Diagram. Posted on December 8, 2018December 8, 2018. Sponsored links. Diagram Of The Circulatory System For 5th Grade. Electron Distribution Diagram Of Carbon. Paccar Mx 13 Engine Diagram.

Craftsman Lawn Mower 247.28905 User Guide | ManualsOnline.com

Craftsman Lawn Mower 247.28905 User Guide | ManualsOnline.com

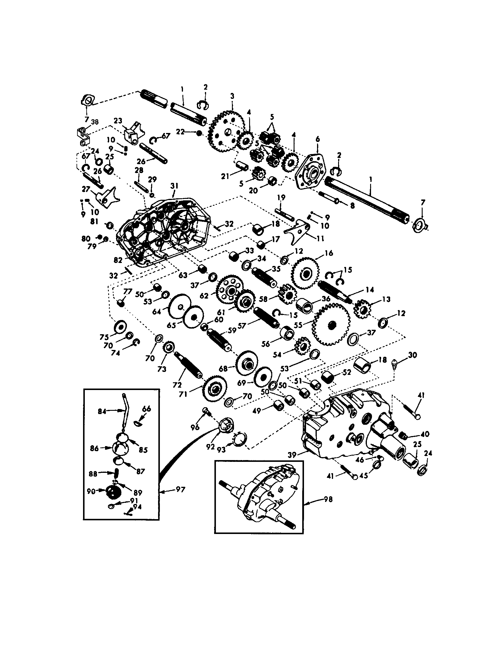
Here are the diagrams and repair parts for Craftsman 536252570 hydrostatic drive tractor, as well as links to manuals and error code tables, if available.

I have a 2004 craftsman LT2000 with a hydro transmission. I'm ...

I have a 2004 craftsman LT2000 with a hydro transmission. I'm ...

My Troybuilt Hydrostatic Super Bronco will not engage forward or reverse . There is no resistance to the pedal. Rick I have a Craftsman mid engine rider 13.5 HP Electric start Mower/Mulcher Hydrostatic Drive mower that does not go forwards or backwards.

Craftsman Lawn Tractor | 917203830 | eReplacementParts.com

Craftsman Lawn Tractor | 917203830 | eReplacementParts.com

Craftsman Hydrostatic Transmission Fluid Change. Is this a common problem with these hydrostatic transmissions? Craftsman DLT 20I am new to this discussion boar but not. As the title says I having problems with my.

IMT PIN, DRIVE LOCK - 72661487

IMT PIN, DRIVE LOCK - 72661487

Craftsman Hydrostatic Transmission Diagram! study focus room education degrees, courses structure, learning courses. Craftsman Hydrostatic Transmission Diagram - Wiring Diagram. › Best Education the day at www.jumpstarterdiscount.blogspot.com.

Craftsman 536252570 User Manual HYDROSTATIC DRIVE TRACTOR ...

Craftsman 536252570 User Manual HYDROSTATIC DRIVE TRACTOR ...

Additional riding lawn mower repair, troubleshooting tips, help with finding your Main. problems, john deere 125 lawn tractor parts diagram, craftsman riding ...

Z 6200 Craftsman Zero Turn Model 917.204130 Ground Belt ...

Z 6200 Craftsman Zero Turn Model 917.204130 Ground Belt ...

Craftsman Hydrostatic Transmission Diagram Craftsman 917259592 Hydro Gear Transaxle Model Number 310 0650. gt5000 manual transmission craftsman gt5000 garden tractor manual2004 sears craftsman gt5000 manualcraftsman gt5000 transmission oilcraftsman gt 5000 transaxle2004...

MTD YT542K 13AV90GS897 (2012) 13AV90GS897 (2012) Transmission ...

MTD YT542K 13AV90GS897 (2012) 13AV90GS897 (2012) Transmission ...

It is a hydrostatic transmission and has no belts or chains. Thank you for your time, consideration, and cooperation. We tried to locate the transmission pulley in our owners manual with no luck. Having said that, could you tell us which belt needs replaced, how to go about...

Craftsman 917275034 front-engine lawn tractor parts | Sears ...

Craftsman 917275034 front-engine lawn tractor parts | Sears ...

Eaton 11 Hydrostatic Transmission - Free download as PDF File (.pdf), Text File (.txt) or read online for free. Flow Diagrams Model 11 *Relief Valve 35 bar [500 PSI] Optional Auxiliary Circuit (Provided by Customer) Sump cooled gear box, RV* Valve axle housing, etc. (shown with optional acceleration...

Craftsman 247.270480 (14A7A5ZQ099) - Craftsman G8200 Garden ...

Craftsman 247.270480 (14A7A5ZQ099) - Craftsman G8200 Garden ...

Oct 03, 2021 · Craftsman Hydrostatic Transmission Diagram 917289470 Craftsman 26 Hp 54 Inch Automatic Garden Tractor Manual. If you are having issues with your mower battery not charging this video shows to connect up the charging system on a lawnmower. According to previous the lines at a Wiring Diagram For Craftsman Riding Lawn Mower represents wires.

Craftsman GT-- drive belt jumps off when brake is pressed ...

Craftsman GT-- drive belt jumps off when brake is pressed ...

Did you just search for the best craftsman hydrostatic transmission or something similar to that? If yes, then trust us, you have arrived at the right place. In this article, we will take a look at some of the best chosen affordable craftsman hydrostatic transmission that you can buy online.

Craftsman 28915 LT2500 46-Inch 22HP Kohler Hydrostatic Lawn ...

Craftsman 28915 LT2500 46-Inch 22HP Kohler Hydrostatic Lawn ...

hi, I bought a used craftsman tractor mower 4-5yrs ago, I think it's 10yrs old. v-twin turbo briggs and strat engine 20.5 hp. I had similar problems with my John Deere 175 Hydrostatic unit and it turned out it was low on fluid. It always showed to be full, but accepted about 8-ounces more oil as I purged it.

Craftsman Lt1000 Transmission Diagram | Store www.spora.ws

Craftsman Lt1000 Transmission Diagram | Store www.spora.ws

... Gear Transaxle Diagram - Craftsman 917.273241 Owner's Manual. Lawn tractor 25.0 hp, 48" mower electric start automatic transmission. Show thumbs.

Transmission Drive Belt Kevlar Fits Craftsman LT2000 Hydrostatic Mower  Replaces 170140

Transmission Drive Belt Kevlar Fits Craftsman LT2000 Hydrostatic Mower Replaces 170140

Repairing a Craftsman riding lawn mower? This video demonstrates the proper and safe way to disassemble a riding lawn mower and how to ...

CVT Automatic Transmissions – Simple To Use, Ideal For All ...

CVT Automatic Transmissions – Simple To Use, Ideal For All ...

Related Craftsman 28928 Manual Pages. Operation Manual - Page 1 ...176;I LAW TRACTO 24.0 HR* 46" Mower Electric Start Automatic Transmission Model No. 28928 • EspaSol, p. 34 This product has a low emission engine which operates differently from previously built engines.

2011 LT2000 drive belt | Tractor Forum

2011 LT2000 drive belt | Tractor Forum

Hydrostatic Transmission. Side Refine Panel. (11)11 product ratings - OEM Tuff Torq Hydrostatic Transmission Oil, Tuff Tech 3L 5W50 - 187Q0899000. "PARTS ONLY" Hydro Gear 356-0510 Hydrostatic Transmission / Transaxle Craftsman.

SOLVED: Reverse gradually fades to zero - Craftsman Riding ...

SOLVED: Reverse gradually fades to zero - Craftsman Riding ...

control system of hydrostatic transmission chassis is introduced and the control method of dual engine is solved. According to the number of driving axles in driving process, The external characteristic curve of the engine controls. Figure 2. Schematic diagram of the operation of the hydrostatic.

510 Crafts ideas in 2022 | wood diy, wood carving faces, wood ...

510 Crafts ideas in 2022 | wood diy, wood carving faces, wood ...

Craftsman 247.20400 series Manual Online: hydrostatic transmission, Engine Maintenance. The Hydrostatic Transmission Is Sealed At The Factory And Is Maintenance-Free. The Fluid Level Cannot Be Checked And The Fluid Cannot Be Changed.

Transaxle H2000-006A Craftsman 917.2736404 917.2736403 917.2736402  917.2736401 | eBay

Transaxle H2000-006A Craftsman 917.2736404 917.2736403 917.2736402 917.2736401 | eBay

Craftsman Hydrostatic Transmission Fluid Change on a Craftsman tractor Model Number 917.289720 What kind of fluid do HYDROSTATIC TRANSMISSIONS - Small Engine Information. Craftsman 17.5 hp 42 in. Deck Lawn... Craftsman 32cc Weedeater -- need fuel line diagram.

Craftsman DLT 3000 Lawn Tractor Hydro Gear Transmission ...

Craftsman DLT 3000 Lawn Tractor Hydro Gear Transmission ...

Craftsman Hydrostatic Transmission Diagram Craftsman T210 Turn Tight 18 Hp Hydrostatic 42 In Riding Lawn Mower. Free shipping on parts orders over $45.

Gravely 04438900 - HydroStatic Parts Diagram for Transmission ...

Gravely 04438900 - HydroStatic Parts Diagram for Transmission ...

Craftsman mower model 917289240 is a yts3000 with a hydrostatic drive. Used transaxles transmissions for your lawn tractor hydrogear transm...

Craftsman Intek Snow 13/33. How can I change or refill - Fixya

Craftsman Intek Snow 13/33. How can I change or refill - Fixya

Hydro Gear Transaxle Diagram - Model Number 314-0510 - Craftsman 917.272464 Owner's Manual. 21.5 hp, 42" mower electric start automatic transmission.

Craftsman Lt1000 Transmission Diagram | Store www.spora.ws

Craftsman Lt1000 Transmission Diagram | Store www.spora.ws

Oct 02, 2019 · Craftsman Hydrostatic Transmission Diagram 917289470 Craftsman 26 Hp 54 Inch Automatic Garden Tractor Manual. Craftsman Hydrostatic Transmission Diagram Craftsman 917259592 Hydro Gear Transaxle Model Number 310 0650. Craftsman Hydrostatic Transmission Diagram Craftsman T150 19 Hp Hydrostatic 46 In Riding Lawn Mower With.

Pin on Tim`s mower pics

Pin on Tim`s mower pics

CRAFTSMAN GT5000 HI /LO MANUAL TRANSMISSION TRANSAXLE 105401X. $140.00. Local Pickup. Was: $150.00. or Best Offer. 15 watching. Craftsman Lawn Tractor ...

SOLVED: Diagram for drive belt craftman 50in deck 6 speed - Fixya

SOLVED: Diagram for drive belt craftman 50in deck 6 speed - Fixya

Craftsman 917.259592 HYDRO GEAR TRANSAXLE - MODEL NUMBER 310-0650

Craftsman 917.259592 HYDRO GEAR TRANSAXLE - MODEL NUMBER 310-0650

Craftsman YT 3000 Manuals | ManualsLib

Craftsman YT 3000 Manuals | ManualsLib

How to Change Replace Main Transmission Drive Belt Craftsman Lawn Mower  Tractor Electric Clutch

How to Change Replace Main Transmission Drive Belt Craftsman Lawn Mower Tractor Electric Clutch

Sears Craftsman Hydro 20.0 h.p 42

Sears Craftsman Hydro 20.0 h.p 42" Riding Lawn Tractor Owners Manual 917.27682 | eBay

LT 1000 transmission problem | My Tractor Forum

LT 1000 transmission problem | My Tractor Forum

CRAFTSMAN 247.203721 OPERATOR'S MANUAL Pdf Download | ManualsLib

CRAFTSMAN 247.203721 OPERATOR'S MANUAL Pdf Download | ManualsLib

BELT 84214736 - New.Holland | AVSpare.com

BELT 84214736 - New.Holland | AVSpare.com

CRAFTSMAN T260 Turn Tight 23-HP V-twin Hydrostatic 50-in ...

CRAFTSMAN T260 Turn Tight 23-HP V-twin Hydrostatic 50-in ...

0 Response to "38 craftsman hydrostatic transmission diagram"

Post a Comment

Iklan Atas Artikel

Iklan Tengah Artikel 1

Iklan Tengah Artikel 2

Iklan Bawah Artikel