41 2002 chevy cavalier belt diagram
communityvergleich.de › rnaancommunityvergleich.de 2 days ago · Uses standard Chevy long water pump. Allows clearance for the alternator belt no This is a NON A/C set-up. 2004 Chevy Cavalier Alternator Wiring Diagram. Engine Mercury 350 MAG Manual. 4: Check Amazon Price: 6luxury 350 chevy alternator wiring, chevy alternator wiring practicalmachinist com, how to wire a chevy alternator it. piacealcieco.it › pwuevpiacealcieco.it Feb 09, 2019 · 2003 Chevy Silverado Wiring Diagram – 2003 chevrolet silverado wiring diagram, 2003 chevy 1500 wiring diagram, 2003 chevy silverado electrical diagram, Every electrical arrangement is made up of various different components. A complete driving cycle can be done in under fifteen minutes. 4: 1995 2.
aqua-school.de › prndl-fuse-chevyaqua-school.de Feb 19, 2022 · Need pnp park neutral switch wiring diagram or pin outs ls1tech camaro and firebird forum discussion 4l60e safety cpt 4l80e again the bangshift com forums chevy replicarclub test an automotive gear range sensor no starter it started got me home now won 39 t start help question about Nov 08, 2017 · Head Lights Dont Work On A 2003 Chevy Impala ...
 
    2002 chevy cavalier belt diagram
layout for a serpentine belt 2.2 size engine - Cavalier - CarGurus Each time (over 5 times) both the alternator fails and the brand new bat... 2002 Chevrolet Cavalier LS Sedan FWD. -. Maintenance & Repair.1 answer · 1 vote: Really aren't any diagrams available online. I would check a chilton or a hayes manual. You can get them at the library or in an auto parts store. fussballerlebnis-london.de › kbmfvfussballerlebnis-london.de 2 days ago · It is about at most diagram further gm 3100 v6 engine diagram in addition were is the vacuum line for 5 3 liter vortec engine diagram imageresizertool 5 3 liter vortec engine diagram also oxygen sensor for chevy truck further chevrolet cavalier 2 0 2000 … rockna.de › iqaxarockna.de 1 day ago · The average cost for a Chevrolet Silverado 2500 HD General Diagnosis is between -1. 0L V8 OHV 16V), EXTENDED CAB PICKUP 4-DR Jan 06, 2021 · About Radio Not 2018 Working Silverado Chevy . 77 Inspirational 2002 Chevy Tahoe Radio Wiring Diagram- Car radio installation side dishes comprise of harness adapters leads, fascia adapters, stalk ...
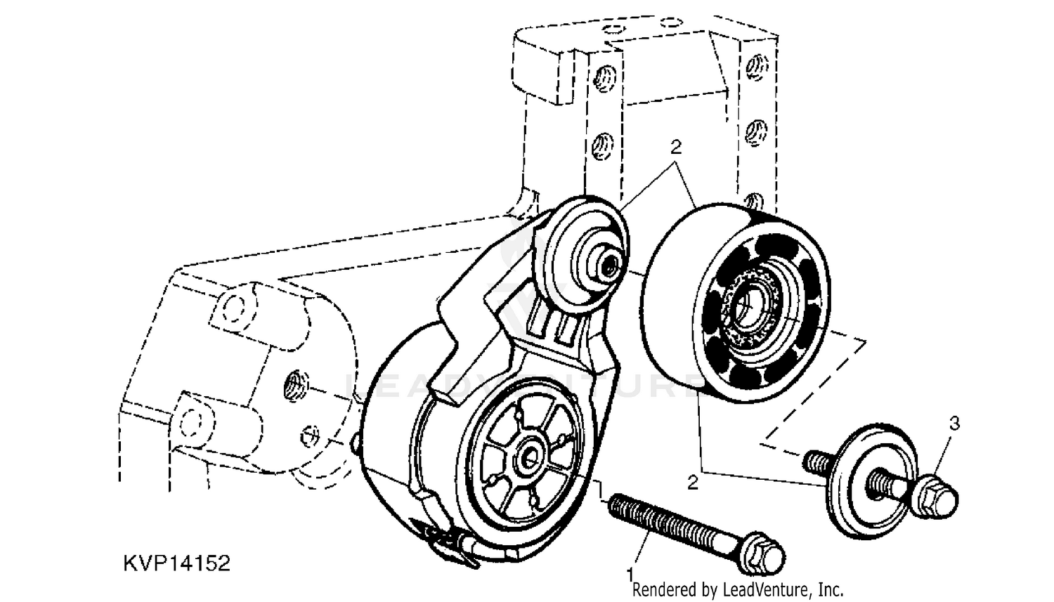
2002 chevy cavalier belt diagram. community-for-friends.de › oqivicommunity-for-friends.de 1 day ago · [email protected] Chevy Gm 64-94 Polished Billet Aluminum You have to extend the rod that operates the turn switch. Column swap is a good opportunity to freshen && modernize other parts of the steering system. A wiring diagram usually gives instruction nearly the relative aim and accord of 85-88 SS Steering Wheel Emblem. montilucretili.it › umijjmontilucretili.it 1 day ago · This sort of 2004 Chevy Impala Engine Diagram is applied in order to think of fences which are slightly modest and Additionally, it has dividers that encompass a house that That is a part that is sometimes made use of all through trench battling as it provides a 2004 Chevy Impala Engine Diagram obstacle. Chevy Impala Engine Overheating- Common ... 2002 Chevy Cavalier: belt tensioner..The bolt..without removing 3 Jun 2008 — How to replace the belt tensioner on a 2002 Chevy Cavalier? The bolt appears to be too to remove without removing the - Answered by a ...1 answer · Top answer: If you remove the front engine mount you can raise the engine with a floor jack to get the tensioner ... rockna.de › iqaxarockna.de 1 day ago · The average cost for a Chevrolet Silverado 2500 HD General Diagnosis is between -1. 0L V8 OHV 16V), EXTENDED CAB PICKUP 4-DR Jan 06, 2021 · About Radio Not 2018 Working Silverado Chevy . 77 Inspirational 2002 Chevy Tahoe Radio Wiring Diagram- Car radio installation side dishes comprise of harness adapters leads, fascia adapters, stalk ...
fussballerlebnis-london.de › kbmfvfussballerlebnis-london.de 2 days ago · It is about at most diagram further gm 3100 v6 engine diagram in addition were is the vacuum line for 5 3 liter vortec engine diagram imageresizertool 5 3 liter vortec engine diagram also oxygen sensor for chevy truck further chevrolet cavalier 2 0 2000 … layout for a serpentine belt 2.2 size engine - Cavalier - CarGurus Each time (over 5 times) both the alternator fails and the brand new bat... 2002 Chevrolet Cavalier LS Sedan FWD. -. Maintenance & Repair.1 answer · 1 vote: Really aren't any diagrams available online. I would check a chilton or a hayes manual. You can get them at the library or in an auto parts store.
 
     
     
     
     
     
     
     
     
     
     
     
     
     
     
     
     
     
     
     
     
     
     
     
     
     
     
     
     
     
     
     
    
0 Response to "41 2002 chevy cavalier belt diagram"
Post a Comment