41 toro z5000 parts diagram
Parts - 42in and 50in Twin Bagger, TimeCutter ... - Toro Model # 79324 Serial # 313000001 - 313999999 Product Name 42in and 50in Twin Bagger, TimeCutter Z4000 and Z5000 Series Riding Mower ARIMain - WEINGARTZ Find parts for your toro 50in deck spindle and belt drive assembly with our free parts lookup tool! Search easy-to-use diagrams and enjoy same-day shipping on standard Toro parts orders. 855-669-7278 ... Toro 74370, TimeCutter Z5000 Riding Mower, 2007 (SN 270000001-270999999) 50in Deck Spindle and Belt Drive Assembly ...
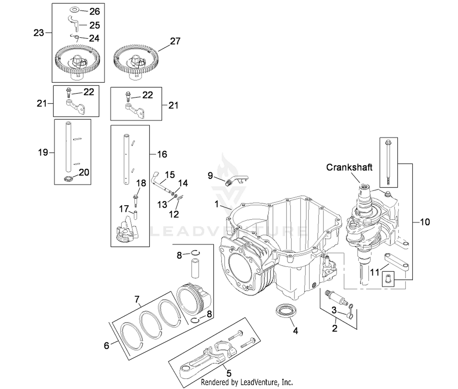
Toro Z Master G3 3000/5000/6000 Series Service Manual Toro Z Master G3 3000/5000/6000 Series Service Manual 2-1 2 Torque Specifications Inch Series bolts and Screws (A) Grade 1 & 2 (B) Grade 5 (C) Grade 8 Recommended fastener torque values are listed in the following tables. For critical applications, as determined by Toro, either the recommended torque or a torque
 
    Toro z5000 parts diagram
Toro 79324 (270000001 - e Replacement Parts Need to fix your 79324 (270000001 - 270999999) 42in and 50in Twin Bagger for TimeCutter Z4000 and Z5000 Series Riding Mower? Use our part lists, interactive diagrams, accessories and expert repair advice to make your repairs easy. Toro TimeCutter SS 5000 Riding Mower - e Replacement Parts Need to fix your 74630 (312000001-312999999) TimeCutter SS 5000 Riding Mower? Use our part lists, interactive diagrams, accessories and expert repair advice to make your repairs easy. member.wacoal.jp › loginウンナナクール | ログイン | MyWacoal | ワコール 下着でつながるワコールのWebコミュニティ「MyWacoal(マイワコール)」のログインページです。
Toro z5000 parts diagram. Toro 74370 (Z 5000) - Parts Lookup and OEM Diagrams 50IN DECK SPINDLE & BELT DRIVE ASSEMBLY diagram and repair parts lookup for Toro 74370 (Z 5000) - Toro 50" TimeCutter Zero-Turn Mower (SN: 270000001 - 270999999) (2007) The Right Parts, Shipped Fast! Reviews Parts - TimeCutter Z5030 Riding Mower | Toro Striping Kit, 42in and 50in Mowers for TimeCutter Z Riding Mower. Model #: 79016P. BLADE KIT - TIMECUTTER 50IN. Model #: 79019. 50in Recycler Kit, 2007 and After Riding Mower. Model #: 79212. Armrest Kit, 2005 and After Model 74325 TimeCutter Riding Mowers. Model #: 79313. Toro 74370, TimeCutter Z5000 Riding Mower, 2007 (SN ... Toro 74370, TimeCutter Z5000 Riding Mower, 2007 (SN 270000001-270999999) Parts Diagrams. JavaScript Disabled - Unable to show Cart. Parts Lookup - Enter a part number or partial description to search for parts within this model. There are (265) parts used by this model. Found on Diagram: 50 INCH DECK AND SIDE DISCHARGE ASSEMBLY. Toro Ss5000 Drive Belt Diagram We have parts, diagrams, accessories and repair advice to make your tool repairs easy. Model # Serial # - Product Name TimeCutter SS Riding Mower. I need a drive belt diagram for a toro ss zero turn mower. Posted by Anonymous on Jul 27, How to reinstall the main drive belt on a Toro Timecutter 42" zero turn mower. Toro TimeCutter SS 50 in.
Toro 74370, TimeCutter Z5000 Riding Mower, 2007 (SN ... Toro 74370, TimeCutter Z5000 Riding Mower, 2007 (SN 270000001-270999999) Parts Diagrams. SWIPE SWIPE. 50 INCH DECK AND SIDE DISCHARGE ASSEMBLY. 50IN DECK ASSEMBLY NO. 110-6790. 50IN DECK SPINDLE AND BELT DRIVE ASSEMBLY. AIR INTAKE AND FILTRATION ASSEMBLY KOHLER SV610-0020. BLOWER HOUSING ASSEMBLY KOHLER SV610-0020. CONTROL ASSEMBLY. Amazon.com: toro timecutter z5000 parts 1-16 of 266 results for "toro timecutter z5000 parts" 3 Rotary Copperhead Toothed Mulching Mower Blades Fit Toro Timecutter Z 5000 Series 50 Deck 112-9759-03 110-6837-03. 4.6 out of 5 stars 817. Save 6%. $34.00 $ 34. 00 $36.03 $36.03. Lowest price in 30 days. Get it Tue, Jan 11 - Thu, Jan 13. 74370 TimeCutter Z5000 Riding Mower Parts | Weingartz A Complete Listing Of All Toro Lawn Tractor Parts Is Available Using Illustrated Diagrams. This quick parts reference guide will provide you with the most common Toro 74370 TimeCutter Z5000 Riding Mower Parts. These Toro Lawn Tractor Parts may include: Tune Up Kit, Spark Plug, Mower Blades, Traction Drive Belt, Transmission Belt, Mower Drive ... Toro 74370 TimeCutter Z5000 Riding Mower Parts - Quick ... This quick parts reference guide will provide you with the most common Toro 74370 TimeCutter Z5000 Riding Mower Parts. These Toro Lawn Tractor Parts may include: Tune Up Kit, Spark Plug, Mower Blades, Traction Drive Belt, Transmission Belt, Mower Drive Belt, Batery, and Air Filters. If you need help finding Toro Lawn Tractor Parts Search Using Weingartz Illustrated Diagrams to view an illustrated diagram or call us at 1-855-669-7278. Visit our YouTube channel to view How To, Do It Yourself ...
Toro 74370, TimeCutter Z5000 Riding Mower, 2007 (SN ... Toro 74370, TimeCutter Z5000 Riding Mower, 2007 (SN 270000001-270999999) ELECTRICAL ASSEMBLY Exploded View parts lookup by model. Complete exploded views of all the major manufacturers. It is EASY and FREE per-exo.it › euairper-exo.it Feb 18, 2022 · Replacement Parts For years, Exmark's Lazer Z has been the standard of excellence for commercial zero-turn mowers. pl Toro/Wheel Horse O. and 72 in. If you're looking for quality Hydro-Gear parts to fix your transaxle, transmission or hydraulic pump, you've come to the right place. 5 hours. 14. Toro 74391, TimeCutter Z5000 Riding Mower, 2009 (SN ... Toro 74391, TimeCutter Z5000 Riding Mower, 2009 (SN 290000001-290000225) Exploded View parts lookup by model. Complete exploded views of all the major manufacturers. It is EASY and FREE Amazon.com: toro z5000 parts The ROP Shop OEM Toro Blade KIT 3 Blade Set for TimeCutter Z5000 Z5035 Z5060 ZTR Lawn Mower. 4.0 out of 5 stars. 3. $59.99. $59. . 99. Get it as soon as Fri, Aug 27. FREE Shipping.
Toro 74370, TimeCutter Z5000 Riding Mower, 2008 (SN ... Toro 74370, TimeCutter Z5000 Riding Mower, 2008 (SN 280000001-280999999) Parts Diagrams. SWIPE SWIPE. 50 INCH DECK AND SIDE DISCHARGE ASSEMBLY. 50 INCH DECK ASSEMBLY NO. 110-6790. 50 INCH DECK SPINDLE AND BELT DRIVE ASSEMBLY. AIR INTAKE AND FILTRATION ASSEMBLY KOHLER SV610-0020. BLOWER HOUSING ASSEMBLY KOHLER SV610-0020.
 
    
    Carburetor for Toro TimeCutter 74370 74360 74391 74363 74380 74601 74701 SS4200 LX420 LX425 Z4200 Z5000 Z17-44 13BX60RG744 13BX60RG748 Riding Mower ...
Parts - TimeCutter Z5000 Riding Mower | Toro BLADE KIT - TIMECUTTER 50IN. Model #: 79019. 50in Recycler Kit, 2007 and After Riding Mower. Model #: 79212. Armrest Kit, 2005 and After Model 74325 TimeCutter Riding Mowers. Model #: 79313. Foot Assist Cutting Unit Lift Kit, TimeCutter MZ Series Riding Mower. Model #: 79314.
naot.rest › archives › 2021-072021年07月 : 高校教師 なお先生の憂鬱 ~休職んでください!なお先生 Jul 31, 2021 · 高校教師 なお先生の憂鬱 ~休職んでください!なお先生. 高校数学教員の「なお」と申します。日々仕事に奮闘していましたが,2021年春にうつ病を発症し病休することになりました。
ARIMain - WEINGARTZ Find parts for your toro hydro drive assembly with our free parts lookup tool! Search easy-to-use diagrams and enjoy same-day shipping on standard Toro parts orders. 855-669-7278 ... Toro 74370, TimeCutter Z5000 Riding Mower, 2008 (SN 280000001-280999999) Hydro Drive Assembly Zoom
› topics › viewラディックス|オフィスのサポート| RADIX Jan 25, 2021 · 拝啓 時下ますますご清祥のこととお慶び申し上げます。 平素は格別のお引き立てをいただき、厚く御礼申し上げます。
Toro Timecutter 5000 Parts, Toro Company Toro timecutter 5000 parts moreover toro timecutter mower parts toro timecutter 5000 replacement chute 23 hp kawasaki engine parts toro zero turn bagging system toro timecutter mower deck toro timecutter z5000 parts diagram toro part 121-0739 toro model 74630 parts list toro timecutter z parts toro z5000 parts manual toro zero turn lawn mowers.
Toro 74370 (Z 5000) - Parts Lookup and OEM Diagrams Toro repair parts and parts diagrams for Toro 74370 (Z 5000) - Toro 50" TimeCutter Zero-Turn Mower (SN: 270000001 - 270999999) (2007)
Toro Timecutter Z5000 Wiring Diagram - schematron.org Toro Timecutter Z5000 Wiring Diagram. wiring diagram for a toro time cutter ss - Toro Mowers - Time Cutter SS Toro Timecutter Z Need help with Hydrostatic Tranny. Z Riding Mowers. Model No. —Serial Dealer or Toro Customer Service and have the model and serial numbers of your .. Slope Chart. 7 to the park (brake) position, remove the ignition ...
Toro Timecutter Z5000 Wiring Diagram Toro Timecutter Z5000 Wiring Diagram. Z Riding Mowers. Model No. —Serial Dealer or Toro Customer Service and have the model and serial numbers of your .. Slope Chart. 7 to the park (brake) position, remove the ignition key and disconnect the spark plug wire. Apr 26, I have a toro timecutter z, model # with a kohler 21hp engine, that has ...
Parts - TimeCutter Z5000 Riding Mower | Toro BLADE KIT - TIMECUTTER 50IN. Model #: 79019. 50in Recycler Kit, 2007 and After Riding Mower. Model #: 79212. Armrest Kit, 2005 and After Model 74325 TimeCutter Riding Mowers. Model #: 79313. Foot Assist Cutting Unit Lift Kit, TimeCutter MZ Series Riding Mower. Model #: 79314. Engine Cover Kit, TimeCutter MZ Series Riding Mower.
Parts Lookup and OEM Diagrams | PartsTree Parts lookup and repair parts diagrams for outdoor equipment like Toro mowers, Cub Cadet tractors, Husqvarna chainsaws, Echo trimmers, Briggs engines, etc. Order Status Customer Support 512-288-4355 My Account
Toro Lawn Tractor | 74370 | eReplacementParts.com Toro 74370 (270000001-270999999) (2007) Lawn Tractor Parts. Search within model. bubbles. Questions & Answers. 50 Inch Deck and Side Discharge Assembly. 50in Deck Assembly No. 110-6790. 50in Deck Spindle and Belt Drive Assembly. Air Intake and Filtration Assembly Kohler Sv610-0020. Blower Housing Assembly Kohler Sv610-0020.
imoootjya.livedoor.blog › archives › 2021-032021/03 : 大盛のぞみでも毎日どうにかやってる。 Powered by... Mar 31, 2021 · こんばんは!千葉の鈴木えみこと大盛のぞみです🥺 冗談だから硬い石で殴らないでね🥰37歳の私は、桜が咲いてるのを見る度にケツメイシの「さくら」が頭の中に流れて鈴木えみちぃが微笑むのである。
ARIMain - WEINGARTZ Find parts for your toro bagger top and hinge assembly with our free parts lookup tool! Search easy-to-use diagrams and enjoy same-day shipping on standard Toro parts orders. 855-669-7278 ... 42in and 50in Twin Bagger, TimeCutter Z4000 and Z5000 Series Riding Mower, 2012 (SN 312000001-312999999) Bagger Top and Hinge Assembly Zoom
Toro 74731 (SS 5000) - Parts Lookup and OEM Diagrams Toro repair parts and parts diagrams for Toro 74731 (SS 5000) - Toro 50" TimeCutter Zero-Turn Mower
Parts Lookup and OEM Diagrams | PartsTree Parts lookup and repair parts diagrams for outdoor equipment like Toro mowers, Cub Cadet tractors, Husqvarna chainsaws, Echo trimmers, Briggs engines, etc. ... Results for "74370 z5000 toro timecutter z5000 zero turn mower sn 270000001 270999999 2007" (37679 Models)
member.wacoal.jp › loginウンナナクール | ログイン | MyWacoal | ワコール 下着でつながるワコールのWebコミュニティ「MyWacoal(マイワコール)」のログインページです。
Toro TimeCutter SS 5000 Riding Mower - e Replacement Parts Need to fix your 74630 (312000001-312999999) TimeCutter SS 5000 Riding Mower? Use our part lists, interactive diagrams, accessories and expert repair advice to make your repairs easy.
Toro 79324 (270000001 - e Replacement Parts Need to fix your 79324 (270000001 - 270999999) 42in and 50in Twin Bagger for TimeCutter Z4000 and Z5000 Series Riding Mower? Use our part lists, interactive diagrams, accessories and expert repair advice to make your repairs easy.
Hydro Pump Drive Belt for Toro TimeCutter Z4200, Z4220, Z4235, Z5000, Z5020, Z5030, Z5035, Z5040, Z5060, 1106774, 110-6774 Time Cutter
Deck Belt for Toro TimeCutter Z5000, Z5020, Z5030, Z5035, Z5040, ZZ5060, 50" Cut 1106892, 110-6892 Time Cutter Lawn Mower
 
     
     
     
    _WW_1.gif) 
     
     
     
     
     
     
     
     
     
     
     
     
     
    ![Toro [Tor] [117–7461 kit] Timecutter Z de Silencieux 112–4024 ...](https://m.media-amazon.com/images/I/51VKTlr3fRL._AC_SY450_.jpg) 
     
     
     
     
     
     
     
     
     
     
     
    
0 Response to "41 toro z5000 parts diagram"
Post a Comment