Iklan 300x250

42 Coleman Evcon Air Conditioner Wiring Diagram

Coleman Mach Thermostat Wiring Diagram - Studying Diagrams Coleman Evcon thermostat Wiring Diagram Inspirational Diagram. Therell be main lines which are represented by L1 L2 L3 and so on. As stated previous the lines at a Coleman Mach Rv Thermostat Wiring Diagram signifies wires. Roof top air conditioner and any furnace with a 12 vdc control circuit. Sometimes the wires will cross. Coleman Mobile Home Electric Furnace Wiring Diagram ... Diagram Wiring For Mobile Home Furnace Full Version Hd. Goodman Hvac Wiring Diagrams Diagram T4. Coleman Mobile Modular Home Electric Furnace Eb20b Eb20d Eb20f. Troubleshooting Coleman S Blend Air Systems Mobile Home Repair. Nordyne Intertherm 5 Wire Er Relay Box 901995 Instructions. Installation Manual.

Coleman Evcon Furnace Parts - American Mobile Home Supply Coleman Evcon Replacement Parts. As a certified dealer of Coleman Evcon replacement parts we carry many different parts so that you can get the longest life possible life out of your furnace. Seeing as we carry so many products, it would be easiest to search our website for the part name or part number of the part you are looking for.

Coleman evcon air conditioner wiring diagram

Coleman evcon air conditioner wiring diagram

Coleman Evcon Thermostat Wiring Diagram Coleman Evcon Thermostat Wiring Diagram. Contact your local HVAC expert if in doubt or check where the wires go on your heatpump and check against the thermostat diagram for the. Coleman Evcon Presidential Mobilehomerepair Coleman from coleman evcon thermostat wiring diagram, source:wiringall.com The most common wiring is: This sometimes varies ... Coleman furnace wiring diagram - Ask Me Help Desk Coleman wiring diagram [ 1 Answers ] I am looking for a wiring diagram for a 3 ton coleman evcon heat pump M# BRHS0361BB I have looked all over the internet and can't find one. PLEASE HELP! :confused: 37 coleman evcon furnace wiring diagram - Diagram For You Wiring Diagram For Coleman Evcon Furnace. Coleman 3500a816 doesn t come on mobilehomerepair com i have a furnace the heating element comes but er motor does not you can hear thermostat click mobile home electric wiring diagram site resource parts quick reference guide repair evcon presidential need diagraphm for model number is eb15b serial 12c tstat or fan something else doityourself.

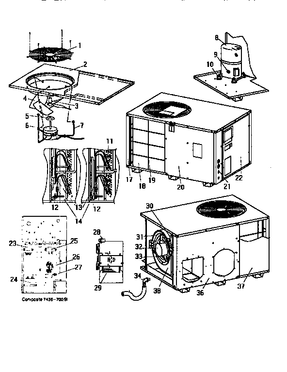
Coleman evcon air conditioner wiring diagram. Coleman Evcon Air Conditioner Fan Motor - Sante Blog Jul 14, 2018 · Evcon Wiring Diagram Directory. See also Low Carb Fried Shrimp Recipe. Air Conditioner Condensing Unit Fan Motor Part Number 1468 216p. Furnace er motor coleman evcon 02436237000 central air conditioner condenser fan furnace er motor wiring example diagram furnaces wiring schematics today schematic diagram. Coleman Evcon Mobile Home Furnace Parts | Review Home Co Coleman Evcon Wiring Diagram. S1 03101932002 Coleman Evcon Furnace Control Board. Heating And Air Conditioning Coleman Evcon Replacement Parts. 7900 7631 Upper Door Panel Mobile Home Repair. 025 41239 000 Heating Element 5 6kw Mobile Home Repair. 7900 6021b A C Control Box Mobile Home Repair. Coleman Mobile Home Gas Furnace Wiring Diagram - U Wiring 3400 series helms i need wiring diagram for model 3500 6901 a er assembly mobile coleman two wire thermostat 3500a816 doesn t come on 220 volt electric furnace 3115 3571r sequencer replacement parts quick fan central evcon presidential the heating element problem heat will not hvac talk air refrigeration have 818 and it. Coleman Evcon Furnace Wiring Diagram Sample May 20, 2018 · Size: 220.42 KB. Dimension: 960 x 720. DOWNLOAD. Wiring Diagram Sheets Detail: Name: coleman evcon furnace wiring diagram – coleman evcon gas furnace wiring diagram wonderful stain older thermostat bryant coleman evcon furnace manual mobile. File Type: JPG. Source: dikili.club. Size: 269.21 KB. Dimension: 620 x 579.

Coleman Evcon DRHS0481CB central air conditioner parts ... Coleman Evcon DRHS0481CB central air conditioner parts - manufacturer-approved parts for a proper fit every time! We also have installation guides, diagrams and manuals to help you along the way! Coleman Mach Thermostat Wiring Diagram - easywiring Coleman mach thermostat to furnace wiring diagram fritzing is a popular open source software program expected to put up to you create electronics prototypes. Roof top air conditioner and any furnace with a 12 vdc control circuit. A low voltage terminal strip on the front of the box connects to the low voltage control wires. Coleman Mach Control Box Wiring Diagram - easywiring Coleman mach ac wiring diagram control box thermostat coleman mach air conditioners control box kit 12 vdc cool only routing thermostat wiring zone. A low voltage terminal strip on the. I think the wiring diagram is on a printed sticker on the side of the water collector just i am ready to hook to the hunter thermostat and do not know which ... COLEMAN / EVCON IND. Air Conditioner/heat Pump(outside ... COLEMAN / EVCON IND. Air Conditioner/heat Pump(outside Unit) Manual L0612125

Coleman Evcon ERCQ0421BBA central air conditioner parts ... Coleman Evcon ERCQ0421BBA central air conditioner parts - manufacturer-approved parts for a proper fit every time! We also have installation guides, diagrams and manuals to help you along the way! 42 2001 chevy malibu wiring diagram Coleman evcon air conditioner wiring diagram Read more 43 uml class diagram cheat sheet. January 08, 2022 Download now of 1 UML Class-Diagram Cheatsheet Generalization public or protected method and variable of the parent. Aggregation can exists without the bank, too. Composition the bank. Coleman Eb15b Wiring Diagram - schematron.org Sep 30, 2018 · Need a wiring diagram for a Coleman (Evcon Model EB15B).A parts List and Part location diagram would also be helpful. The unit works. Coleman Air Conditioner Wiring Diagram, Coleman Heat Pump Wiring Diagram, Coleman Evcon EB15B, Coleman Evcon Circuit Board. Wiring Diagram For Coleman Evcon Furnace - schematron.org May 14, 2019 · Wiring Diagram For Coleman Evcon Furnace. Line Wiring Connections. . A gas-fired furnace for installation in a residential garage must be installed as specified in wiring diagram in this instruction. Coleman Gas Furnace Wiring Schematic - Coleman evcon furnace parts diagram carrier furnace parts. On the way to design the part is the reading up ...

Coleman Electric Wiring Diagram Rate Wiring Diagram Payne Ac ...

Coleman Electric Wiring Diagram Rate Wiring Diagram Payne Ac ...

Coleman Mobile Home Air Conditioner Wiring Diagram - Sante Blog Jul 22, 2018 · Pics of : Coleman Mobile Home Air Conditioner Wiring Diagram. Troubleshooting Coleman S Blend Air Systems Mobile Home Repair. Evcon wiring diagram example coleman wiring schematics today schematic diagram coleman eb15b wiring diagram today schematic coleman evcon wiring diagram kia 2 4l ford 600.

COLEMAN / EVCON IND. Furnace/Heater, Electric Manual L0611481

COLEMAN / EVCON IND. Furnace/Heater, Electric Manual L0611481

coleman mobile home gas furnace wiring diagram - IOT ... Heating And Air Conditioning Coleman Evcon Replacement Parts 7956 336p Gas Valve For Mobile Home Furnaces. Mobile home furnace wiring parts rewiring old coleman for eb23c installation manual pdf electric evcon works doesn t ugaa075buh gas hvac talk heating air refrigeration our eb20b isn two wire thermostat 7900 6021b a c control box colemamgas ...

Cool Intertherm Thermostat Wiring Schematic Photos ...

Cool Intertherm Thermostat Wiring Schematic Photos ...

Evcon Model No.brcq042c Capacitor Wiring Diagram Feb 10, 2018 · Look at the wiring diagram (pasted on one of the panels) and follow the wires Usually red orange or yellow) to the switch (may look like a rectangle plate with 2 . Jul 12, · I need a wiring diagram for a transformer on a coleman evcon mobile home furnace.

Do you the colors for mac 6 wires an what colors they go with ...

Do you the colors for mac 6 wires an what colors they go with ...

Wiring diagram for coleman evcon presidential gas furnace Coleman Presidential electric furnace [ 2 Answers ]. The blower fan on my electric furnace will not shut off without tripping the main breaker switch. It is an older furnace that had not been used all too often as I generally use a wood/coal stove for heating, but had been operating properly when I have used it.

What size in tons is a Coleman or Coleman Evcon heat pump or ...

What size in tons is a Coleman or Coleman Evcon heat pump or ...

39 international dt466 fuel system diagram 38 coleman evcon air conditioner wiring diagram January 08, 2022 When the heat of summer is beating down, nothing takes the edge off like the refreshing chill of air conditioning.

Coleman Mach 15 ac wiring question - Grand Design Owners Forums

Coleman Mach 15 ac wiring question - Grand Design Owners Forums

Coleman Evcon Thermostat - Real Estate, Apartment ... Discover Coleman Evcon Thermostat for getting more useful information about real estate, apartment, mortgages near you. Coleman Evcon Thermostat - Real Estate, Apartment, Mortgages Informations. Washington DC

EB23A Coleman Electric Furnace Parts – Tagged

EB23A Coleman Electric Furnace Parts – Tagged "Coleman ...

37 coleman evcon furnace wiring diagram - Diagram For You Wiring Diagram For Coleman Evcon Furnace. Coleman 3500a816 doesn t come on mobilehomerepair com i have a furnace the heating element comes but er motor does not you can hear thermostat click mobile home electric wiring diagram site resource parts quick reference guide repair evcon presidential need diagraphm for model number is eb15b serial 12c tstat or fan something else doityourself.

Rheem-Ruud Condenser Fan Motor 51-23053-11 wiring diagram

Rheem-Ruud Condenser Fan Motor 51-23053-11 wiring diagram

Coleman furnace wiring diagram - Ask Me Help Desk Coleman wiring diagram [ 1 Answers ] I am looking for a wiring diagram for a 3 ton coleman evcon heat pump M# BRHS0361BB I have looked all over the internet and can't find one. PLEASE HELP! :confused:

SERVICE MANUAL 12VDC WALL THERMOSTAT AIR CONDITIONING SYSTEMS ...

SERVICE MANUAL 12VDC WALL THERMOSTAT AIR CONDITIONING SYSTEMS ...

Coleman Evcon Thermostat Wiring Diagram Coleman Evcon Thermostat Wiring Diagram. Contact your local HVAC expert if in doubt or check where the wires go on your heatpump and check against the thermostat diagram for the. Coleman Evcon Presidential Mobilehomerepair Coleman from coleman evcon thermostat wiring diagram, source:wiringall.com The most common wiring is: This sometimes varies ...

Parts listing for a Coleman EB23B electric furnace. 22.6KW ...

Parts listing for a Coleman EB23B electric furnace. 22.6KW ...

COLEMAN / EVCON IND. Furnaces/Heaters Manual L0601021

COLEMAN / EVCON IND. Furnaces/Heaters Manual L0601021

SOLVED: Need wiring diagram for Coleman suncutter (self - Fixya

SOLVED: Need wiring diagram for Coleman suncutter (self - Fixya

HVAC Wiring Diagrams 2

HVAC Wiring Diagrams 2

SOLVED: Wiring diagram 8330-3851 - Fixya

SOLVED: Wiring diagram 8330-3851 - Fixya

hvac - replace old furnace blower motor with a new one but ...

hvac - replace old furnace blower motor with a new one but ...

EasyStart 364 (ASY-364-X20-IP) Installation Instructions for ...

EasyStart 364 (ASY-364-X20-IP) Installation Instructions for ...

Our EB20B electric furnace isn't working. The fan works full ...

Our EB20B electric furnace isn't working. The fan works full ...

Coleman Furnace Repair | Troubleshooting, Error Codes & More

Coleman Furnace Repair | Troubleshooting, Error Codes & More

DGAT056BDC Coleman Gas Furnace Parts – HVACpartstore

DGAT056BDC Coleman Gas Furnace Parts – HVACpartstore

SOLVED: I have replace the blower motor on a Coleman eb15b ...

SOLVED: I have replace the blower motor on a Coleman eb15b ...

True air replacement thermostat - Page 3 - Winnebago Owners ...

True air replacement thermostat - Page 3 - Winnebago Owners ...

Understanding HVAC Schematics - 1

Understanding HVAC Schematics - 1

Coleman EVCON wiring diagram. Blower runs with no heat. What ...

Coleman EVCON wiring diagram. Blower runs with no heat. What ...

Coleman Evcon Presidential - mobilehomerepair.com

Coleman Evcon Presidential - mobilehomerepair.com

Mobile Home Furnace Wiring & Parts Manuals Diagrams - Mobile ...

Mobile Home Furnace Wiring & Parts Manuals Diagrams - Mobile ...

COLEMAN / EVCON IND. Air Conditioner/heat Pump(outside Unit ...

COLEMAN / EVCON IND. Air Conditioner/heat Pump(outside Unit ...

Older model Coleman Furnace Blower Help! | DIY Home ...

Older model Coleman Furnace Blower Help! | DIY Home ...

Coleman Furnace Troubleshooting (With Photos) - Dengarden

Coleman Furnace Troubleshooting (With Photos) - Dengarden

ColemamGas

ColemamGas

COLEMAN / EVCON IND. Air Conditioner/heat Pump(outside Unit ...

COLEMAN / EVCON IND. Air Conditioner/heat Pump(outside Unit ...

Coleman Evcon BPCH0361BA central air conditioner parts ...

Coleman Evcon BPCH0361BA central air conditioner parts ...

Wiring Diagram Reference: Thermostatanalogwireheat Cool ...

Wiring Diagram Reference: Thermostatanalogwireheat Cool ...

Rewiring Old Coleman Furnace for Filtrete 3M50 Thermostat ...

Rewiring Old Coleman Furnace for Filtrete 3M50 Thermostat ...

Install Diagram for Single Zone Controller for Furrion Chill ...

Install Diagram for Single Zone Controller for Furrion Chill ...

Electrical symbols - Gray Furnaceman Furnace Troubleshoot and ...

Electrical symbols - Gray Furnaceman Furnace Troubleshoot and ...

Coleman Evcon Presidential - mobilehomerepair.com

Coleman Evcon Presidential - mobilehomerepair.com

Installation and service manuals for heating, heat pump, and ...

Installation and service manuals for heating, heat pump, and ...

Manuals Air Conditioners, Boiler Manuals, Furnace Manuals ...

Manuals Air Conditioners, Boiler Manuals, Furnace Manuals ...

Coleman Presidential II relay issue | DIY Home Improvement Forum

Coleman Presidential II relay issue | DIY Home Improvement Forum

Problem: How do I wire up my new thermostat? What do the wire ...

Problem: How do I wire up my new thermostat? What do the wire ...

Furnace Thermostat Wiring and Troubleshooting – HVAC How To

Furnace Thermostat Wiring and Troubleshooting – HVAC How To

Coleman evcon furnace works/doesn't work?? - DoItYourself.com ...

Coleman evcon furnace works/doesn't work?? - DoItYourself.com ...

0 Response to "42 Coleman Evcon Air Conditioner Wiring Diagram"

Post a Comment

Iklan Atas Artikel

Iklan Tengah Artikel 1

Iklan Tengah Artikel 2

Iklan Bawah Artikel