39 kubota b8200 parts diagram
Kubota Service Repair Manual Kubota Corporation is a tractor, construction equipment, mowers, utility vehicles and other heavy equipment manufacturer based in Osaka, Japan. The wide range of Kubota: service manual, owner's manual, workshop manual, repair manual, parts manual and shop manual we have will facilitate... sicilyfarm.it › pjklcsicilyfarm.it Kubota L5740 HSTC3 and a Kubota ZG222Z, 2013 BX25D,Custom Toyota fork Kubota BX Remote Fuel Filter WILL RECIEVE THE CORRECT PARTS FOR YOUR SPECIFIC SET UP. kubota v1505 for sale. All the filters in this kit are kubota brand just like the ones at the dealership but way cheaper priced.
Manuals - Kubota Engine Parts Direct | Authorized Dealer Download.

Kubota b8200 parts diagram
Kubota B8200 Owner Manual | Manualzz View online (52 pages) or download PDF (2 MB) Kubota B8200 Owner's manual • B8200 PDF manual download and more Kubota online manuals. If the ROPS is loosened or removed for any reason, make sure that all parts are reinstalled correctly before operating the tractor, Never modify or repair a... B8200, parts dimensions required, messicks data is no use! | Forum ...on any kubota parts lists, only if the part was to hand could it be measured to ensure the part i need to parts and other are incomplete there is no off the shelf solution other than to buy the parts new Did GWD's message get deleted or something? Rob, I have a B8200HST. If that is the same I'd be... Kubota manuals for Tractors, Mowers, Snowblower... | Kubota Canada Detailed owner's manual for Kubota products including Kubota Tractors, Kubota Mowers, Excavators, Utility Vehicles, Skid Steer, Track, Wheel Loaders & more. Find detailed owner information for your Kubota equipment Manuals.
Kubota b8200 parts diagram. Tractor Parts | New, Used, Rebuilt | All States Ag Parts Huge selection of new, used, and rebuilt tractor parts for John Deere, Massey Ferguson, Case IH, Ford, Kubota, Allis Chalmers and many more makes. Kubota B8200 Tractor: Maintenance and Servicing Kubota B8200D/B8200E Maintenance: Engine oil and filters, transmission/hydraulic fluid and filter, service intervals and capacities, replacement part Oil filter part number: HH150-32094. When change the filter, cleaning the housing is recommended. Check the oil level after installing a new filter. Parts for Kubota B8200DP 4WD Tractors | Coleman Equipment Kubota B8200DP Parts Diagram Lookup. Select a diagram, then click on the part to view details. Kubota requires email registration to access the parts catalog. All information gathered is considered confidential and will not be shared or sold to anyone outside of Coleman Equipment, Inc. We may use... Kubota Tractors Service Repair Manuals - Wiring Diagrams Workshop manuals, service manuals, repair manuals, parts, technical documentation and parts catalogs. Kubota service and workshop manuals. Kubota 7001B Service Manual Download. Kubota B1700, B2100, B2400 WSM - Electrical Wiring Diagrams Download.
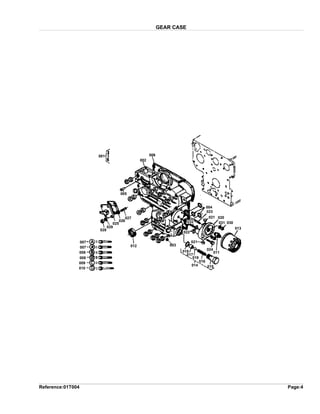
Kubota B8200 Parts - New and Aftermarket | Kubota The Kubota parts diagrams that are part of the manual are important in helping anyone to fit or repair a replacement part, either as part of a routine service, or because the part has become defective. The Kubota B8200 PDF manual has a number of sections, which would normally cover the following... Kubota B8200HST-DP Tractor Illustrated Master Parts List Manual Category: kubota Tags: Kubota B8200HST-DP, Kubota B8200HST-DP Tractor Illustrated Master, Kubota B8200HST-DP The Parts manual contains all the information you need to properly replace parts on your vehicle. Filled with illustrations and all part numbers. with step-by-step instruction... Find great deals on eBay for parts kubota b8200. Shop with confidence. Kubota B8200HST-DP Tractor PDF Illustrated Parts Manual Exploded-Diagrams on DVD. Parts Manual Made Fits Kubota Tractor Model B8200HST. Value-Added Content - Corrections, Updates, & Serial #s. Kubota workshop manuals free download - Truck manual, wiring... Kubota tractor workshop manuals, service manuals and wiring diagrams free download. Download. Kubota B8200 Tractor Operators Manual.pdf. 2.3Mb. Please do you have a Manuel or parts catalogue for Kubota zb1402 tractor. I need a clutch housing for it.
Kubota Spare Parts Catalog 1. spare part catalogues 2. repair manuals & instructions 3. wiring diagrams 4. hardware and software for diagnostics. Parts catalog includes detailed lists of spare parts and accessories for Kubota tractors B series, L series, M series, turf tractors, utility vehicle, construction machinery, power products. Заводские инструкции по ремонту двигателей kubota ‹ ТЕХНИЧЕСКАЯ ДОКУМЕНТАЦИЯ KUBOTA Вверх Заводская инструкция KUBOTA 03-M-E2B / Shop manual KUBOTA 03-M-E2B ›. Kubota parts catalog online EPC EPC Kubota parts catalog online Search for genuine and aftemarket parts. Login and pass to web free catalog. Search by your machine to find part numbers Part Number Information diagram sale online construction equipment excavator tractor parts manager pro is the electronic parts catalog (EPC) and... apps.kubotausa.com › illustrated-partsIllustrated Parts - apps.kubotausa.com We would like to show you a description here but the site won’t allow us.
This item Parts Manual - B8200 Compatible with Kubota B8200 Fits Kubota Tractor(s) B8200 (Diesel, 2 & 4 WD). Fits Kubota Tractor(s) B8200 (Diesel, 2 & 4 WD) No. of pages: 116 Numbered pictures give great detail on assembly and disassembly Guide with numbers for ordering parts included Manuals are either a new original manual from the original...
pocketopera.it › 3-point-hitch-telescoping-stabilizer[email protected] - pocketopera.it 1 day ago · All States Ag Parts is a leading supplier of used, new and rebuilt parts for tractors, combines and ag equipment. The Best Telescopes To Get Started in Stargazing. 72 Three Point Hitch 1550 - TRACTOR EPC John Deere online advisor sale parts diagram catalog 1550 - TRACTOR 72 Three Point Hitch EPC John Deere :: AVS. Stabilizer Kits.
kubota b8200 parts Kubota B8200 Parts. Click Here To View The Rest Of Our Inventory! Kubota b8200 parts tractor, rated at 16 PTO hp, Engine D950 19hp. 3 Cylinder Diesel, 2 Speed PTO. Manual Steering.
Kubota B8200 (B Series Compact) parts | UK branded tractor spares Buy Kubota B8200 (B Series Compact) Parts and a massive range of tractor replacement spare parts & accessories. Find parts quickly and easily using our exploded catalogue diagrams that enables you to This item fits Kubota B8200 (B Series Compact) Overall height: 75mm, OD: 81mm, Thread...
KUBOTA B8200 DP HST B-8200 Tractor Parts Manuals 390pgs... | Etsy Table of contents of the kubota B8200 CD tractor parts manual set: 1. general info and service tools 2 Tools, parts and service publications 17. Dynamos, wiring diagrams 18. Complete part number lists and numerical indexes.
Parts Manual Made for Kubota Tractor Model B8200 for sale... | eBay Трактор Kubota B8200DP частей Ассамблеи ручной каталог схемы сборки-разборки номера. "KUBOTA B8200DP TRACTOR PARTS MANUAL CATALOG. Exploded Views.
Kubota M8200 Manuals | ManualsLib Kubota M8200 Pdf User Manuals. View online or download Kubota M8200 Workshop Manual. We have 1 Kubota M8200 manual available for free PDF download: Workshop Manual. 4 Handling Precautions for Electrical Parts and Wiring.
Kubota B8200 Parts The Kubota B8200 was designed as a compact utility tractor. The Kubota B8200 was powered by a 19 hp 0.9L 3-cyl diesel engine. Click here for the Kubota B8200 parts diagram. Older tractors such as the Kubota B8200 Tractor, need replacement Kubota parts from time to time.
PDF Kubota B8200 Tractor Parts Manual (Accessories and Service Parts) . ··98. (Wiring Diagram}·· ... ···
TractorData.com Kubota B8200 tractor information Kubota B8200 tractor overview. B8200. → B9200. B1750 ↓. Production. Manufacturer: Kubota. Type: Compact Utility tractor.
KUBOTA Tractor Service Manuals PDF & Wiring Diagrams free... There're some KUBOTA Tractor Service Manuals, Parts Catalogs PDF & Wiring Diagrams above the page - b20, b21, b26, b1700, b2100, b4200, b5200, v3800 In 1890, in Osaka, 19-year-old Gonshiro Kubota based on his small foundry founded a company for the production and sale of foundry products.
Kubota manuals for Tractors, Mowers, Snowblower... | Kubota Canada Detailed owner's manual for Kubota products including Kubota Tractors, Kubota Mowers, Excavators, Utility Vehicles, Skid Steer, Track, Wheel Loaders & more. Find detailed owner information for your Kubota equipment Manuals.
B8200, parts dimensions required, messicks data is no use! | Forum ...on any kubota parts lists, only if the part was to hand could it be measured to ensure the part i need to parts and other are incomplete there is no off the shelf solution other than to buy the parts new Did GWD's message get deleted or something? Rob, I have a B8200HST. If that is the same I'd be...
Kubota B8200 Owner Manual | Manualzz View online (52 pages) or download PDF (2 MB) Kubota B8200 Owner's manual • B8200 PDF manual download and more Kubota online manuals. If the ROPS is loosened or removed for any reason, make sure that all parts are reinstalled correctly before operating the tractor, Never modify or repair a...
0 Response to "39 kubota b8200 parts diagram"
Post a Comment