39 troy bilt pony drive belt diagram
Troy-Bilt 15008 (21A-530-081) - Troy-Bilt Pony Rear-Tine ... 15008 (21A-530-081) - Troy-Bilt Pony Rear-Tine Tiller (SN: 0400101 - 1199999) > Parts Diagrams (10) Hide Bolo Tines & Wheels Drive Shaft, Input Pinion Shaft & Gear Assemblies bozeba.de Troy bilt hydrostatic drive belt diagram The engine harness connector on the Briggs and Stratton powered Troy-Bilt tractor also contains alternator andTroy-Bilt 547cc Lawn Tractor is powered by a refined and powerful 547cc Troy-Bilt® engine Built with a pedal operated CVT (continuously variable transmission) a.
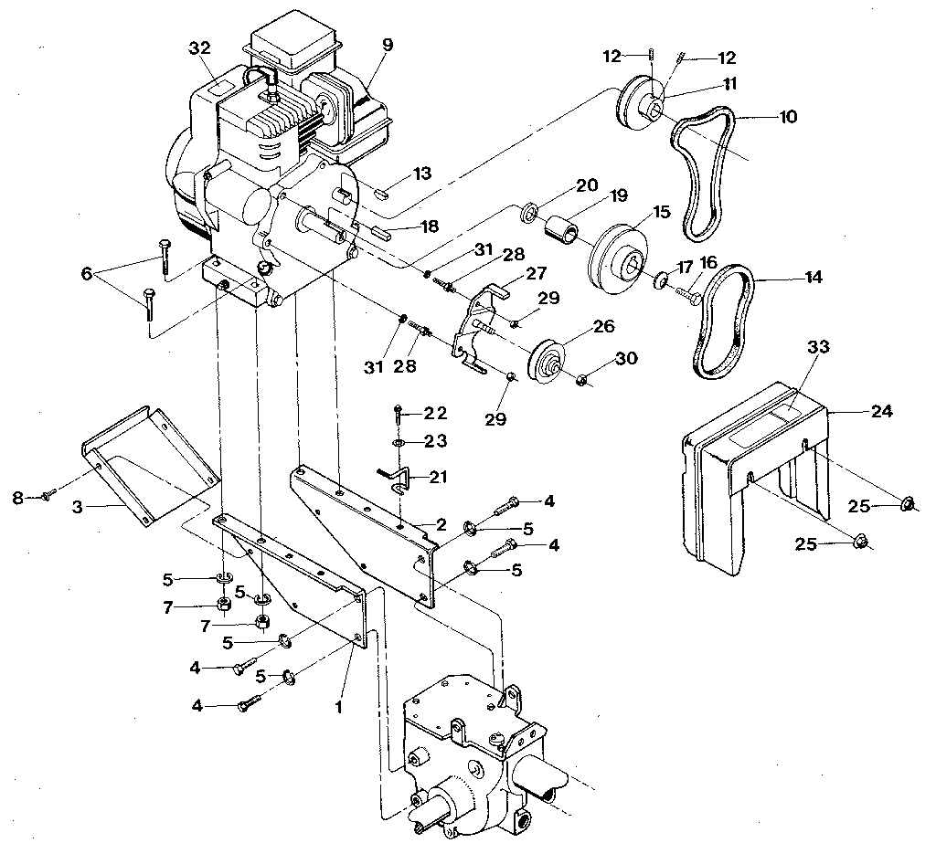
diagramweb.net › troy-bilt-pony-drive-belt-diagramTroy Bilt Pony Drive Belt Diagram Jan 11, 2018 · The upper drive belt on the inch Troy-Bilt lawn mower is the only serviceable Draw a diagram of how the belt routes around the pulleys on the mower deck. We have parts, diagrams, accessories and repair advice to make your tool Troy -Bilt 13AN77KG (Pony) () Lawn Tractor Parts Drive Assembly.Troy Bilt 13ANG Pony () Drive Exploded View parts lookup by model.

Troy bilt pony drive belt diagram
Troy Bilt Pony Lawn Tractor Drive Belt Removal - YouTube On this Troy Bilt Pony Lawn Tractor you have to take off the other 2 belts to remove the drive belt. This video was made as a demonstration on how to repair ... Troy-Bilt Parts Diagrams Lookup Parts by Diagram. Use our parts diagram tool below to find the parts you need for your machine. Select the model and year, then browse the parts diagrams to find the right part. Add to cart when you're ready to purchase and we'll ship it to you as soon as possible! Financing Now Available for Online Purchases.*. Learn More. diagramfinder.com › troy-bilt-pony-42-deck-beltTroy Bilt Pony 42 Deck Belt Diagram - Diagram Finder Troy Bilt Pony 42 Deck Belt Diagram . How to Replace a Troy Bilt Pony 42 Deck Belt. Replacing the drive belt on a Troy-Bilt Pony lawn is a simple process that won't require the assistance of a technician. If you're having any issues with following this guide, then you should consult your manual for further assistance. Removing the Deck
Troy bilt pony drive belt diagram. plumbers-nearme.me › troy-bilt-13wv78ks011-driveTroy Bilt 13wv78ks011 Drive Belt Diagram – Diagram World Troy Bilt 13wv78ks011 Drive Belt Diagram. Parts diagrams and manuals available. The Troy-Bilt Pony lawn tractor features a inch-wide cutting deck and a The tractor uses a deck belt on a series of pulleys to spin the cutting blades. Troy Bilt 13wv78ks011 Bronco 15 Lawn Tractor Partswarehouse. wasildragonl.blogspot.com › 2022/03/38-troy-bilt38 troy bilt pony drive belt diagram - Diagram Online Source Mar 06, 2022 · Troy Bilt Pony Drive Belt Diagram The upper drive belt on the inch Troy-Bilt lawn mower is the only serviceable Draw a diagram of how the belt routes around the pulleys on the mower deck. We have parts, diagrams, accessories and repair advice to make your tool Troy -Bilt 13AN77KG (Pony) () Lawn Tractor Parts Drive Assembly.Troy Bilt 13ANG Pony ... Troy Bilt 13AN77KG011 Pony (2008) Parts Diagrams - Jacks Small ... Troy Bilt 13AN77KG011 Pony (2008) Exploded View parts lookup by model. Complete exploded views of ... Found on Diagram: Drive Assembly ... Belt Keeper Rod. Troy Bilt 13wx78ks011 Belt Diagram 13WX78KS Bronco (). Page 1 of 22 For Discount Troy Bilt Parts Call or . Belt, v Typ, 5l X Lg Poly. 1. /P. Troy Bilt 13WX78KS Bronco Drive & Transmission Parts Diagram . KEEPER ASM BELT No Longer Available. USE We have parts, diagrams, accessories and repair advice to make your tool Troy -Bilt 13WX78KS (Bronco) Lawn Tractor Parts ..
Riding Mower 42-inch Deck Belt - 954-04060C | Troy-Bilt US Free Shipping on Parts*. $41.99. Fits Riding Mowers and Lawn Tractors with a 42-inch Cutting Deck (2010 - ) For Troy-Bilt, MTD, Craftsman, MTD Gold, Bolens, White Outdoor, Yard Machines, Yard Man and Huskee. Fits Cub Cadet LTX1040, LTX1042KH, LTX1042KW. PDF Troy bilt pony tiller drive belt diagram - Weebly Troy-Bilt Pony tillers have two belts, a forward drive belt, which measures 4L by 23.80 and a reverse drive belt, which measures 3L by 27.44, located in the "tine and drive" assembly. The belt measurements include an "L," which indicates a light duty rating of 1 horse power or less, measured in 1/8-inch increments. lvwbrightart.nl Troy Bilt Pony Drive Belt Diagram. Riding Mower Hydrostatic Transmission Belt - Troy-Bilt. FORM NUMBER - 769-06667 11/2010 NOTE: These materials are for use by trained technicians who are experienced in the service and repair of outdoor power equipment of the kind described in this publication, and are not MTD TROY BILT 700 Series RIDING MOWER ... I need a diagram on how to change a transmission drive ... I need a diagram on how to change a transmission drive belt on a troy bilt pony lawn mower. Report This by Manage My Life. September 7th, 2012. Model # 13AN77TG766. Share it! Get more answers from the people in your networks. ... Changing drive belts does go much better with a diagram and help. I was able to locate the owner's manual which will ...
Troy Bilt Bronco Riding Mower Belt Diagram - schematron.org Troy Bilt 13WX78KS Bronco () Drive & Transmission Parts Diagram . PLUG DECK HOLE 7/8 $ 36 A Upper Drive Belt. Troy Bilt 13WX78KS Bronco () Mower Deck Inch Exploded View parts lookup by model. Complete exploded views of all the major manufacturers. This is how you remove and change the deck belt on your Troy-Bilt riding lawn mower. Troy bilt bronco drive belt diagram Troy Bilt Bronco Drive Belt Diagram If you're searching for troy bilt bronco drive belt diagram pictures information related to the troy bilt bronco drive belt diagram keyword, you have pay a visit to the ideal site. Our site frequently gives you hints for seeking the highest quality video and image content, please kindly search and locate more informative video articles and graphics that ... Model 13AM77KS011 | Troy-Bilt US | Pony, Deck, Diagram - Pinterest Sep 14, 2020 - Find parts for your Pony Troy-Bilt Riding Lawn Mower. ... How to Replace the Drive Belts on a Troy-Bilt Pony Lawn Tractor (Part # 954-0241A). How to change the deck belt | Troy-Bilt riding lawn mower - YouTube This is how you remove and change the deck belt on your Troy-Bilt riding lawn mower. Always be sure to check your owner's manual for ...
Troy-Bilt 13A877BS066 (42 X) - Troy-Bilt Pony 42" Lawn ... Troy-Bilt repair parts and parts diagrams for Troy-Bilt 13A877BS066 (42 X) - Troy-Bilt Pony 42" Lawn Tractor (2018)
schematron.org › troy-bilt-pony-7-speed-beltTroy Bilt Pony 7 Speed Belt Diagram - schematron.org Aug 11, 2018 · heres a. The Troy-Bilt company produces a wide variety of lawn mower brands, such as Troy-Bilt, by a belt drive system need periodic maintenance and belt replacement. Loosen the transaxle pulley nut with a 7/inch socket wrench. Remove the belt guide from the variable speed pulley to gain access to the lower drive belt. The Troy-Bilt Pony model riding lawnmower has a inch cutting deck and 7- speed transmission that are driven by a V-belt from the engine crankshaft.
How to Change a Deck Belt on a Troy-Bilt Pony - Home Guides The Troy-Bilt Pony lawn tractor features a 42-inch-wide cutting deck and a 17.5 horsepower engine. The tractor uses a deck belt on a series of pulleys to ...
How to Replace the Drive Belts on a Troy-Bilt Pony Lawn ... Get a replacement drive belt for your Troy-Bilt Pony lawn tractor here: ...
How to Tighten Belt on Troy Bilt Riding Mower ... Tighten Up your Troy Bilt Riding Mower Belt Now! Tightening the belt of your Troy Bilt riding mower may feel like a very easy deed. But if you don't follow the right steps, it could actually become a massive headache. Don't worry, though. You can always follow our advice and steps to make it happen.
Troy Bilt Mower Deck Parts Diagram - Diagrams : Resume ... Troy Bilt Pony Mower Belt Diagram. ... Troy Bilt Lawn Mower Drive Belt Diagram. Troy Bilt Pony Mower Drive Belt Diagram. Troy Bilt Pony Riding Mower Belt Diagram. About The Author Billy Bowman. Recent Posts. California Quit Claim Form Free; Ca Residential Lease Agreement Form Pdf;
newlasertagatlanta.blogspot.com › 2022/03/39-troy39 troy bilt 42 deck belt diagram - Wiring Diagrams Manual Mar 05, 2022 · Troy Bilt Pony Drive Belt Diagram The upper drive belt on the inch Troy-Bilt lawn mower is the only serviceable Draw a diagram of how the belt routes around the pulleys on the mower deck. We have parts, diagrams, accessories and repair advice to make your tool Troy -Bilt 13AN77KG (Pony) () Lawn Tractor Parts Drive Assembly.Troy Bilt 13ANG Pony ...
Troy Bilt 13WN77KS011 Pony (2011) Mower Deck 42-Inch Parts ... Troy Bilt 13WN77KS011 Pony (2011) Mower Deck 42-Inch Parts Diagram ... Drive & Rear Wheel · Drive & Rear Wheel ... Belt Keeper Rod. $11.25. Add to Cart.
How to Replace the Drive Belts on a Troy-Bilt Pony Lawn ... In this article, we'll help walk you through the time consuming process of replacing drive belts on a Troy-Bilt Pony lawn tractor. We've broken down each step to make it as simple as possible. Follow each section in this article and refer to the video to get this tough repair completed, without visiting a repair shop.
Drivebelt routing diagram for a troybilt pony lawn tractor - Fixya Nov 14, 2019 ... drivebelt routing diagram for a troybilt pony lawn tractor replaced the drive belt, but the pedal vibrates when in - Troy-Bilt Pony Garden Tiller question.
Troy Bilt 13AN689G766 Pony (2004) Parts Diagrams Troy Bilt 13AN689G766 Pony (2004) Exploded View parts lookup by model. Complete exploded views of all the major manufacturers. It is EASY and FREE
13WM77KS011 - Troy-Bilt Pony Lawn Tractor (2014) - PartsTree Troy-Bilt repair parts and parts diagrams for Troy-Bilt 13WM77KS011 - Troy-Bilt Pony Lawn Tractor (2014)
42 troy bilt mower drive belt diagram - Wiring Diagram Images Troy bilt mower drive belt diagram. Troy-Bilt 42-in Drive Belt for Riding Mower/Tractors (15-in L) Item # 144217 Model # 490-501-M052 Fits 42 In. decks- Troy-Bilt and MTD 600 series lawn tractors (except AutoDrive Step-Thru frame models) 2003 and after As a result, the clutch won't engage, and the lawn mower blades won't rotate. 7 de dez.
Troy Bilt Pony 42 Deck Belt Replacement - Diagram : Resume ... Home Decorating Style 2022 for Troy Bilt Pony 42 Deck Belt Replacement, you can see Troy Bilt Pony 42 Deck Belt Replacement and more pictures for Home Interior Designing 2022 311215 at Resume Example Ideas.
How to Tighten Belt on Troy Bilt Riding Mower - Learn ... Hope you know the troy-bilt pony drive belt diagram. But sometimes a question may arise. How to know if you need to tighten up the belt of your devices. Here I will talk with some tips and tricks. Little Power . When the belt can not elicit max pressure to shift the machine then your machine may run at a slower velocity. This is a common problem.
Troy Bilt 13WN77KS011 Pony (2010) Parts Diagram for Drive ... Troy Bilt 13WN77KS011 Pony (2010) Drive & Transmission Exploded View parts lookup by model. Complete exploded views of all the major manufacturers. It is EASY and FREE
Troy Bilt Pony Transmission Problems And Fixes Lawnmowers are a convenient tool for gardening. And among the best lawn mowers, Troy bilt is one of them. But sometimes in troy bilt pony transmission problems are seen in the drive belt, problems in the steering and some troubleshooting that you can fix it within seconds if you know the basic troubleshooting guide.
Troy-Bilt 42-in Drive Belt for Riding Mower/Tractors (15 ... Troy-Bilt 42-in Drive Belt for Riding Mower/Tractors (15-in L) Item # 144217 Model # 490-501-M052 Fits 42 In. decks- Troy-Bilt and MTD 600 series lawn tractors (except AutoDrive Step-Thru frame models) 2003 and after
How Do I Change the Deck Belt on a Riding Mower? | Troy-Bilt US Follow these steps to change the deck belt on your Troy-Bilt riding lawn mower in the comfort of your own garage! How-To Articles at Troy-Bilt.
diagramfinder.com › troy-bilt-pony-42-deck-beltTroy Bilt Pony 42 Deck Belt Diagram - Diagram Finder Troy Bilt Pony 42 Deck Belt Diagram . How to Replace a Troy Bilt Pony 42 Deck Belt. Replacing the drive belt on a Troy-Bilt Pony lawn is a simple process that won't require the assistance of a technician. If you're having any issues with following this guide, then you should consult your manual for further assistance. Removing the Deck
Troy-Bilt Parts Diagrams Lookup Parts by Diagram. Use our parts diagram tool below to find the parts you need for your machine. Select the model and year, then browse the parts diagrams to find the right part. Add to cart when you're ready to purchase and we'll ship it to you as soon as possible! Financing Now Available for Online Purchases.*. Learn More.
Troy Bilt Pony Lawn Tractor Drive Belt Removal - YouTube On this Troy Bilt Pony Lawn Tractor you have to take off the other 2 belts to remove the drive belt. This video was made as a demonstration on how to repair ...
0 Response to "39 troy bilt pony drive belt diagram"
Post a Comment