Iklan 300x250

40 massey ferguson 165 parts diagram

Massey-Ferguson Parts Massey-Ferguson Starter Starter For Toyosha Diesel Engines. 9 Tooth 1.2KW 2 Bolt Flange. Model (s): Massey-Ferguson Alternator 12v. Model (s): Massey-Ferguson Clutch Plate 6-1/2" Pressure Plate. Model (s): Massey-Ferguson Water Pump Gasket Mounting Gasket For Pump 1206-6204P. Model (s): Price: $232.72. Massey Ferguson 165 Tractor Parts - Anglo Agriparts The Massey Ferguson 165 was a row crop tractor made between 1964-1975. The 165 engine was either: Perkins 3.3L 4-cyl diesel, Continental 2.9L 4-cyl gasoline, Perkins 3.5L 4-cyl diesel or Perkins 3.5L 4-cyl gasoline. Buy tractor parts by searching with a part number (OEM ref. determined by the serial number plate located on the dashboard of the ...

Tractor Parts - Massey Ferguson 165 65-165-175 MASSEY FERGUSON FENDER EXTENSIONS MF This is a set of fender extensions to raise the fenders on your tractors with 34-36-38 tires. They should work on Massey Ferguson 65-165-175-etc. 4-3/4" center on axle mounting holes. They are used usable axle brackets. Selling"as is" Please. Read all of description and shipping information.

Massey ferguson 165 parts diagram

Massey ferguson 165 parts diagram

Massey Ferguson 165 Parts Diagram Massey Ferguson 165 Parts Manual Ebay. Mf 175 Wiring Diagram New Massey Ferguson 175 Wiring Diagram Mf. Massey Ferguson 165 Diesel Aux Hydraulics. Massey Ferguson 231 Tractor Operator Instruction Book. Massey Ferguson Front Axle Page 44 Sparex Parts Lists. Really Need Some Help With Mf 165 Yesterday S Tractors. Massey Ferguson Tractor Parts Catalog - Discounted ... Our company offers Massey Ferguson tractor parts, listed in our catalog below. We also offer many other used tractor parts (if you cannot find the part you are looking for by searching our catalog below). See our Ordering Information page for information about ordering over the phone, and our current shipping and return policies. PDF Aftermarket Massey Ferguson Tractor Parts Catalog MASSEY FERGUSON AFTERMARKET TRACTOR PARTS FOR ALL PARTS LISTED ARE AFTERMARKET REPLACEMENT PARTS AND ARE NOT PRODUCED BY THE ORIGINAL EQUIPMENT MANUFACTURER. ... MF 65, 165, 30, 40, 50, 302, 304, 356 AD4.203 Direct Injection Order Individual Parts Below 743824M91 Piston, individual 745819M91 Ring Set, individual

Massey ferguson 165 parts diagram. PDF Massey ferguson 165 steering parts diagram the direction massey ferguson / vado / new holland like, assembly, axis of sector, axis of direction, and other parts.1 676 665M1 Massey Ferguson Steering Shaft (Spline Type) Ask price⠫Thank you for contacting us.Product price: Model no. 165 uk, 265s, 275 uk, 282, 285s, 290 uk, 175 uk, 178 uk. O. E. M no. S.40 128 / 1 676 665m1 / 898 359m2. Massey Ferguson 165 Light Wiring Diagram - U Wiring Massey Ferguson 165 Wiring Diagram One of the most hard automotive repair tasks that a mechanic or fix shop can bow to is the wiring or rewiring of a cars electrical systemThe trouble in fact is that all car is different. Use 50mm braided cable. Massey Ferguson 135 Wiring Diagram Alternator Lieya26. Massey Ferguson 165 - Steiner Tractor Parts Massey Ferguson 165 found in: Shift Lever Boot, Single Hydraulic Remote Valve with Lever, Dual Hydraulic Remote Valve Kit, Tractor Serial Numbers (1940-1975), Power Steering Filter, Torque Generator, Char-Lynn (Eaton) 217-1015-002.. MASSEY FERGUSON 165 Tractor Parts Manual 390pg of ... - Etsy THE MASSEY-FERGUSON 165 Parts CD Manual -----390 Pages of Exploded Diagrams, Part Numbers and Numerical Indexes. . . A Must for Anyone Restoring an MF 165 This Parts and Part Diagram Manual has Extensive Exploded Diagrams and Parts information for EVERY single system and part for your MASSEY FERGUSON 165 TRACTOR !

Exploded Parts Diagrams for Massey Ferguson Exploded Parts Diagrams for Massey Ferguson. Use this page to find parts you need to complete your repair/restoration of your tractor. Whether it is a vintage or a modern tractor you should be able to identify the part by make and application. Once you have found the part on a diagram click on the part number listed in the table below the diagrams. Massey Ferguson 175 Parts Diagram | Automotive Parts ... Description: Massey Ferguson 135 Diesel Wiring Diagram Image Album - Wire intended for Massey Ferguson 175 Parts Diagram, image size 1170 X 630 px, and to view image details please click the image.. Here is a picture gallery about massey ferguson 175 parts diagram complete with the description of the image, please find the image you need. Massey Ferguson 165 Parts Diagram | Automotive Parts ... Description: Massey Ferguson 165 Tractor Parts Manual with regard to Massey Ferguson 165 Parts Diagram, image size 700 X 854 px, and to view image details please click the image.. Here is a picture gallery about massey ferguson 165 parts diagram complete with the description of the image, please find the image you need. Amazon.com: massey ferguson 165 tractor parts All States Ag Parts Parts A.S.A.P. Fuel Sending Unit Compatible with Massey Ferguson 185 188 50 178 175 168 165 50B 897389M91 4.4 out of 5 stars 2 $36.99 $ 36 . 99

Massey Ferguson 135 Tractor Parts Diagram - Diagram Massey Ferguson 135 Tractor Parts Manual within 135 Massey Ferguson Parts Diagram image size 700 X 854 px. Our experienced and friendly sales staff are available to help with any of your Massey Ferguson 135 tractor parts and engine parts needs. Some of these models used a 21 spline shaft. The max speed of the Massey Ferguson 135 is 151mph 243. Massey Ferguson 165 Parts Diagram - General Wiring Diagram BAE Massey ferguson 165 parts diagram. Our inventory is always changing if the part you need is not listed online please call toll free 877 530 4430. Spark plug wiring set with 90 degree boots 4 cyl. Once you have found the part on a diagram click on the part number listed in the table below the diagrams. You can find the serial number below ... Simplicity 165 Parts Diagrams - Jacks Small Engines See: Ariens exploded parts diagrams. We sell parts & accessories for your Briggs & Stratton equipment. ... DECAL SET 165 Massey Ferguson Diesel Complete Decal Kit $70.72 Options Add to Cart. 12151021. DECAL SET 165 Gas Massey Ferguson ... Massey Ferguson 165 Wiring Diagram - Steiner Tractor Parts Massey Ferguson - Fits: 135, MF Tractor: 150, 165 * This manual includes an electrical wiring diagram. * An I&T shop service manual tells you how to take a tractor apart, how to fix it and how to put it back together again. These are authentic manuals that deal with repairs in the language of a…

Massey ferguson mf 165 tractor (fr) parts catalogue manual

Massey ferguson mf 165 tractor (fr) parts catalogue manual

Massey Ferguson 165 (100 Series) parts | UK branded ... Massey Ferguson 165 Parts Listed below are parts we have cross referenced with Sparex as being suitable for Massey Ferguson 165 . Sometimes it might be useful to look for engine spares and related replacement parts like engine parts, cab accessories, filters, steering parts etc by looking them up by the Engine No.

Massey Ferguson MF 165 TRACTOR (GB) Service Parts Catalogue ...

Massey Ferguson MF 165 TRACTOR (GB) Service Parts Catalogue ...

PDF Massey Ferguson Hydraulic System Operators ... - Tractor Parts Also available as a pdf download. Jensales offers the finest in Manuals, Parts, and Decals. Keywords: MH-O-HYDR SYST{78614}, MH-O-HYDR SYST, Massey Ferguson 35, Massey Ferguson 50, Massey Ferguson 65, Massey Ferguson 175, Massey Ferguson 180, Massey Ferguson 130, Massey Ferguson 25, Massey Ferguson 135, Massey Ferguson 150, Massey Ferguson 165 ...

Massey Ferguson MF 165 TRACTOR (GB) Service Parts Catalogue ...

Massey Ferguson MF 165 TRACTOR (GB) Service Parts Catalogue ...

Tractor Parts | New, Used, Rebuilt | All States Ag Parts 10" x 28" 4 Rail Rear Rim Silver Mist fits Ford 3000 2000 535452M91 fits Massey Ferguson 165 35 135 65 ASAP Item No. 102146. View Details. $82.99. 1st Gear fits Massey Ferguson 375 265 35 175 30 135 390 230 50 50 20 255 2135 3165 245 285 40 235 165 250 290 275 2200 240 150 65 180 fits Landini ASAP Item No. 151828. View Details.

Massey Ferguson 165 Tractor Operators Manual

Massey Ferguson 165 Tractor Operators Manual

Simplicity 165 Parts Diagrams - Jacks Small Engines See: Ariens exploded parts diagrams. We sell parts & accessories for your Briggs & Stratton equipment. ... DECAL SET 165 Massey Ferguson Diesel Complete Decal Kit $67.35 Options Add to Cart. 12151021. DECAL SET 165 Gas Massey Ferguson ...

MASSEY 165 Parts Manual | Manuals Online

MASSEY 165 Parts Manual | Manuals Online

Aftermarket Massey Ferguson Tractor Parts | AllPartsStore Massey Ferguson 165 Parts. Massey Ferguson TO35 Parts. Massey Ferguson TEA20 Parts. Massey Ferguson 65 Parts. Massey Ferguson 285 Parts. Search all models. Air Conditioning. Water Pumps. Steering/Steering Axle.

Body work

Body work

Massey Ferguson 165 Parts - Yesterday's Tractors High quality Massey Ferguson 165 Tractor Parts - the right parts - offered at a low cost so you can fix your Massey Ferguson tractor today. Our huge inventory of restoration quality parts combined with fast shipping and low prices makes us your best choice for tractor repair.

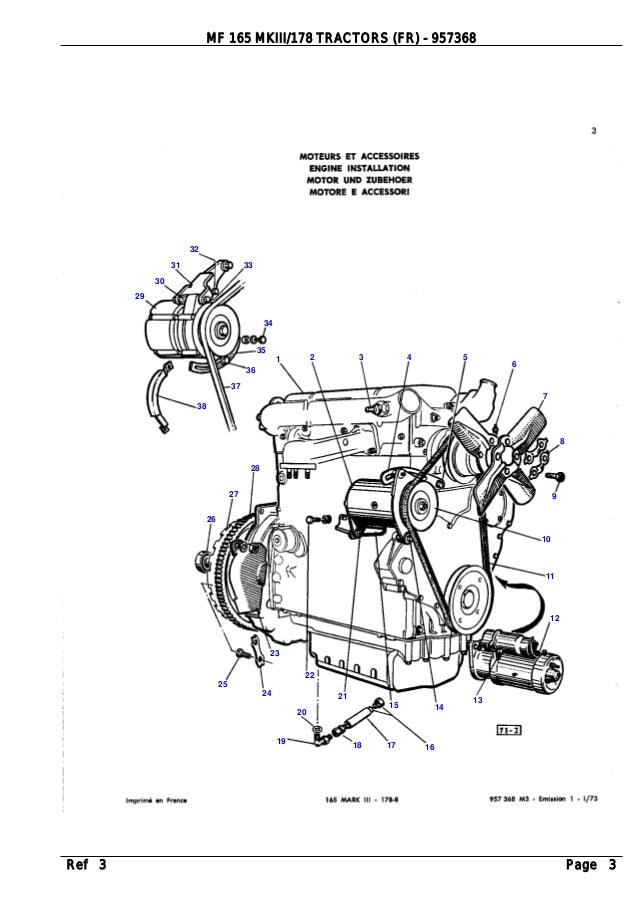
Massey ferguson mf 165 mkiii tractors (fr) service parts ...

Massey ferguson mf 165 mkiii tractors (fr) service parts ...

PDF Replacement parts to fit MASSEY FERGUSON - smalink.com Side Link, 165 Steering, 128 Top Link, 165 D Decals, 197 Deflector, Ear Corn, 173 Detent, Hydraulic Valve, 163 Differential Bolt, Ring Gear, 121 ... Replacement parts to fit MASSEY FERGUSON. Fuel Systems (continued) Valve, Shut-off, 75 Fuse Holder, 106 Fuse, Limiter Massey Ferguson, 185 G Gas Struts, 194 Gaskets Axle, Rear Housing, 124

www.stevenstractor.com

www.stevenstractor.com

Massey Ferguson 165 Tractor Parts | Up to 60% off Dealer ... The Massey Ferguson 165 was an upgrade from the MF 65 and had a production run of 9 years, starting in 1964. It was discontinued when longer-lasting models like the MF 265 were introduced in 1975. Perkins AD 4.203, 4 cylinder, diesel engine producing 58.3 hp,a Continental, 4 cylinder, gasoline engine, a Perkins A4.212, 4cylinder, diesel engine ...

Massey Ferguson 165 Power Steering Valve. | The Farming Forum

Massey Ferguson 165 Power Steering Valve. | The Farming Forum

Massey Ferguson 165 Parts - Steering Parts Steering Shaft - For tractor models 165, 175, 30, 31, 3165. (Part No: 1026257M91) $102.00. Steering Shaft - Used on Massey Ferguson 165UK serial number 100001 and up, 168 Late Production, 185UK, 188UK, 265UK up to serial number 181259, 275UK up to serial number 211774, 285UK early version, 290UK up to serial number 344187.

Massey Ferguson MF165 Gas and Diesel Parts Manual

Massey Ferguson MF165 Gas and Diesel Parts Manual

PDF Massey Ferguson 165 Tractor Service Manual - Jensales massey -ferguson group iv - section a - part 12 part 12-front axle and steering­ mf 150, 165 and 175 tractors index page engi ne-driven steeri ng pump-

MASSEY FERGUSON MF 175 TRACTOR PARTS MANUAL 651190M97 – PDF ...

MASSEY FERGUSON MF 175 TRACTOR PARTS MANUAL 651190M97 – PDF ...

PDF Discount Tractor Parts Ph 0800 872272 Massey Ferguson 165 ... MASSEY FERGUSON 165 & 175 Wheel Tractors Parts catalogue and price list DISCOUNT TRACTOR PARTS PH 0800 872272 Box 70059 7 Airdrie Rd , Ranui , Auckland Ph 09 8337483 Fax 09 8335186 E mail jleedtp2@ihug.co.nz Updated November 2011 ALL PRICES PLUS GST & SUBJECT TO CHANGE

Massey Ferguson 245 Parts Manual

Massey Ferguson 245 Parts Manual

PDF Aftermarket Massey Ferguson Tractor Parts Catalog MASSEY FERGUSON AFTERMARKET TRACTOR PARTS FOR ALL PARTS LISTED ARE AFTERMARKET REPLACEMENT PARTS AND ARE NOT PRODUCED BY THE ORIGINAL EQUIPMENT MANUFACTURER. ... MF 65, 165, 30, 40, 50, 302, 304, 356 AD4.203 Direct Injection Order Individual Parts Below 743824M91 Piston, individual 745819M91 Ring Set, individual

Massey Ferguson Starter Motors

Massey Ferguson Starter Motors

Massey Ferguson Tractor Parts Catalog - Discounted ... Our company offers Massey Ferguson tractor parts, listed in our catalog below. We also offer many other used tractor parts (if you cannot find the part you are looking for by searching our catalog below). See our Ordering Information page for information about ordering over the phone, and our current shipping and return policies.

Steering Box Assembly 165 Manual - Quality Tractor Parts LTD.

Steering Box Assembly 165 Manual - Quality Tractor Parts LTD.

Massey Ferguson 165 Parts Diagram Massey Ferguson 165 Parts Manual Ebay. Mf 175 Wiring Diagram New Massey Ferguson 175 Wiring Diagram Mf. Massey Ferguson 165 Diesel Aux Hydraulics. Massey Ferguson 231 Tractor Operator Instruction Book. Massey Ferguson Front Axle Page 44 Sparex Parts Lists. Really Need Some Help With Mf 165 Yesterday S Tractors.

Massey Ferguson Engine (Page 91) | Sparex Parts Lists ...

Massey Ferguson Engine (Page 91) | Sparex Parts Lists ...

72 Ferguson Service Manuals Free Download - Truck manual ...

72 Ferguson Service Manuals Free Download - Truck manual ...

MASSEY FERGUSON 165 & 175 Wheel Tractors Parts catalogue and ...

MASSEY FERGUSON 165 & 175 Wheel Tractors Parts catalogue and ...

Fuel Injection Pump, New, CAV - Lucas, 3840F938, Massey Ferguson, 1447156M91

Fuel Injection Pump, New, CAV - Lucas, 3840F938, Massey Ferguson, 1447156M91

MTD 131-826H190 LGT-165 (1991) Parts Diagram for Hydrostatic ...

MTD 131-826H190 LGT-165 (1991) Parts Diagram for Hydrostatic ...

1684301M91 - Support, Front Axle for Massey Ferguson Tractors | Up to 60%  off Dealer Prices | TractorJoe.com

1684301M91 - Support, Front Axle for Massey Ferguson Tractors | Up to 60% off Dealer Prices | TractorJoe.com

Massey Ferguson 165 Loader Attachment 100 Service Manual

Massey Ferguson 165 Loader Attachment 100 Service Manual

MASSEY FERGUSON 165 Tractor Parts Manual 390pg of ...

MASSEY FERGUSON 165 Tractor Parts Manual 390pg of ...

Wagga Tractor parts - MF27 Workshop Manual Massey Ferguson MF ...

Wagga Tractor parts - MF27 Workshop Manual Massey Ferguson MF ...

Massey Ferguson 135 Tractor Parts Manual

Massey Ferguson 135 Tractor Parts Manual

Massey Ferguson Tractors 5400

Massey Ferguson Tractors 5400

Power Steering Kit - Discounted Massey Ferguson Tractor Parts ...

Power Steering Kit - Discounted Massey Ferguson Tractor Parts ...

Massey Ferguson Mf 165 Tractor Service Manual Technical Repair Shop Workshop

Massey Ferguson Mf 165 Tractor Service Manual Technical Repair Shop Workshop

Massey Ferguson 165 Shop Manual Service Manual Parts Manual

Massey Ferguson 165 Shop Manual Service Manual Parts Manual

1967 MASSEY FERGUSON 165 For Sale in Hailsham, England ...

1967 MASSEY FERGUSON 165 For Sale in Hailsham, England ...

Buy Massey Ferguson MF 165 G & D Auxilary Hydraulic valves ...

Buy Massey Ferguson MF 165 G & D Auxilary Hydraulic valves ...

Massey Ferguson 165 (PDF) - Discount Tractor Parts

Massey Ferguson 165 (PDF) - Discount Tractor Parts

Massey Ferguson Tractor MF165 Parts Manual - MF 165

Massey Ferguson Tractor MF165 Parts Manual - MF 165

Pto Clutch Gear 1868548M2 For Massey Ferguson 135, 165, 50C

Pto Clutch Gear 1868548M2 For Massey Ferguson 135, 165, 50C

MASSEY FERGUSON MF 165 Workshop & Parts Manual £4.99 ...

MASSEY FERGUSON MF 165 Workshop & Parts Manual £4.99 ...

My weekend project: Brake job on a Massey Ferguson 165 ...

My weekend project: Brake job on a Massey Ferguson 165 ...

MF 135-150-165 Perkins - Wiring Diagram (2008-10-26 ...

MF 135-150-165 Perkins - Wiring Diagram (2008-10-26 ...

Massey Ferguson 65 Gearbox Parts

Massey Ferguson 65 Gearbox Parts

Pin on Instruction Service Manual Downloads

Pin on Instruction Service Manual Downloads

MASSEY FERGUSON 165 Tractor Parts Manual 390pg of Exploded | Etsy

MASSEY FERGUSON 165 Tractor Parts Manual 390pg of Exploded | Etsy

Massey-Ferguson 135 150 165 - Multi-Power And Independant Pto ...

Massey-Ferguson 135 150 165 - Multi-Power And Independant Pto ...

0 Response to "40 massey ferguson 165 parts diagram"

Post a Comment

Iklan Atas Artikel

Iklan Tengah Artikel 1

Iklan Tengah Artikel 2

Iklan Bawah Artikel