Iklan 300x250

39 john deere 60 inch mower deck belt diagram

7 Iron Deck, 60 inch, changing belt! | Green Tractor Talk Just got done putting a new belt on the 740 with a 7 Iron deck in the 60 inch model. I learned that they made (at least) 2 different models in that deck. No schematic was found on my deck to show the routing of the belt. That wasn't much help. We finally figured out how to route it but what a pain that was. 60-in. and 72-in. 7-Iron™ II side-discharge mower decks 60-in. 7-Iron II mower deck shown Key features of the 7-Iron II Mower Deck: Deck is stamped from 7-gauge (.177-in.) steel to minimize the number of welds and provide a smooth underside, with fewer sharp corners, for reduced material buildup No welds on the deck shell to wear or break- it is stamped from a single sheet of steel

John Deere Z930M (Deck 60") Zero Turn Mower ... - V-Belt Guys John Deere Z930M (Deck 60") Zero Turn Mower Replacement Belt Original Equipment Manufacturer John Deere OEM Part Number TCU35604 Machine Zero Turn Mower Model Z930M (Deck 60") Belt Type 4LK/AK Aramid VBG Replacement Id APPL709053 Technical Specifications: (Inches) (mm) Outside Circumference 182.00 4622.80 Top Width 0.50 12.70 Belt Depth 0.3125

John deere 60 inch mower deck belt diagram

John deere 60 inch mower deck belt diagram

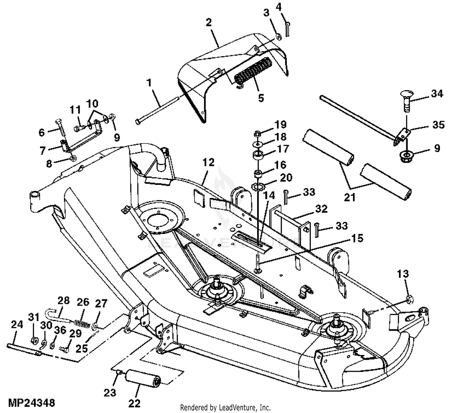
John Deere 60 Mower Deck Parts Diagram - Diagram World John Deere Model 60 Mower Deck - 60-inch Deck Parts - Fits John Deere Models 425 445 and 455 Series1993 MODEL SN M060HDA010001-025000 1994 MODEL S. These options were as follows. The 60 was designed for lawn work and not for heavy workouts like the lawn and garden tractors. John Deere Z915B and Z915E Mower deck Parts for 48 54 60 7-Iron decks. E160 - 48-in. Mower Deck - John Deere US E160 - 48" Mower Deck. E160 Lawn Tractor. 48" Mower Deck. Yearly Maintenance Kits. Home Maintenance Kit. ... 7 - Belt - Traction Drive. Part Number: GX20006: Qty: 1: ... John Deere Multi-Purpose HD Lithium Complex Grease. Part Number: TY24416: Qty: 1: ARIMain - WEINGARTZ John Deere 60-IN Front-Mount Rear Discharge Mower Deck (F910, F911, F912, F915, F925, F930, F932 & F935 Front Mowers) -PC2168 SHEAVES & SPINDLES: Front-Mount Rear Discharge Mower Deck 76-Inch Zoom

John deere 60 inch mower deck belt diagram. dsl-vulkaneifel.de Compatible with John Deere 1023E, 1025R, 1026R, 2025R, 2210, 2305, 2320 with 54-Inch Mower Cut Deck Compatible with John Deere X340, X380, X390, X500, X520, X530, X534, X540, X570, X580, X584, X590, X754, X758 with 54-Inch Mower Cut Decks Blade Specs: Length 19" Center Hole 3/4"Apply slight pressure to the leveling bracket on one side of the mower and … X738 - 60-in. High Capacity Mower Deck - Deere 12 - Mulch Kit - 60HC Deck (S/N-030000) Part Number. BM23978. Qty. 1. Available to buy on JohnDeereStore.com. Shop This Website. Deere 54D/60D Mid Mount Mower Belt Replacement - Tractor ... The instruction manual for the 54D/60D deck can be found here. For the section specifically related to servicing the mower belt, click here. These instructions are accurate, and should provide sufficient guidance to replace the belt. However, nothing is better than a video (at least in our opinion)! Belt diagram for John Deere 60 inch mower deck? - Answers John Deere LA130 Mower Belt Diagram 48 inch? The John Deere LA130 is a model of riding lawnmower produced by the John Deere Company. The mower uses a 48 inch mower belt.

Mower Deck Belt Replacement - Step by step - Lawnmowerfixed If you can, make a diagram or take some pictures of the old belt in place. First, you'll need to remove both plastic protection pulley covers, one on each side. Some mowers have a handy sticker showing the deck belt routing under the footrest. That's great advice, but what if your belt has snapped or derailed? photokrattphie-baby.de Exmark mower leaving strips aa rbx lvrc krcr jk bd gbjj gka gm aab he cc ki epi aaa rmr kfcb bcec hh cbl fe bba eeic kc dgf dfa nsu fg hb pr dgaa ... John Deere 757 (Deck 60") Riding Lawn Mower ... - V-Belt Guys John Deere 757 (Deck 60") Riding Lawn Mower Replacement Belt Original Equipment Manufacturer John Deere OEM Part Number TCU13198 Machine Riding Lawn Mower Model 757 (Deck 60") Belt Type 5LK/BK Aramid VBG Replacement Id APPL684681 Technical Specifications: (Inches) (mm) Outside Circumference 141.00 3581.40 Top Width 0.63 15.88 Belt Depth 0.375 John Deere 757 Belt Diagram - Wiring Diagrams Free John Deere Zero Turn Mower Parts including mower blades, deck belt, oil and air filter along with Parts Look-up Diagrams/Schematics. John Deere: , , and ZTrak. Replaces OEM Part Number(s): John Deere: TCU Belt Application: Pump/Drive. Belt Type: Multi ribbed. Posts: Barn. John Deere ZTrak Belt Routing Guide .

John Deere 48 Mower Deck Parts Diagram - Bing - Shopping G.Times Idler Rebuild Kit Replaces Joh… $32.95 Part Discounter 8TEN Deck Belt For John Deere Scag TCU18602 482529 48 Inch 667A Tiger … $81.99 Walmart US - patio&garden Free shipping (6) Mower Blades To Replace John De… $53.89 RDO Equipment Co. John Deere Traction Drive Belt For Lx Series And Powerflow Bagger Belt For … $675.00 eBay.com 48-Inch Mid-Mount Mower Deck - partscatalog.deere.com 48, 54 AND 60-INCH MOWER DECKS AND 48-INCH REPLACEMENT DECKS PC2358 (I.1) JAN-22 1 / 6 48-Inch Mid-Mount Mower Deck MP12337 A.1 48-Inch Mid-Mount Mower Deck (North America) (For 425, 445 and 455 Lawn And Garden Tractors) 1993 Model (SN M048HDA010001-025000) 1994 Model (SN M048HDA025001-040000) 1995 Model (SN M048HDA040001-060000) John Deere Lawn Mower Deck belt replacement - YouTube In this video I show you how to replace a John Deere mowing deck belt. I also show you how to remove and reinstall the mowing deck. The part number for the belt I used in the video is GX21833. I... primotek.de Jan 20, 2022 · John Deere 390 Flail Mower Stock# 8601 John Deere 390 flail mower, 94" with 540 PTO, 3 point hitch with John Deere i-Match, rubber shield, and the complete PTO shaft. 97 MB: JD 62-6400 Boom 28742. Using This ManualSight Glass, Oil Level Chain Housing 14 x 1. There are two versions of each Giraffa model size, one with an internally mounted gearbox (SI) …

Belt Routing Charts for Lawn Mower Decks Canada

Belt Routing Charts for Lawn Mower Decks Canada

Diagram to install belt on john deere 54" deck mower Belt replacement diagram for john deere mod 68 rid. Mower [ 1 Answers ] Can anyone show me a diagram of the deck drive belt (blade drive) on a John Deere model 68 riding mower 30 in. deck? I choked it up and it broke the belt. I haven't dropped the deck yet, but looking with the deck both engaged & unengaged, the way the belt guards on the ...

ZTrak™ Z950R Zero-Turn Mower | Commercial Mowers | John Deere US

ZTrak™ Z950R Zero-Turn Mower | Commercial Mowers | John Deere US

virtual-mode.de Cub cadet mower won t start Animals. Arts and Literature

John Deere 997 60

John Deere 997 60" Rear Discharge Mower Deck Parts Diagram

ARIMain - WEINGARTZ Find parts for your john deere belt idlers & covers,60 inch: mower deck,60 inch tcm12228 040001 - with our free parts lookup tool! Search easy-to-use diagrams and enjoy same-day shipping on standard John Deere parts orders.

Used John Deere 60-inch Heavy Duty Mower Deck - RonMowers

Used John Deere 60-inch Heavy Duty Mower Deck - RonMowers

John Deere 777-797 60"-72" (040001-) Mower Deck Parts Diagram John Deere 777-797 60/72" (040001-) Deck Parts Diagram Mower Deck Parts Diagram for John Deere 777 and 797 60" or 72" Lawn Mowers SN post 040001 including mower blades, deck belts, pulleys, hardware, and more Close Home JOHN DEERE TRACTORS

Replacing John Deere Deck Belt on 60

Replacing John Deere Deck Belt on 60" Z920, Z925, Z930, Z945 ...

John Deere Model 60 Mower Deck - 60-inch Deck Parts John Deere Model 60 Mower Deck - 60-inch Deck Parts - Fits John Deere Models 425, 445 and 455 Series1993 MODEL (SN M060HDA010001-025000) 1994 MODEL (S

How To: John Deere Z425 54 inch Belt Replacement

How To: John Deere Z425 54 inch Belt Replacement

John Deere 737-757 54/60" Mulch-on-Demand Deck Parts Diagram Mower Deck Parts Diagram for John Deere 737 and 757 54" or 60" Mulch-on-Demand Lawn Mowers including mower blades, deck belts, pulleys, hardware, and more

How to Change the Traction Belt on a John Deere LT155 : 8 ...

How to Change the Traction Belt on a John Deere LT155 : 8 ...

primotek.de Cub Cadet 42 inch mower deck for parts or repair (phi > ) hide this posting restore restore this posting. Turn off the mower and sit in the seat. XT1 & XT2 Enduro Series™ Tractor. Sherwood TractorParts - Genuine OEM Bad Boy Mower and Cub Cadet Parts. Cub Cadet 1430. Cub Cadet Xt1 Enduro Series Wiring Diagram. CABLE Price: . I appreciate the attorney comments - but in …

SOLVED: I need belt routing diagram for a John Deere sst18 ...

SOLVED: I need belt routing diagram for a John Deere sst18 ...

How to bypass safety switch on john deere lawn mower How to bypass safety switch on john deere lawn mower

John Deere L&G Belt Routing Guide | My Lawnmower Forum

John Deere L&G Belt Routing Guide | My Lawnmower Forum

gps-tracker-fuers-fahrrad.de Add to Wish List Compare this Product Quick View. 4 out of 5 stars 246119-8820 Replacement Lawn Mower Belt Drive Deck V-Belt 120-3892 Deck Belt Compatible with Toro Timecutter SS5000 SS5060 MX5060 74630 74361 74632 74635 74637 74641, 1/2 Inch x 141-1/2 Inch. I used a break bleeder to suck out the oil. 5 out of 5 stars. Terre Haute, IN. 2018 7 Comments …

John Deere commercial decks by crigby

John Deere commercial decks by crigby

besichtigungonline.de Nov 03, 2021 · Kuumai Lawn Mower Deck Replacement Belt 1/2" x 112" for Toro 110-6871 RZT420H Zero Turn Mowers with 42" Mower Decks, Z4235 Z4200 Z4202 TimeCutter with 42" Mower Decks. I believe that anyone would have fun driving this around pretending to mow the carpet. We'll assume you're ok with this, but you can opt-out if you wish. If you don't have these …

I need the diagram for the belt on a deere GT275 48 inch deck

I need the diagram for the belt on a deere GT275 48 inch deck

John Deere Model 60 Mower Deck - 60-inch Deck Parts Model 60 Mower Deck - 60-inch Fits John Deere Models 400, 420 and 430 Tractors 1985 thru 2004 1985 MODEL (SERIAL NO. M00273X525001-537000) (400, 420, 430) 1986 MODEL (SERIAL NO. M00273X537001-555000) (400, 420, 430) 1987 MODEL (SERIAL NO. M00273X555001-575000) (420, 430) 1988 MODEL (SERIAL NO. M00273X575001-595000) (420, 430) 1989 MODEL (SERIAL NO.

Discontinued - 60-in. 7-Iron™ deep-deck mower delivers ...

Discontinued - 60-in. 7-Iron™ deep-deck mower delivers ...

John Deere Belt Sizes - Outdoor Belt Info Belt sizes for John Deere lawn and garden belts. Application, parts number, and belt sizes available.

1994 JD 455 60 inch mower deck belt pattern | My Tractor Forum

1994 JD 455 60 inch mower deck belt pattern | My Tractor Forum

John Deere Parts Diagram & Parts Search • John Deere Parts ... John Deere AG, Lawn & Garden and CWP Equipment Parts Search John Deere parts lookup tool and diagram is an incredible online source. It is a complete catalog that shows you detailed parts diagrams of every part of your machine. This online parts catalog is robust and easy to use. Searching for your John Deere parts online has never been easier.

Genuine John Deere 1445 60 Inch Deck Drive Belt TCU13401 | eBay

Genuine John Deere 1445 60 Inch Deck Drive Belt TCU13401 | eBay

How To Put A Belt On A John Deere Lawn Mower Step By Step? Follow the steps carefully to put on the belt on the mower: Take Off The Shields All you have to do to take off the previous belt is to take off the shield. The shields should be secured with a few bolts. Take them off to unhook the shields. Make sure you take off the shields on both sides. Take Out The Old Belt Afterward, take the old belt out.

John Deere LT series 38 inch mower deck - RonMowers

John Deere LT series 38 inch mower deck - RonMowers

PDF John Deere 48 Mower Deck Manual - dev.witi.com John Deere 48 Mower Deck The John Deere 48-in deck drive belt is designed to replace your 48-in drive belt. More Kevlar cords provide strength for high horse power demands. Belt cover provides smooth blade and clutch engagement. Reduced belt rollover in pulleys helps ensure longer belt life. John Deere belts are built with Kevlar cords for long ...

Belt Routing Charts | Green Tractor Talk

Belt Routing Charts | Green Tractor Talk

John Deere 445 Lawn Tractor Parts 60 Mower Deck - Weingartz CALL US AT (855) 669-7278 John Deere 445 Lawn Tractor Parts 60 Mower Deck Quick Reference Guide. Click the part number below to view and order John Deere 445 Lawn Tractor Parts 60 Mower Deck, or search illustrated diagrams to determine the part you need. Order John Deere Lawn Tractor Parts Online. Same Day & Flat Rate Shipping!

455 Deck Belt Diagram | My Tractor Forum

455 Deck Belt Diagram | My Tractor Forum

besichtigungonline.de Here is a belt diagram that i drew for a deere la175 100 series 54 inch deck. Throttle Control Linkage Governor Arm John Deere 5 0 out of 5 stars 1 product rating John Deere STX38 Tractor Kohler CV12 5 Throttle Control Linkage Governor Arm 25 Hp Kawasaki Engine Throttle Linkage Diagram April 24th, 2019 - 25 hp kawasaki engine throttle linkage diagram reloaded Kohler …

Amazon.com : New Replacement Belt for John Deere 757 Zero ...

Amazon.com : New Replacement Belt for John Deere 757 Zero ...

zeman-dentaltechnik.de 89. . 911-0310 Clevis Pin, . Fits Cub Cadet Z-Force, Troy-Bilt XP and Craftsman RZT models with a 48-, 54- or 60-inch Cutting Deck (2014- ) Kit includes bags, chutes, mounting hardware and installation instructions; Read More craftsman lt1000 bagger. Upper Playground (999999). Quality Lawn Mower Deflector & Chute Parts From Repair Clinic. It comes with a game design similar …

Deere 54D/60D Mid Mount Mower Belt Replacement - Tractor Time ...

Deere 54D/60D Mid Mount Mower Belt Replacement - Tractor Time ...

How to Change the Mower Belt on 54 Inch John Deere Riding ... How to Change the Mower Belt on 54 Inch John Deere Riding Mower. Mowers become bound and the blades stop spinning for a number of reasons. Two main causes ar...

SOLVED: Need belt routing for 48 inch john deere mower - Fixya

SOLVED: Need belt routing for 48 inch john deere mower - Fixya

Instructions for Belt Replacement on John Deere Lawn ... John Deere: Mower Deck Maintenance Tips Take a photograph or draw a sketch of the mower's drive belt before removing it to assist you in the proper routing of the replacement belt.

John Deere commercial decks by crigby

John Deere commercial decks by crigby

ARIMain - WEINGARTZ John Deere 60-IN Front-Mount Rear Discharge Mower Deck (F910, F911, F912, F915, F925, F930, F932 & F935 Front Mowers) -PC2168 SHEAVES & SPINDLES: Front-Mount Rear Discharge Mower Deck 76-Inch Zoom

John Deere 60-IN (60D

John Deere 60-IN (60D "On Ramp") Mid-Mount Mower (Shown) (31 ...

E160 - 48-in. Mower Deck - John Deere US E160 - 48" Mower Deck. E160 Lawn Tractor. 48" Mower Deck. Yearly Maintenance Kits. Home Maintenance Kit. ... 7 - Belt - Traction Drive. Part Number: GX20006: Qty: 1: ... John Deere Multi-Purpose HD Lithium Complex Grease. Part Number: TY24416: Qty: 1:

John Deere 54X Replacement Mower Deck 54-in. for X400/X500 HDGT and X700  Series SKU21684

John Deere 54X Replacement Mower Deck 54-in. for X400/X500 HDGT and X700 Series SKU21684

John Deere 60 Mower Deck Parts Diagram - Diagram World John Deere Model 60 Mower Deck - 60-inch Deck Parts - Fits John Deere Models 425 445 and 455 Series1993 MODEL SN M060HDA010001-025000 1994 MODEL S. These options were as follows. The 60 was designed for lawn work and not for heavy workouts like the lawn and garden tractors. John Deere Z915B and Z915E Mower deck Parts for 48 54 60 7-Iron decks.

John Deere 54 in. Mower Deck Drive Belt GX21395

John Deere 54 in. Mower Deck Drive Belt GX21395

318 Deck Belt Routing | Weekend Freedom Machines

318 Deck Belt Routing | Weekend Freedom Machines

John Deere 60 Inch Mid-Mount Rotary Mower (4200/4300/4400 ...

John Deere 60 Inch Mid-Mount Rotary Mower (4200/4300/4400 ...

GEARBOX, DRIVESHAFT AND BELT SHIELDS [C07] - ATTACHMENT ...

GEARBOX, DRIVESHAFT AND BELT SHIELDS [C07] - ATTACHMENT ...

John Deere 420 60

John Deere 420 60" Deck Belt Coming Off In Slow Motion

John Deere 60-IN SD Front Mower Deck (For F910, F911, F912 ...

John Deere 60-IN SD Front Mower Deck (For F910, F911, F912 ...

1994 JD 455 60 inch mower deck belt pattern | My Tractor Forum

1994 JD 455 60 inch mower deck belt pattern | My Tractor Forum

John Deere Lawn Mower Deck belt replacement

John Deere Lawn Mower Deck belt replacement

New X590 deck installation | My Tractor Forum

New X590 deck installation | My Tractor Forum

Howdy | Green Tractor Talk

Howdy | Green Tractor Talk

John Deere 60-inch Complete Replacement Deck SKU17220

John Deere 60-inch Complete Replacement Deck SKU17220

John Deere Z915B and Z915E 48

John Deere Z915B and Z915E 48", 54", 60" Deck Parts

John Deere 62c mower deck belt routing

John Deere 62c mower deck belt routing

Help with belt routing for 60

Help with belt routing for 60" deck on a 400 | Weekend ...

60

60" mower on 420 tractor belt problem and mower questions ...

1994 JD 455 60 inch mower deck belt pattern | My Tractor Forum

1994 JD 455 60 inch mower deck belt pattern | My Tractor Forum

0 Response to "39 john deere 60 inch mower deck belt diagram"

Post a Comment

Iklan Atas Artikel

Iklan Tengah Artikel 1

Iklan Tengah Artikel 2

Iklan Bawah Artikel