Iklan 300x250

40 craftsman lt3000 parts diagram

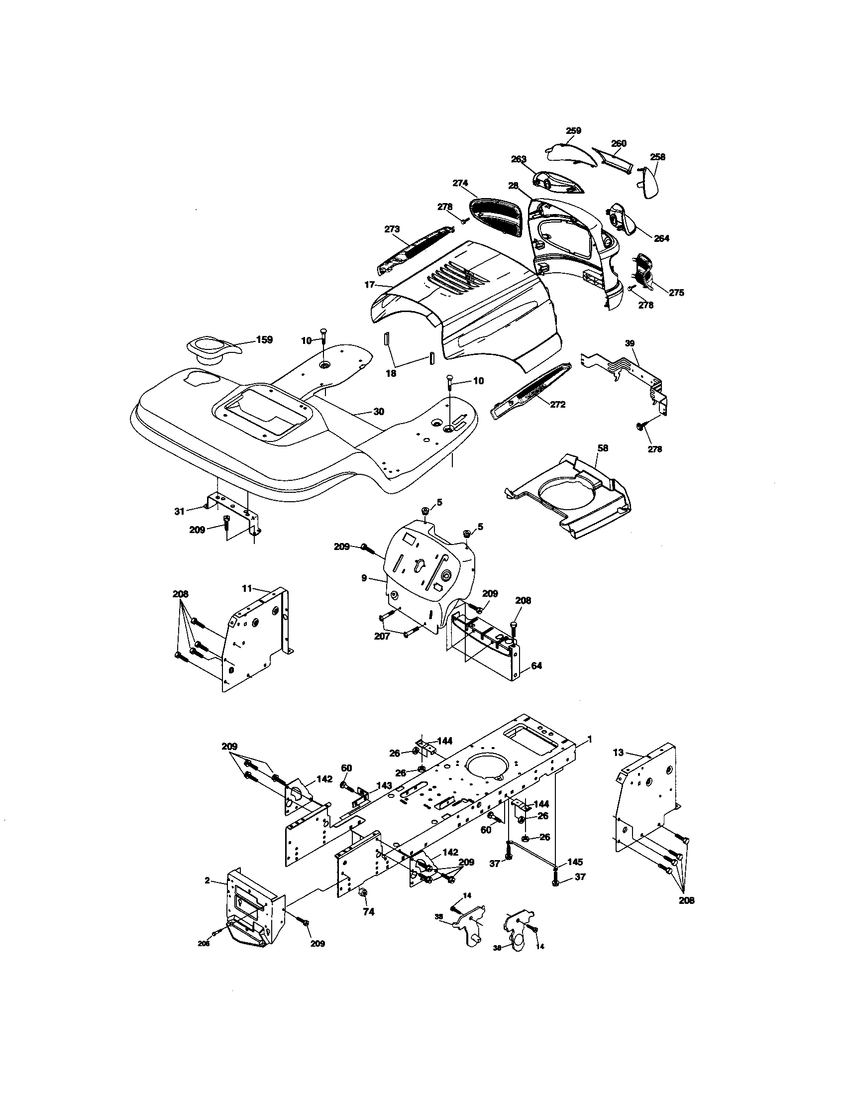
Craftsman 917276813 front-engine lawn tractor parts ... Craftsman 917276813 front-engine lawn tractor parts - manufacturer-approved parts for a proper fit every time! We also have installation guides, diagrams and manuals to help you along the way! Craftsman Lt3000 Parts Manual - syncio Find parts, manuals & diagrams for any CRAFTSMAN TRACTOR repair project. Hello, I inherited this mower from my dad because he was tired of throwing parts at it. It is a craftsman model 917.276826 mower LT3000 with 42inch.

Craftsman Tractors Parts Lookup by Model Parts lookup for Craftsman power equipment is simpler than ever. Enter your model number in the search box above or just choose from the list below. ... Craftsman Tractors Parts Diagrams 1C1A7A (1994) 1D2A3A (1993) 1E2A9A (1993) 1H2A9A (1993) 259720 (1999 & Before) 259721 (1999 & Before) 259722 (1999 & Before) 259723 (1999 & Before) 259724 ...

Craftsman lt3000 parts diagram

Craftsman lt3000 parts diagram

Craftsman Yt 3000 Parts Diagram Craftsman Yt 3000 Parts Diagram. REPAIR PARTS MANUAL. MODEL NO. This manual is designed to provide the customer with a means to identify the parts on his/her tractor when ordering repair .. Hydro Gear X Console Automatic YT/GT. diagramweb.net: Sears Craftsman YT YTS DLS DYS YS 46" Mower Deck Parts Rebuild Kit Spindle Assemblies Blades Belt ... Craftsman LT2000 Parts Diagram Craftsman LT2000 Parts Diagram LT 2000 Parts View or print the Sears Craftsman LT2000 Parts List. The LT2000 model was sold by Sears Company under the brand of Craftsman for many years. If you need the Sears Craftsman LT2000 Parts List, we have provided it below. Click here to view LT 2000 Parts Listing ... Parts Lookup and OEM Diagrams | PartsTree Repair parts lookup and OEM diagrams for outdoor equipment like Toro lawn mowers, Cub Cadet tractors, Husqvarna chainsaws, Echo trimmers, Briggs engines. The Right Parts, Shipped Fast! ... Results for "lt1000 lt 1000 14 craftsman lawn tractor 1991 03" (27493 Models) Filter Results Show

Craftsman lt3000 parts diagram. Craftsman Yts3000 Parts Manual - Diagram Niche Ideas Craftsman yts3000 parts manual. Если просмотр руководства craftsman yt 3000 непосредственно на этой странице для know your tractor read this owner's manual and safety rules before 5. This is a review of my main riding mower. Sears parts direct has parts. The lt3000 is a riding lawn mower. Craftsman LT3000 - Tractor Review The Craftsman LT3000 garden tractor lawn mower is powered by a 20 hp gasoline engine. This engine is built by Briggs and Stratton. The engine is keystarted by a 12 volt battery that provides the engine with 230 cold cranking amps. This 12 V battery is then recharged via an alternator when the engine is ticking over. Find Best Ideas For Craftsman Model 917 Parts Diagram Craftsman 917.252521 - Parts Lookup and OEM Diagrams. new . Craftsman repair parts and parts diagrams for Craftsman 917.252521 - Craftsman Lawn Tractor Order Status Customer Support 512-288-4355 My Account Login to your PartsTree.com to view your saved list of equipment. More ›. 96 People Used. 917276813 Craftsman Lawn Tractor Parts & Repair Help ... Get Parts, Repair Help, Manuals and Care Guides for 917276813 Craftsman Lawn Tractor - Lawn Tractor. View parts like V-Belt.Secdr and Flange bearing.

Craftsman Lawn Tractor | 917289240 | eReplacementParts.com Craftsman 917289240 Lawn Tractor Parts. We Sell Only Genuine Craftsman Parts. Hex Head Bolt. $2.99. Add to Cart. 584953901. Flange Bearing. $4.78. Add to Cart. Craftsman Dlt 3000 Parts Diagram Craftsman DLT - Download as PDF File .pdf), Text File .txt) or read online. the owner's manual, Sears will repair or replace free of charge any parts that.Fix your Craftsman Lawn Tractor today with parts, diagrams, accessories and repair advice from eReplacement Parts! Worldwide shipping, no hassle returns. Craftsman LT3000 Manual Craftsman LT 3000 Manual. Craftsman LT3000 Manual. View or print the Sears Craftsman LT3000 Manual. The LT 3000 model was sold by Sears Company under the brand of Craftsman for many years. If you need the Sears Craftsman LT2300 Manual, we have provided it below. The LT3000 is a riding lawn mower. Click here to view LT 3000 Parts Listing Craftsman Yt3000 Parts - Diagram Niche Ideas 21.0 hp, 42 mower electric start 6 speed transaxle. Craftsman yt3000 parts. Browse our inventory of new and used craftsman yt3000 for sale near you at tractorhouse.com. The purpose of the 530069216 tank purge line is to return the excess fuel that is in the carburetor after the primer bulb. Amazon's choice for yt3000 craftsman parts.

PDF Owner's Manual CRAFTSMAN - Sears Parts Direct CRAFTSMAN" 19.5 HP ELECTRIC START 42" MOWER AUTOMATIC LAWN TRACTOR Model No. 917.270920 • Safety • Assembly • Operation • Maintenance • Repair Parts CAUTION: Read and followallSafety Rules and Instructionsbefore operat-ingthis equipment. For answers to your questions about this product, Call: 1-800-659-5917 Sears Craftsman Help Line 5 ... Craftsman Dlt 3000 Parts Diagram - schematron.org Floormate h Parts Diagram and LG Vacuum luvr Parts Diagram. Craftsman DLT - Download as PDF File .pdf), Text File .txt) or read online. the owner's manual, Sears will repair or replace free of charge any parts that.Fix your Craftsman Lawn Tractor today with parts, diagrams, accessories and repair advice from eReplacement Parts! 247.273300 (13BP78XS099) - Craftsman T3000 Lawn Tractor ... Repair parts and diagrams for 247.273300 (13BP78XS099) - Craftsman T3000 Lawn Tractor (2018) The Right Parts, Shipped Fast! Reviews ... dlt 3000 craftsman parts diagram | eurekaconsumer.com craftsman dlt 2000 parts diagram - Bing. windowssearch-exp.com. Craftsman Dlt 2000 Belt Diagram ~ thank you for visiting our site, this is images about craftsman dlt 2000 belt diagram posted by Maria Nieto in...

My first Tractor Questions | Page 2 | My Tractor Forum

My first Tractor Questions | Page 2 | My Tractor Forum

Craftsman Dlt 3000 Drive Belt Diagram - schematron.org Craftsman Tractor Parts Tractor drive belt. $ . can somebody tell me about a craftsman drivebelt not a deck belt the man There is a belt diagram on all craftsman L&G troctors located under. show belt diagram dlt - Craftsman 20 hp 42 in. Deck Lawn Tractor question. show belt diagram dlt - Craftsman 20 hp 42 in. Deck Lawn Tractor question.

42

42" Deck Rebuild Kit Craftsman LT3000

Craftsman Parts Lookup by Model - Jacks Small Engines Craftsman Parts Lookup by Model. Order Status. Get Support. 1-877-737-2787. Hours of Operation. M-F 9AM-6PM ET. Sat 9AM-5PM ET. Contact Us ». Name.

12 Best Craftsman riding lawn mower ideas | craftsman riding ...

12 Best Craftsman riding lawn mower ideas | craftsman riding ...

PDF Craftsman Lt3000 Manual Download File PDF Craftsman Lt3000 Manual Craftsman Lt3000 Manual If you ally habit such a referred craftsman lt3000 manual books that will offer you worth, acquire the completely best seller from us currently from several preferred authors. If you desire to humorous books, lots of novels, tale, jokes, and more fictions collections are moreover launched, from best seller to one of the most ...

SOLVED: Craftsman Lawn Tractor: How do I replace the ...

SOLVED: Craftsman Lawn Tractor: How do I replace the ...

craftsman dlt 3000 parts diagram | eurekaconsumer.com Dlt 3000 Craftsman Parts Diagram. ddns.me. craftsman lt2000 parts diagram craftsman lt 3000 manual craftsman gt 3000 owners manual piper j3 parts manual 230 3000 leeboy 3000 parts manual...

Craftsman 917288520 front-engine lawn tractor parts | Sears ...

Craftsman 917288520 front-engine lawn tractor parts | Sears ...

Craftsman Lawn Tractor | 917276813 | eReplacementParts.com Use our part lists, interactive diagrams, accessories and expert repair advice to make your repairs easy. Please note shipping times may be longer than expected due to carrier delays. 877-346-4814 ... Repair Parts Home Lawn Equipment Parts Craftsman Parts Craftsman Lawn Tractor Parts Craftsman 917276813 Lawn Tractor Parts.

VW, Tiguan Europe, 2012, Body, 88100 - Catcar.info

VW, Tiguan Europe, 2012, Body, 88100 - Catcar.info

Amazon.com: Craftsman LT2000 Parts Powtol 144959 Replacement Deck Belt for Craftsman 532144959 DYT4000 LT1000 LT2000 T1000 LT1500 T2000 YT3000 LT3000 DLT3000 42-inch Deck Lawn Mower 1/2 X 95 4.3 out of 5 stars 110 $17.99 $ 17 . 99

Craftsman YT3500 - Transmission Belt Replacement

Craftsman YT3500 - Transmission Belt Replacement

Amazon.com: yt3000 craftsman parts Clutch Cable Fits for Craftsman Riding Mower - Deck Engagement Blade Clutch Cable Fit for Husqvarna Poulan Sears Craftsman YT3000 YT4000 42" 46" Mower Tactor, Replaces 532435111 197257 435111 408714. 3.5 out of 5 stars. 19.

SEARS LT1000 CRAFTSMAN Hyd 17 hp 42 Lawn Tractor Owner ...

SEARS LT1000 CRAFTSMAN Hyd 17 hp 42 Lawn Tractor Owner ...

Parts Lookup and OEM Diagrams | PartsTree Repair parts lookup and OEM diagrams for outdoor equipment like Toro lawn mowers, Cub Cadet tractors, Husqvarna chainsaws, Echo trimmers, Briggs engines. The Right Parts, Shipped Fast! ... Results for "lt1000 lt 1000 14 craftsman lawn tractor 1991 03" (27493 Models) Filter Results Show

Craftsman Riding Mower Electrical Diagram | Wiring Diagram ...

Craftsman Riding Mower Electrical Diagram | Wiring Diagram ...

Craftsman LT2000 Parts Diagram Craftsman LT2000 Parts Diagram LT 2000 Parts View or print the Sears Craftsman LT2000 Parts List. The LT2000 model was sold by Sears Company under the brand of Craftsman for many years. If you need the Sears Craftsman LT2000 Parts List, we have provided it below. Click here to view LT 2000 Parts Listing ...

Poulan PB155G42 - 96012012900 (2013-09) Parts Diagram for ...

Poulan PB155G42 - 96012012900 (2013-09) Parts Diagram for ...

Craftsman Yt 3000 Parts Diagram Craftsman Yt 3000 Parts Diagram. REPAIR PARTS MANUAL. MODEL NO. This manual is designed to provide the customer with a means to identify the parts on his/her tractor when ordering repair .. Hydro Gear X Console Automatic YT/GT. diagramweb.net: Sears Craftsman YT YTS DLS DYS YS 46" Mower Deck Parts Rebuild Kit Spindle Assemblies Blades Belt ...

1480) - CASE IH AXIAL-FLOW COMBINE (1/78-12/84) (04-01 ...

1480) - CASE IH AXIAL-FLOW COMBINE (1/78-12/84) (04-01 ...

Wiring ZAZ-968 968А-3724010 for ZAZ 965

Wiring ZAZ-968 968А-3724010 for ZAZ 965

Carburetor Carb For 22HP Craftsman T3000 T3200 Lawn Tractor Briggs &  Stratton | eBay

Carburetor Carb For 22HP Craftsman T3000 T3200 Lawn Tractor Briggs & Stratton | eBay

Murray 7800565 - RT125380, 12.5HP 38

Murray 7800565 - RT125380, 12.5HP 38" Gear Drive Manual PTO ...

Craftsman 917249791 User Manual GRASS CATCHER Manuals And ...

Craftsman 917249791 User Manual GRASS CATCHER Manuals And ...

Husqvarna YTH1842-917243820 Lawn Tractor | Partswarehouse

Husqvarna YTH1842-917243820 Lawn Tractor | Partswarehouse

Craftsman Tractor | 917275810 | eReplacementParts.com

Craftsman Tractor | 917275810 | eReplacementParts.com

Craftsman 20390 42

Craftsman 20390 42" 22HP V-Twin Briggs & Stratton Turn Tight ...

Craftsman 917249791 User Manual GRASS CATCHER Manuals And ...

Craftsman 917249791 User Manual GRASS CATCHER Manuals And ...

Craftsman Lawn Mower 247.37683 User Guide | ManualsOnline.com

Craftsman Lawn Mower 247.37683 User Guide | ManualsOnline.com

Buy G 2600 VH (version 1) Replacement Tool Parts | G 2600 VH ...

Buy G 2600 VH (version 1) Replacement Tool Parts | G 2600 VH ...

SOLVED: Where are all the safety switches on Craftsman lawn ...

SOLVED: Where are all the safety switches on Craftsman lawn ...

Craftsman 917288522 front-engine lawn tractor parts | Sears ...

Craftsman 917288522 front-engine lawn tractor parts | Sears ...

Craftsman LT 3000 Manuals | ManualsLib

Craftsman LT 3000 Manuals | ManualsLib

Craftsman Tractor | 917275810 | eReplacementParts.com

Craftsman Tractor | 917275810 | eReplacementParts.com

Craftsman Lt3000 Parts List | Outlet museusolsona.cat

Craftsman Lt3000 Parts List | Outlet museusolsona.cat

42

42" Deck Rebuild Kit Craftsman LT3000, 917276813, 917276824, YTH20F42T

Craftsman Belts

Craftsman Belts

Craftsman Lawn Tractor | 917288515 | eReplacementParts.com

Craftsman Lawn Tractor | 917288515 | eReplacementParts.com

One owner Craftsman YS-4500 riding lawn mower - RonMowers

One owner Craftsman YS-4500 riding lawn mower - RonMowers

Craftsman 917288520 front-engine lawn tractor parts | Sears ...

Craftsman 917288520 front-engine lawn tractor parts | Sears ...

MH014228 | Genuine Mitsubishi FUSO® Air Conditioning Belt ...

MH014228 | Genuine Mitsubishi FUSO® Air Conditioning Belt ...

Craftsman Lawn Mower Parts List Online Shop, UP TO 63% OFF ...

Craftsman Lawn Mower Parts List Online Shop, UP TO 63% OFF ...

Ariens 925009 (000501 - 001824) Emperor, 8hp Tec., Recoil, 38 ...

Ariens 925009 (000501 - 001824) Emperor, 8hp Tec., Recoil, 38 ...

T130 42-in. 18.5 HP* Automatic Riding Mower | CRAFTSMAN

T130 42-in. 18.5 HP* Automatic Riding Mower | CRAFTSMAN

CRAFTSMAN T110 17.5-HP Manual/Gear 42-in Riding Lawn Mower ...

CRAFTSMAN T110 17.5-HP Manual/Gear 42-in Riding Lawn Mower ...

SOLVED: What size hydro drive belt can I use to replace - Fixya

SOLVED: What size hydro drive belt can I use to replace - Fixya

SEARS CRAFTSMAN LT 10 /36 Riding Lawn & Garden Tractor Owner ...

SEARS CRAFTSMAN LT 10 /36 Riding Lawn & Garden Tractor Owner ...

WH4817 Husqvarna Commercial Mower Hydro Pump-Motor Parts

WH4817 Husqvarna Commercial Mower Hydro Pump-Motor Parts

Craftsman 917275821 front-engine lawn tractor parts | Sears ...

Craftsman 917275821 front-engine lawn tractor parts | Sears ...

0 Response to "40 craftsman lt3000 parts diagram"

Post a Comment

Iklan Atas Artikel

Iklan Tengah Artikel 1

Iklan Tengah Artikel 2

Iklan Bawah Artikel