37 2001 dodge ram 1500 stereo wiring diagram
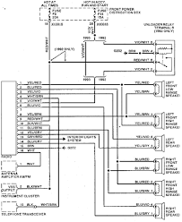
2001 Dodge Ram 1500 Truck Stereo Wiring Information. Radio Battery Constant 12v+ Wire: Red Radio Accessory Switched 12v+ Wire: Red/White Radio Ground Wire: Black/Dark Green Stereo Dimmer Wire: Orange/White Stereo Antenna Trigger Wire: Yellow Left Front Speaker Positive Wire (+): Dark Green Left Front Speaker Negative Wire (-): Brown/Red Right Front Speaker Positive Wire (+): Violet 2001 Dodge Ram 1500 Radio Wiring Diagram – 2001 dodge ram 1500 infinity sound system wiring diagram, 2001 dodge ram 1500 radio wiring diagram, Every electric arrangement consists of various diverse pieces. Each part should be placed and connected with different parts in particular way. If not, the structure won’t function as it should be.
Jan 6, 2021 - 1995 Dodge Ram 1500 Radio Wiring Diagram Dynante Info Showy With 2001 Dodge Ram Radio Wiring Diagram In Dodge Ram Radio Wiring Diagram, ...

2001 dodge ram 1500 stereo wiring diagram
6:06How to install a radio in a 1999 Dodge Ram 1500 and other similar models. Skipping the wiring harness and ...28 Feb 2019 · Uploaded by Tight Flight Productions 2nd Gen Ram Tech - aftermarket radio wiring - hey all, got a 2001 ram 1500 ... amp turns on and off when you turn the radio on and off. anyone got a diagram ... 29 Oct 2006 — Thanks! 2001 Dodge Ram 1500 SLT Laramie 5.9L Magnum.
2001 dodge ram 1500 stereo wiring diagram. 2000 Dodge Ram 1500 Truck. December 1st, 2015 Posted in Dodge Ram 1500 Truck. 2000 Dodge Ram 1500 Truck Stereo Wiring Information. Radio Constant 12v+ Wire: Red ... The stereo wiring diagram listed above is provided “as is” without any kind of warranty. Use of the information above is at your own risk. Leave a Reply. Name (required) SOURCE: need 2001 dodge 1500 fuel pump replacement diagram make sure you get the right pump, you need to know your tank size. then take off your bed. you have i believe 6 bed bolts, disconnect tail lights (unplug from underneath) remove bed grounding strap 1 screw, remove bed with help. 2000 Dodge Ram 1500 Stereo Wiring Diagram – wiring diagram is a simplified okay pictorial representation of an electrical circuit. It shows the components of the circuit as simplified shapes, and the knack and signal contacts together with the devices. A wiring diagram usually gives guidance very nearly the relative point and concurrence of ... I need a radio wiring diagram for my 2001 dodge ram 1500. ... The one I'm working on is a 2001 dodge ram 1500, 2wd. My other truck is a 1998 dodge dakota 4wd. Same wiring so I cut a harness off my new truck to fit my old one. It didn't work. So now I have zero connection on ground and my illumination lights won't turn on.
2001 Dodge Ram Radio Wiring Diagram from i0.wp.com To properly read a wiring diagram, one provides to find out how typically the components within the program operate. For example , if a module will be powered up also it sends out a new signal of half the voltage plus the technician would not know this, he would think he provides an issue, as ... Disclaimer: * All information on this site ( the12volt.com ) is provided "as is" without any warranty of any kind, either expressed or implied, including but not limited to fitness for a particular use. Any user assumes the entire risk as to the accuracy and use of this information. Please verify all wire colors and diagrams before applying any information. SOURCE: 2001 dodge ram 1500 v8 spark plug wire diagram. the firing order is 1 8 4 3 6 5 7 2 clockwise ... SOURCE: 1998 dodge ram 1500 4x4 stereo wiring. 2001 Dodge Ram 1500 Radio Wiring Diagram – wiring diagram is a simplified satisfactory pictorial representation of an electrical circuit. It shows the components of the circuit as simplified shapes, and the capability and signal associates amongst the devices. A wiring diagram usually gives instruction virtually the relative perspective and ...
2001 Dodge Ram 1500 Wiring Diagram To properly read a cabling diagram, one offers to find out how the particular components inside the system operate. For instance , in case a module is usually powered up and it also sends out the signal of fifty percent the voltage in addition to the technician does not know this, he'd think he has a challenge ... 29 Oct 2006 — Thanks! 2001 Dodge Ram 1500 SLT Laramie 5.9L Magnum. 2nd Gen Ram Tech - aftermarket radio wiring - hey all, got a 2001 ram 1500 ... amp turns on and off when you turn the radio on and off. anyone got a diagram ... 6:06How to install a radio in a 1999 Dodge Ram 1500 and other similar models. Skipping the wiring harness and ...28 Feb 2019 · Uploaded by Tight Flight Productions
Dodge Ram 1500 (DS) 2017 Plus Electrical Wiring Diagrams - Auto Repair Software-Auto EPC Software-Auto Repair Manual-Workshop Manual-Service Manual-Workshop Manual
48re throttle valve actuator wiring diagram in 2021 | Chrysler, Jeep grand cherokee, Jeep grand cherokee laredo
DODGE 1994 - 2001 RAM 1500 CAR RADIO STEREO CD PLAYER DASH INSTALL MOUNTING KIT HARNESS - Walmart.com
0 Response to "37 2001 dodge ram 1500 stereo wiring diagram"
Post a Comment