39 yamaha warrior 350 carb diagram
Step by step guide on rebuilding a Carburetor on a Yamaha Warrior 350! Yamaha Warrior Carb Diagram ~ welcome to our site, this is images about yamaha warrior carb diagram posted by Ella Brouillard in Yamaha category on Nov 17, You can also find other images like wiring diagram, parts diagram, replacement parts, electrical diagram, repair manuals, engine. Congratulations on your purchase of the Yamaha YFMX.
Yamaha warrior 350 carburetor adjustment

Yamaha warrior 350 carb diagram
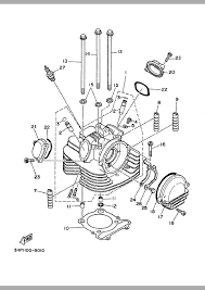
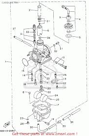
We are disassembling, cleaning, rebuilding, and re-assembling a Yamaha Warrior 350 CarburetorCleaner Link: https://amzn.to/2UUYfrjUltrasonic Cleaner Link: ... #DescriptionPrice0CARBURETOR ASSY 1 | CA; 3GD‑14101‑10‑00Unavailable0NOZZLE, MAIN | U49; 1UY‑14141‑36‑00Unavailable7CLIP; 737‑14137‑00‑00UnavailableView 43 more rows Navigate your 1997 Yamaha Warrior 350 YFM35XJ CARBURETOR schematics below to shop OEM parts by detailed schematic diagrams offered for every assembly on your machine. OEM is an acronym for original equipment manufacturer, which means that the 1997 Yamaha Warrior 350 YFM35XJ CARBURETOR OEM parts offered at BikeBandit.com are genuine Yamaha parts.
Yamaha warrior 350 carb diagram. We know when you order your 1998 Yamaha Warrior 350 YFM35XK CARBURETOR OEM parts you want it now, so BikeBandit.com has developed the best online real-time ... Yamaha blaster bogging down 30.10.2021 · Yamaha blaster bogging down Yamaha rhino transmission problems. So if your Yamaha Rhino is lacking in one or both of those areas, you will not get the maximum power out of your machine. 5-gallon fuel capacity and a dump bed with 400lb cargo limit. 1 out of 5 stars 33 7. fc2. 450 CARB 1995 YAMAHA WARRIOR 350CC OIL DRAIN 1998 YAMAHA WARRIOR 350 complete engine, piece by piece engine I can put it together.
Next?Share Yamaha, ATV, WARRIOR (YFMXNC), Yamaha. Yamaha Warrior YFM35XN CARBURETOR Parts at wiringall.com Open and Print this schematic Link to this schematic Home Full Page. New CARBURETOR CARB For Yamaha Warrior YFM YFM Fit Yamaha Warrior CARBURETOR YFM YFM ATV QUAD . 19 91 Congratulations on your purchase of the Yamaha YFMX. 2000 Yamaha Warrior 350 YFM35XM CARBURETOR Parts at BikeBandit.com. The Web's most trusted source for 2000 Yamaha Warrior 350 YFM35XM CARBURETOR OEM Parts. The Yamaha 350 raptor is the same thing as a Yamaha warrior just with liquid cooling the motors still basically all the same the valve setting on my 2000 warrior are .004 on intake and .006 on exhaust 2004 Yamaha Warrior 350 YFM35XS CARBURETOR Parts at BikeBandit.com. The Web's most trusted source for 2004 Yamaha Warrior 350 YFM35XS CARBURETOR OEM Parts.
Yamaha Grizzly 700 Starting Problems Troubleshooting Test #1. engine wont start, 2008 Yamaha Raptor 350 engine misfires at idle, 2008 Yamaha Raptor 350 engine misfires at high speed, engine stalls, 2008 Yamaha Raptor 350 no fuel at carburetor or flooding at carb, 2008 Yamaha Raptor 350 backfires, overheating or running to hot, engine Apr 27, 2008 · Did the usual stuff and found it had no ... Yamaha BIG BEAR 4WD - YFMFWA Carburetor Diagram 1, CARBURETOR ASSEMBLY 1. yamaha warrior wiring diagram free engine yamaha warrior wiring harness 38 wiring diagram yamaha big bear atv carburetor clean. Yamaha - Carb Adjustment on Big Bear - Can someone tell or more helpful show the adj screws are for a Big Bear 4x4 fuel/air mixture on the ... Yamaha blaster bogging down. WordDisk helps you to build your English vocabulary while you read. Yamaha blaster bogging down. Yamaha blaster bogging down ... Chevy 350 carb adjustment
Yamaha 200 hpdi specs Apr 22, 2015 · Wiring diagram for an 87 yamaha 350 d warrior. 100-200 hp. ) pitch threads. 3L 35 POWER HEAD TOOLS Part# Description/Use Application YB-44478 O2 Sensor Wrench OX66, 2. 99. C 3. She's an old motor from 2002 but only has 500 hours on it, so relatively light use compared to its age. Fully-insulated cooler ...
Yamaha Warrior 350 Carb. Fit for: Yamaha Models. - WARRIOR.Navigate your Yamaha Warrior YFM35XN CARBURETOR schematics below to shop OEM parts by detailed schematic diagrams offered for every assembly on your machine. OEM is an acronym for original equipment manufacturer, which means that the Yamaha Warrior YFM35XN CARBURETOR OEM parts offered ...
2002 Yamaha Warrior 350 YFM35XP CARBURETOR Parts at BikeBandit.com. The Web's most trusted source for 2002 Yamaha Warrior 350 YFM35XP CARBURETOR OEM Parts.
1987 Yamaha Warrior 350 YFM35XT CARBURETOR Parts at BikeBandit.com. The Web's most trusted source for 1987 Yamaha Warrior 350 YFM35XT CARBURETOR OEM Parts.
Carburetor carb for yamaha grizzly 450 4wd 2007 2011 grizzly 350 yfm450 yfm 450 2007 2012 4x4 atv carburetor for 2006 2009 wolverine 350 2007 2010 wolverine 450 2000 2006 kodiak 400 yfm400. Overall height: 1,035 mm (40. 5L 1. Move the red probe to the positive terminal on the starter. Apr 06, 2015 · How can i install a speaker on my waverunner how do i remove my mid shaft on a 2000 gp1200r ...
1991 Yamaha Warrior 350 YFM35XB CARBURETOR Parts at BikeBandit.com. The Web's most trusted source for 1991 Yamaha Warrior 350 YFM35XB CARBURETOR OEM Parts.
28.10.2021 · Yamaha blaster bogging down. Yamaha blaster bogging down
Yamaha warrior 350 carburetor diagram best wiring for. Manufactured by niche industries a brand known for its industry leading quality this carburetor is designed to outperform your stock carb by providing 10 15 more horsepower giving you more.
The Web's most trusted source for 2001 Yamaha Warrior 350 YFM35XN CARBURETOR Parts & OEM Diagram. Use our comprehensive OEM schematic diagrams to find the ...
Navigate your 1997 Yamaha Warrior 350 YFM35XJ CARBURETOR schematics below to shop OEM parts by detailed schematic diagrams offered for every assembly on your machine. OEM is an acronym for original equipment manufacturer, which means that the 1997 Yamaha Warrior 350 YFM35XJ CARBURETOR OEM parts offered at BikeBandit.com are genuine Yamaha parts.
#DescriptionPrice0CARBURETOR ASSY 1 | CA; 3GD‑14101‑10‑00Unavailable0NOZZLE, MAIN | U49; 1UY‑14141‑36‑00Unavailable7CLIP; 737‑14137‑00‑00UnavailableView 43 more rows
We are disassembling, cleaning, rebuilding, and re-assembling a Yamaha Warrior 350 CarburetorCleaner Link: https://amzn.to/2UUYfrjUltrasonic Cleaner Link: ...
0 Response to "39 yamaha warrior 350 carb diagram"
Post a Comment