40 ansul r 102 wiring diagram
This manual is intended for use with ANSUL® R-102 Restaurant Fire Suppression Systems. Those who install, operate, recharge, or maintain these fire sup-pression systems should read this entire manual. Specific sec-tions will be of particular interest depending upon one’s responsibilities. Design, installation, recharge, and maintenance of ... This manual is intended for use with ANSUL ... ''HOOD SEAL''ADAPTOR 3-7 ... The ANSUL R-102 Restaurant Fire Suppression System is.
R-102 RESTAURANT FIRE SUPPRESSION SYSTEM Design, Installation, Recharge and Maintenance Manual This manual is intended for use with ANSUL® R-102 Restaurant ...

Ansul r 102 wiring diagram
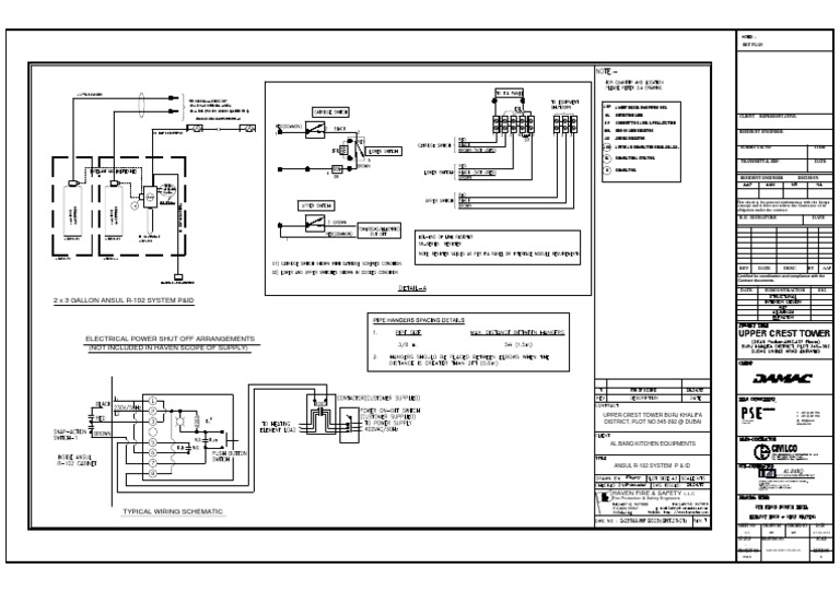
Label System (Wiring Diagram) Remote Release R Ansul. Label System ( Wiring Diagram) Remote Release R Ansul. Add to Quote. Product Code. ProTex II™ 3 Gallon Cylinder Assembly, L ProTex II™ Gallon Cylinder Assembly, Ansul® 6 Litre K-Guard® Wet Chemical Fire Extinguisher w/. Kitchen. Diagram electrical wiring diagrams for ansul r 102 fire suppression full under hood lights system contractor talk r102 drawing i need help with an the schematic commercial kitchen vent electrician using contactors check am exhaust switches into switch cover mike holt s forum ditdottudit radon mitigation fan interlock micro systems one line checkfire 210 critique my suzuki every in ... WIRING DIAGRAM 9-16 – 9-17. DESIGN AND APPLICATION The ANSUL R-102 Restaurant Fire Suppression System is developed and tested to provide fire protection for restaurant cooking appliances, hoods, and ducts. It is a pre-engineered group of mechanical and electrical components for installation
Ansul r 102 wiring diagram. The ANSUL® R-102 Restaurant Fire Suppression System is an automatic, pre-engineered, fire suppression system designed to protect areas associated with ventilating equipment includ-ing hoods, ducts, plenums, and filters. The system also protects auxiliary grease extraction equipment and cooking equipment NOTE: This is a typical layout for an ANSUL® R-102 Restaurant Fire Suppression System. The actual system installation may vary. 003441 HOW THE ANSUL® R-102 SYSTEM OPERATES 1. A fire starts in the protected area. 2. Heat sensitive fusible link detectors activate the system. 3. Appliance energy sources are automatically shut off by Description: Ansul R 102 Wiring Diagram – Facbooik for Ansul System Wiring Diagram, image size 720 X 917 px, and to view image details please click the image. Here is a picture gallery about ansul system wiring diagram complete with the description of the image, please find the image you need. Ansul R 102 Wiring Diagram | Wiring Library – Ansul System Wiring Diagram. Wiring Diagram includes many detailed illustrations that display the relationship of assorted products. It consists of guidelines and diagrams for various types of wiring strategies as well as other items like lights, home windows, and so forth.
This manual is intended for use with ANSUL® R-102. Restaurant Fire Suppression Systems. Those who install, operate, recharge, or maintain these fire. Ansul R 102 Wiring Diagram | Wiring Library – Ansul System Wiring Diagram. The diagram offers visual representation of a electric arrangement. However, the diagram is a simplified variant of the arrangement. This makes the process of building circuit simpler. This diagram gives information of circuit components in addition to their own ... Installation, Operation, Recharge, Inspection, and. Maintenance Manual. YOUR ROLE IN FIRE PROTECTION. Your Ansul Fire Suppression System is of the highest.4 pages View and Download Ansul R-102 installation and maintenance manual online. restaurant fire suppression system. R-102 fire alarms pdf manual download.
Wire the upper switch(es) according to the switch wiring diagram ... One Stanton Street / Marinette, WI 54143-2542, USA / +1-715-735-7411 / www.ansul.com.2 pages The R-102 Fire Suppression System incorporates a flexible design with an ... ANSUL R-102™ Restaurant Fire Suppression System (UL 300) Systems Owner's Manual ... Ansul R 102 Wet Chemical Fire Suppression System Wiring Diagram. Ansul R 102 Wet Chemical Fire Suppression System Wiring Diagram – wiring diagram is a simplified standard pictorial representation of an electrical circuit. It shows the components of the circuit as simplified shapes, and the power and signal links along with the devices. WIRING DIAGRAM 9-16 – 9-17. DESIGN AND APPLICATION The ANSUL R-102 Restaurant Fire Suppression System is developed and tested to provide fire protection for restaurant cooking appliances, hoods, and ducts. It is a pre-engineered group of mechanical and electrical components for installation
Kitchen. Diagram electrical wiring diagrams for ansul r 102 fire suppression full under hood lights system contractor talk r102 drawing i need help with an the schematic commercial kitchen vent electrician using contactors check am exhaust switches into switch cover mike holt s forum ditdottudit radon mitigation fan interlock micro systems one line checkfire 210 critique my suzuki every in ...
Label System (Wiring Diagram) Remote Release R Ansul. Label System ( Wiring Diagram) Remote Release R Ansul. Add to Quote. Product Code. ProTex II™ 3 Gallon Cylinder Assembly, L ProTex II™ Gallon Cylinder Assembly, Ansul® 6 Litre K-Guard® Wet Chemical Fire Extinguisher w/.
Ansul Restaurant Model R 102 Fire Fire Suppression Pdf Pdfinstallation Recharge And Maintenance Manual System Description The
R 102 Restaurant Fire Suppression System Design Installation Recharge And Maintenance Manual Pdf Free Download
I Need Help With An Ansul System The Form Needs To Have The Heat Air System To Be Shut Off When The Fire System It
Ansul R102 Restaurant Fire System Design Installation Recharge Maintance Manual Fire Protection Equipment Facility Maintenance Safety
Pdf R 102 Restaurant Fire Suppression System Design Installation Recharge And Maintenance Manual Heberto Martinez Duran Academia Edu
R 102 Restaurant Fire Suppression System Design Installation Recharge And Maintenance Manual Pdf Free Download
I Have The Need To Operate An Ansul System Using Contactors And 2 Micro Switches One Will Drop Power For Light And
0 Response to "40 ansul r 102 wiring diagram"
Post a Comment