Iklan 300x250

38 kubota bx2230 parts diagram

Kubota bx2230 parts manual pdf - United States ... Kubota BX2230 Tractor Parts Tractor Parts for Kubota BX2230 at All States Ag Parts. We carry new, rebuilt and used Kubota BX2230 Tractor Parts . Our inventory of Kubota BX2230 Tractor Parts is always changing. If the part you need is not listed online, please call toll-free 877-530-4430. Save money with rebuilt and used Kubota BX2230 parts! Wiring diagram for BX2230 - TractorByNet On their Kubota page you list your tractor model. It gives you a list of tractor sections, electrical being one of these. They will then email a schematic of the electrical system. If that doesn't work I expect you will have to buy a service manual. This they can also supply. Oct 17, 2011 #5 OP RaydaKub Veteran Member Joined Sep 1, 2011 Messages

Parts for Kubota BX2230D Sub-Compact Tractors | Coleman ... Parts for Kubota BX2230D Sub-Compact Tractors | Coleman Equipment. Internet Parts. 877-851-3647. parts@colemanequip.com. Bonner Springs, KS. 24000 W. 43rd St. (913) 422-3040. Lee's Summit, MO.

Kubota bx2230 parts diagram

Kubota bx2230 parts diagram

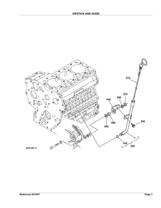
Kubota b6100 parts manual pdf - United States Instructions ... Kubota B6100HST , B7100HST Tractor. This factory Kubota B6100 parts manual will give you detailed parts information, exploded diagrams, and breakdowns of all parts numbers for all aspects of the Kubota B6100, including every detail of the engine parts. This Kubota B6100 Illustrated Parts List Manual covers these areas of the machine: General ... Amazon.com: kubota parts OEM Kubota Filter Kit for BX24 BX25 BX2230 BX2350 BX2360 BX2370. 4.7 out of 5 stars 326. $84.88 $ 84. 88. Get it as soon as Thu, Apr 14. FREE Shipping. Only 12 left in stock - order soon. More Buying Choices $55.00 (4 new offers) ... kubota mower parts kubota replacement parts ... Kubota BX2230D (4WD DSL TRA W/ROPS & S.B. W/O TIRES) Parts 100501 HEAD COVER. 100502 HEAD COVER. 100600 OIL FILTER. 100700 DIPSTICK AND GUIDE. 100800 OIL PUMP. 110000 MAIN BEARING CASE. 110100 CAMSHAFT AND IDLE GEAR SHAFT. 110200 PISTON AND CRANKSHAFT. 110300 FLYWHEEL.

Kubota bx2230 parts diagram. Kubota Bx2230 Parts Manual, B3030 Tractor Workshop Service ... Kubota, BX1500 BX1830 BX2230 Operators Manual, Part #. 2009-01-04 kubota rear snow blower prices saserby, rototillers are generally used during the warmer summer months. The kubota d902 is a vertical, water-cooled, 3-cylinder, 4-cycle idi diesel engine with a capacity of 20.4hp at 3600rpm. Shop our selection of Kubota BX2230 Parts and Manuals Some of the parts available for your Kubota BX2230 include Air Conditioning, Clutch, Transmission, PTO, Electrical & Gauges, Filters, Lawn and Garden and Specialty Belts, Lights and Related, Seats | Cab Interiors, Shop Supply, Sunbelt - Air Filters, Sunbelt - Blades, Sunbelt - Electrical, Sunbelt - Fuel, Sunbelt - Oil Filters. Kubota parts catalog online Kubota parts catalog online. Search by your machine to find part numbers with illustrations. New Parts Catalog. Hyundai parts catalog. Part Number Information parts manager pro is the electronic parts catalog (EPC) and parts manuals. The original directory on the selection of spare parts for machinery Kubota . Kubota Bx2200 Tractor Illustrate Parts List Manual It has step-by-step instruction & highly detailed exploded pictures & diagrams to show you how to fault find or complete any repair or overhaul, correctly and efficiently. Kubota Bx2200 Tractor Illustrate Parts List Manual Free shipping by email Price: $39.99

Kubota GCK60-23BX Parts GRASS CATCHER V50400 GCK KIT FOR ... 020 - STAY (B*2230 RH) (click to show part info) 030 - COVER (PTO RH) (click to show part info) 040 - COVER (PTO LH) (click to show part info) 050 - BOLT M8X1.25X20 MM *** (click to show part info) 060 - NUT,M8-1.25 SELF LOCK *** (click to show part info) 070 - BOLT M10X1.25X30 MM * (click to show part info) Tractor Parts | New, Used, Rebuilt | All States Ag Parts Belt - Deck fits Kubota B2410 B1700 BX1830 B2630 B2910 B7300 BX23 BX22 B7800 BX2230 B2710 B7510 B7500 B2400 BX25 B7400 B2100 BX24 B3030 B7610 BX2200 ASAP Item No. 182031 View Details $91.99 Kubota Bx2380 Parts Diagram - schemaeasy.com Kubota Parts Diagram The Kubota parts manual will go on to detail the instrument panel and controls, with detailed instructions as to what the various light switches and signals mean. Replacement parts of a Kubota tractor can either be bought from a manufacturer, or through dealership or through various websites online. PDF Kubota BX Series Reference guide. - Ai2 Products The BX23 was the first model that was offered by Kubota based on the next generation BX2230 series tractor and was a factory package you could order from the dealer. The tractor was decaled as a BX23 and came right from the factory with the LA211 loader and the BT600 backhoe. You could add a backhoe

Kubota BX2200 Parts - Agricultural Equipment Parts Kubota BX2200 Parts - Specs. Narrow your search for Kubota BX2200 Parts by selecting categories on the left.. The Kubota BX2200 Tractor was manufactured in Japan from 2001 to 2003. The Kubota BX2200 was designed as a sub-compact utility tractor.The Kubota BX2200 was powered by a 22 hp 0.9L 3-cyl diesel engine.. Click here for the Kubota BX2200 parts diagram. ... Kubota BX2230D Parts ELECTRICAL SYSTEM B30300 HAZARD LIGHT ... Parts list and parts diagram for a Kubota BX2230D Parts {'Toggle navigation'|gettext} Hotline Operating Hours: Monday to Friday, 7AM to 6PM CT Saturday from 7:30AM - Noon (Click here for after-hours parts support) Parts Hotline: (855) 667-0970 Parts Text M es sage: (309) 204-9222 0. Wiring diagram for kubota bx2230 d - Fixya wiring diagram for kubota bx2230 d bought used and wiring harness was pulled apart. need wiring to start it. - Cars & Trucks question Free Pdf Kubota Bx2230 Service Manual - Digital Library Download File PDF Free Kubota Bx2230 Service Manual Free Kubota Bx2230 Service Manual Getting the books free kubota bx2230 service manual now is not type of challenging means. Replacement parts for the Kubota BX2230 may be needed at any point in its lifetime either as replacement parts in a routine service because a part has become defective or ...

Kubota BX2230D (4WD DSL TRA W/ROPS & S.B. W/O TIRES) Parts

Kubota BX2230D (4WD DSL TRA W/ROPS & S.B. W/O TIRES) Parts

Kubota BX2230D Tractor Master Parts Manual Download ... This factory Kubota BX2230D parts manual will give you detailed parts information, exploded diagrams, and breakdowns of all parts numbers for all aspects of the Kubota BX2230D, including every detail of the engine parts. This Kubota BX2230D Illustrated Parts List Manual covers these areas of the machine: General Engine Engine Equipment Transmission

Woods L306K50 Kubota L2250, L2550, L2850 Undermount/Mid-mount ...

Woods L306K50 Kubota L2250, L2550, L2850 Undermount/Mid-mount ...

Kubota | Parts - Agriculture & Construction Equipment Kubota parts are designed and engineered to original factory specifications to keep your equipment operating at peak performance. And, with our industry-leading parts availability, you can be confident your local Kubota dealer will be able to quickly supply the parts you need. For reliable, long-lasting performance of your Kubota equipment ...

Kubota BX2230D (4WD DSL TRA W/ROPS & S.B. W/O TIRES) Parts

Kubota BX2230D (4WD DSL TRA W/ROPS & S.B. W/O TIRES) Parts

Parts for Kubota RCK60B-22BX(BX1830 BX2230) Mower Decks ... Cart. Coleman Equipment & Parts Hotline: 877-851-3647. Home / Parts / Kubota RCK60B-22BX (BX1830 BX2230) Mower Decks. Kubota RCK60B-22BX (BX1830 BX2230) Mower Decks Mower Deck Parts. Common Service Parts and Accessories: Select a Category Deck Pulleys & Belts Mower Deck Parts Mower Blades and Hardware Mower Gauge Wheels and Guards.

Kubota BX2230D (4WD DSL TRA W/ROPS & S.B. W/O TIRES) Parts

Kubota BX2230D (4WD DSL TRA W/ROPS & S.B. W/O TIRES) Parts

Kubota BX2230 Tractor Parts | Up to 60% off Dealer Prices ... Production of the Kubota BX2230 Tractor started in 2004 and continued until 2006. Make sure you have access to your tractor serial number, because there is a chance that the Kubota BX2230 parts you need depend on that serial number. The type I 3-point hitch is very reliable, capable to lift 680 lbs [308 kg].

930D2 2008 Engine Assembly - Grasshopper Mower PartsThe Mower ...

930D2 2008 Engine Assembly - Grasshopper Mower PartsThe Mower ...

Kubota Bx2200 Wiring Diagram Kubota BX Parts Catalogs & Information. Extensive diagrams and resources for Kubota equipment. Uploaded by Capnmudd. Workshop Service Manual (WSM) for the Kubota BX & BX compact tractor. .. Before disassembling or servicing electrical wires, always disconnect the ground [1] WIRING DIAGRAM 6-M1 [2] STARTING. Nov 17, maintenance, wiring diagrams ...

Frozen loader Control Valve | OrangeTractorTalks - Everything ...

Frozen loader Control Valve | OrangeTractorTalks - Everything ...

Wiring Diagram For Kubota Bx2230, B50 Series This tractor has a 22hp 3 cylinder liquid cooled kubota diesel engine, new engine oil, new engine oil filter, new air filter, hydrostatic transmission with hi- low range, power steering, foot operated locking rear differential, 4x4, live 540 r. If you know of a tractor brand that is not listed, please contact me.

KUBOTA BX 2230 BX 2230 D Parts Manual 260pg of BX2230D | Etsy

KUBOTA BX 2230 BX 2230 D Parts Manual 260pg of BX2230D | Etsy

Kubota BX2200D (4WD DSL TRA W/ROPS & S.B. W/O TIRES) Parts 110300 FLYWHEEL. 110500 FUEL CAMSHAFT AND GOVERNOR SHAFT. 120000 IDLE APPARATUS. 120100 STOP SOLENOID. 120200 INJECTION PUMP. 120401 GOVERNOR. 120402 GOVERNOR. 120500 SPEED CONTROL PLATE.

Kubota BX2230D (4WD DSL TRA W/ROPS & S.B. W/O TIRES) Parts

Kubota BX2230D (4WD DSL TRA W/ROPS & S.B. W/O TIRES) Parts

Kubota BX2230D (4WD DSL TRA W/ROPS & S.B. W/O TIRES) Parts 100501 HEAD COVER. 100502 HEAD COVER. 100600 OIL FILTER. 100700 DIPSTICK AND GUIDE. 100800 OIL PUMP. 110000 MAIN BEARING CASE. 110100 CAMSHAFT AND IDLE GEAR SHAFT. 110200 PISTON AND CRANKSHAFT. 110300 FLYWHEEL.

Kubota BX2200, BX2230, BX2350, BX22 Tractor - Transmission

Kubota BX2200, BX2230, BX2350, BX22 Tractor - Transmission

Amazon.com: kubota parts OEM Kubota Filter Kit for BX24 BX25 BX2230 BX2350 BX2360 BX2370. 4.7 out of 5 stars 326. $84.88 $ 84. 88. Get it as soon as Thu, Apr 14. FREE Shipping. Only 12 left in stock - order soon. More Buying Choices $55.00 (4 new offers) ... kubota mower parts kubota replacement parts ...

Kubota kx91 3 excavator parts catalogue manual

Kubota kx91 3 excavator parts catalogue manual

Kubota b6100 parts manual pdf - United States Instructions ... Kubota B6100HST , B7100HST Tractor. This factory Kubota B6100 parts manual will give you detailed parts information, exploded diagrams, and breakdowns of all parts numbers for all aspects of the Kubota B6100, including every detail of the engine parts. This Kubota B6100 Illustrated Parts List Manual covers these areas of the machine: General ...

SOLVED: My BX23 rear yellow lights flash all the - Fixya

SOLVED: My BX23 rear yellow lights flash all the - Fixya

Kubota BX2230D (4WD DSL TRA W/ROPS & S.B. W/O TIRES) Parts

Kubota BX2230D (4WD DSL TRA W/ROPS & S.B. W/O TIRES) Parts

I have kubota bx1500 leaking front axle fluid between axle ...

I have kubota bx1500 leaking front axle fluid between axle ...

Bush Hog 1747 Front End Loader Parts 1747 Front End Loader ...

Bush Hog 1747 Front End Loader Parts 1747 Front End Loader ...

Murray 46103x92A - Garden Tractor (1999) Parts Diagram for ...

Murray 46103x92A - Garden Tractor (1999) Parts Diagram for ...

KRRK-parts D902 Complete Cylinder Head with Valves and Spring Installed  Ready fits for Kubota Tractor BX2230 BX2350 BX2360 BX2370 BX2370-1 BX2380

KRRK-parts D902 Complete Cylinder Head with Valves and Spring Installed Ready fits for Kubota Tractor BX2230 BX2350 BX2360 BX2370 BX2370-1 BX2380

Kubota BX2230D (4WD DSL TRA W/ROPS & S.B. W/O TIRES) Parts

Kubota BX2230D (4WD DSL TRA W/ROPS & S.B. W/O TIRES) Parts

22 B6000 ideas | kubota tractors, tractors, kubota

22 B6000 ideas | kubota tractors, tractors, kubota

Kubota BX2230D (4WD DSL TRA W/ROPS & S.B. W/O TIRES) Parts

Kubota BX2230D (4WD DSL TRA W/ROPS & S.B. W/O TIRES) Parts

Kubota BX2230D Parts Diagrams

Kubota BX2230D Parts Diagrams

РВД 9453-05354 от VOLVO — купить с доставкой по России

РВД 9453-05354 от VOLVO — купить с доставкой по России

Kubota BX2230D (4WD DSL TRA W/ROPS & S.B. W/O TIRES) Parts

Kubota BX2230D (4WD DSL TRA W/ROPS & S.B. W/O TIRES) Parts

Kubota Tractor Manuals

Kubota Tractor Manuals

МАЗ-6317 Рулевое управление. Установка трубопроводов

МАЗ-6317 Рулевое управление. Установка трубопроводов

Kubota Rck60b - 22bx Mower Deck Parts Manual | PDF | Nut ...

Kubota Rck60b - 22bx Mower Deck Parts Manual | PDF | Nut ...

Kubota BX2200, BX2230, BX2350, BX22 Tractor - Transmission

Kubota BX2200, BX2230, BX2350, BX22 Tractor - Transmission

Kubota BX2230D (4WD DSL TRA W/ROPS & S.B. W/O TIRES) Parts

Kubota BX2230D (4WD DSL TRA W/ROPS & S.B. W/O TIRES) Parts

Kubota BX2230D (4WD DSL TRA W/ROPS & S.B. W/O TIRES) Parts

Kubota BX2230D (4WD DSL TRA W/ROPS & S.B. W/O TIRES) Parts

KUBOTA BX 2230 BX 2230 D Parts Manual 260pg of BX2230D ...

KUBOTA BX 2230 BX 2230 D Parts Manual 260pg of BX2230D ...

V50400 GCK KIT FOR BX2230/BX1830/BX1500 GRASS CATCHER EPC ...

V50400 GCK KIT FOR BX2230/BX1830/BX1500 GRASS CATCHER EPC ...

Kubota bx2230 d tractor parts catalogue manual

Kubota bx2230 d tractor parts catalogue manual

Kubota Kubota BX2230 Service Manual | eBay

Kubota Kubota BX2230 Service Manual | eBay

Kubota BX2230D (4WD DSL TRA W/ROPS & S.B. W/O TIRES) Parts

Kubota BX2230D (4WD DSL TRA W/ROPS & S.B. W/O TIRES) Parts

BX2230 Stalls when put in gear or pto is turned on ...

BX2230 Stalls when put in gear or pto is turned on ...

Kubota bx2230 d tractor parts catalogue manual

Kubota bx2230 d tractor parts catalogue manual

Kubota KAI,KTA Australia,KUK UK,KDG,SKI Thailand,KMI ...

Kubota KAI,KTA Australia,KUK UK,KDG,SKI Thailand,KMI ...

CLAAS : MEGA (218; 208) ЭЛЕКТРИКА

CLAAS : MEGA (218; 208) ЭЛЕКТРИКА

Kubota BX2230D (4WD DSL TRA W/ROPS & S.B. W/O TIRES) Parts

Kubota BX2230D (4WD DSL TRA W/ROPS & S.B. W/O TIRES) Parts

0 Response to "38 kubota bx2230 parts diagram"

Post a Comment

Iklan Atas Artikel

Iklan Tengah Artikel 1

Iklan Tengah Artikel 2

Iklan Bawah Artikel