Iklan 300x250

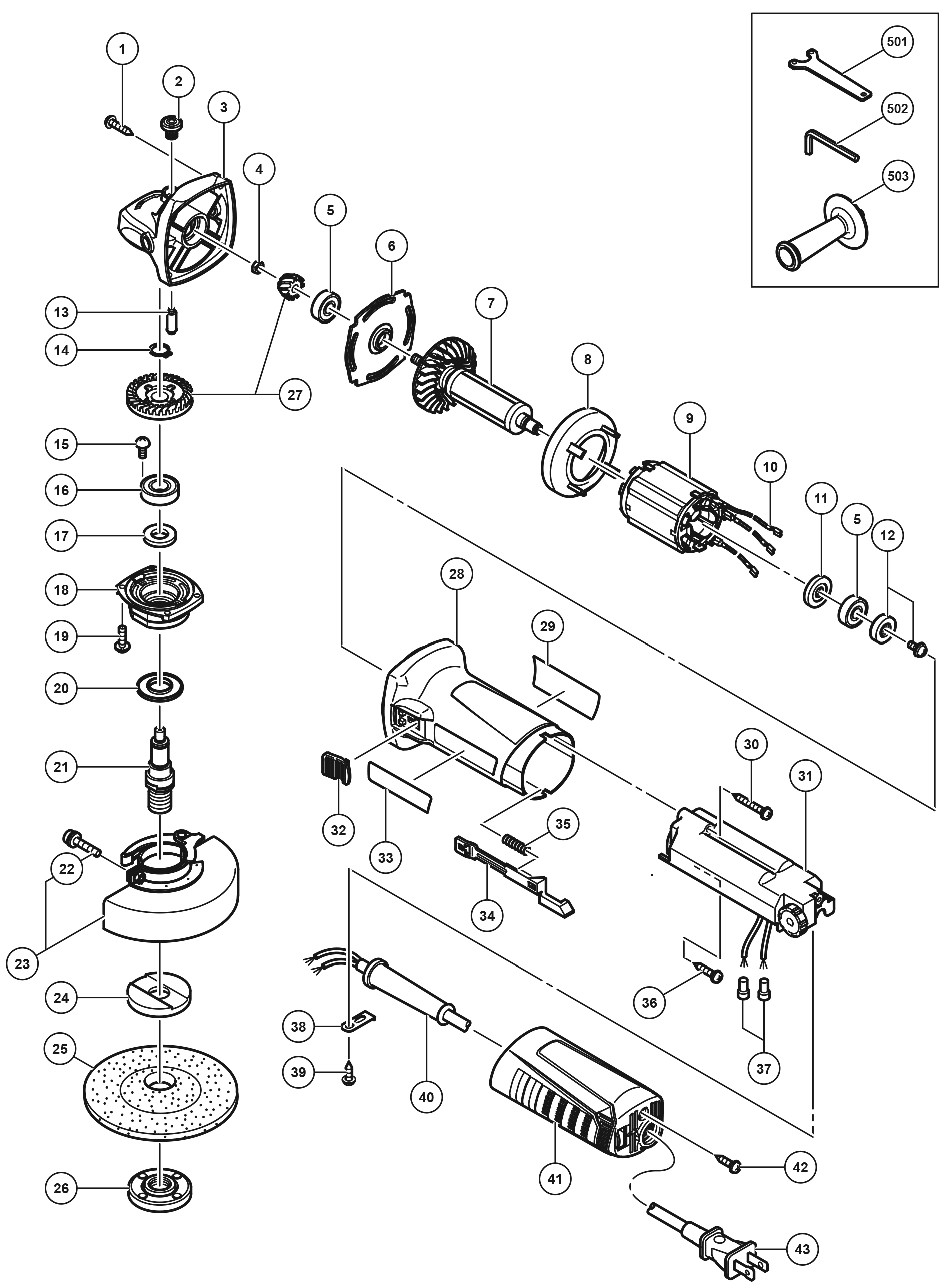
39 angle grinder parts diagram

Angle Grinders - Hilti USA AG 450-7D Angle grinder Slim, powerful angle grinder with dead man's switch, for discs up to 4.5" AG 450-7S Angle grinder Slim, powerful angle grinder with side switch, for discs up to 4.5" AG 500-12D Angle grinder Powerful, corded angle grinder with dead man's switch, for cutting and grinding with discs 4.5" up to 5" AG 500-7SE Angle grinder Variable speed, slim, corded angle grinder for ... GWS13-60 | 6 In. Angle Grinder | Bosch Power Tools The Bosch GWS13-60 6- In. Angle Grinder delivers more power than previous-generation models - 13 amps and 9,300 RPM. The grinder has constant electronic circuitry for soft startups, smooth operation and dependable speed under load.

Makita Grinder Parts - Diagram and Parts List Makita 9227cy Parts - Sander Polisher 12. Makita 9300 Parts - Grinder 51. Makita 9500d Parts - Cordless Grinder 13. Makita 9501b Parts - Grinder 42. Makita 9503bh Parts - Grinder 39. Makita 9505bh Parts - Grinder 35. Makita 9514b Parts - Disc Grinder 28. Makita 9523nbh Parts - Angle Grinder 35.

Angle grinder parts diagram

Angle grinder parts diagram

Dotco Right Angle Grinder - e Replacement Parts Dotco 12LF281-36 Right Angle Grinder Parts We Sell Only Genuine Dotco Parts Popular Parts Rotor Blade (Sold Individually) $7.30 Add to Cart Ball Bearing $29.45 Add to Cart Lever $19.75 Add to Cart Valve $14.49 Add to Cart Pin $2.99 Add to Cart Woodruff Key $2.99 Add to Cart Valve Spring $6.82 Add to Cart Wrench, 9/16 $12.88 Add to Cart OEM Ryobi Angle Grinder Parts | Expert DIY Repair Help ... Manufacturer Part Number 039028007053 $ 3.08 In Stock Add to cart Clamp Nut (5/8-11) Fix Number FIX11855006 Manufacturer Part Number 039028007001 $ 3.08 In Stock Add to cart Bearing Ball 608Z Fix Number FIX11858686 Manufacturer Part Number 680141022 $ 3.08 In Stock Add to cart Brush Cap Fix Number FIX11855011 Manufacturer Part Number 039028007036 Grinder Parts : eReplacementParts.com Need to fix your Grinder? We have parts, diagrams, accessories and repair advice to help make your tool repairs easy. Please note shipping times may be longer than expected due to carrier delays. 877-346-4814. Departments Accessories Appliance Parts Exercise Equipment ...

Angle grinder parts diagram. PDF Diagram / Parts List - Makita diagram / parts list 100mm angle grinder ga4050r (in) ga4050r / 100mm angle grinder (1/1) in 001 634734-9 field 1 002 459003-5 baffle plate 1 003 422413-9 rubber ring 19 1 004 210017-7 ball bearing 607ddw 1 005 253186-1 flat washer 7 1 006 681636-0 insulation washer 1 007 240197-5 fan60 1 PDF Air Grinder, Die Grinder and Sander Parts Information common parts for all g3 models23 front housing seal ag3-283 1 inlet assembly ag3-a465 24 front housing cap ag3-202 * inlet screen r1602-61 25 flange clamp 10560944 2 inlet seal 85h-167 27 18.0 k controller assembly for 120 models ag3-422-a18 3 ball valve spring ag3-51 15.0 k controller assembly for 100 models ag3-422-a15 4 ball d10-280 14.2 k … Grinding Machine: Types, Parts, Working & Operations (With ... Working principle of Grinding Machine: The working principle of a grinding machine is quite easier to understand.. In a grinding machine, there is an electric motor which supplies the motion power to the grinding wheel with the help of a belt and pulley.. So when we start the electric motor the motor rotates at a certain rpm (150-15000 RPM, it may change according to the types of grinding ... Buy Ryobi G2300C Electric Angle Grinder Parts - ToolpartsPro Buy Ryobi G2300C Other tools in Ryobi Electric Angle Grinder category at lowest online prices - Find Ryobi G2300C tool diagram / schematic with complete list of replacement parts at toolpartspro.com. Order online or call 760-201-8800.

Wiring Diagram For Milwaukee Angle Grinder - 4K Wallpapers ... Milwaukee 6147 30 d05a parts 4 5 milwaukee grinder 6140 milwaukee 6066 2 753 1212 parts 6000. ... Wiring Diagram For Milwaukee Angle Grinder Ryobi Angle Grinder Parts Store Www Spora Ws. Previous Next. Suggested Wallpapers: , Related Gallery: ... PDF Dewalt dw402 parts diagram - Weebly Diagram and Parts List for DeWALT Miter Saw We've got the diagram and parts list, the replacement parts and the experienced advice to help you do it. Order online or call 760-201-8800. Education Details: This 1400 Peak Amp rechargeable jump starter is perfect for many large V8 engines.It delivers 700 instant amps of jump-starting power. DeWALT Grinder Parts - Diagram and Parts List DeWALT DW802G Angle Grinder Parts (Type 1) 26. DeWALT DW802 Angle Grinder Parts (Type 1) 28. DeWALT DW758 8 inch Bench Grinder Parts (Type 1) 66. DeWALT DW756 6 inch Bench Grinder Parts (Type 1) 66. DeWALT DW494-220 Sander/Grinder Parts (Type 1) 50. Ryobi AG 454 - Ryobi Angle Grinder Wiring Diagram Parts ... AG 454 - Ryobi Angle Grinder. Wiring Diagram. Parts Diagram. Angle Grinder.

Parts | Angle Grinders | RIDGID Store Looking for replacement parts for RIDGID Angle Grinders? Shop for all your repair parts on RIDGID Store today. ... Angle Grinders. Twist Handle 7" Angle Grinder 4-1/2" Angle Grinder w/ Slim Grip (OBSOLETE) 8-Amp 4-1/2 in. Angle Grinder (OBSOLETE) Parts Categories. Diagnostics, Inspection & Locating; Pressing; Drain Cleaning ... Craftsman 135277001 angle grinder parts | Sears PartsDirect Craftsman 135277001 angle grinder parts - manufacturer-approved parts for a proper fit every time! We also have installation guides, diagrams and manuals to help you along the way! Angle Grinder Parts & Repair Help | Fix.com Grinder Motor Brush Fix Number FIX10106782 Manufacturer Part Number 445861-25 (Sold Individually) This motor brush is for grinders. The motor brush transfers electric current to the spinning armature in the motor. Unplug the grinder before installing this part. Wear work gloves to protect your hands. Brands Alpha Angle Grinder Parts Bosch Spare Parts for Angle Grinder PWS 7-115 Bosch Spare Parts for Angle Grinder PWS 7-115 We have the original Bosch Angle Grinder PWS 7-115 Parts, the diagram and parts list and tool repair that help you need to get your tools running like new again. Fix Your Angle Grinder PWS 7-115 - 0603373003. All Spares are original and can be supplied at Low and discounted prices For Shipping.

Milwaukee 6143-31 11 Amp Corded 4-1/2 in. or 5 in. Braking ...

Milwaukee 6143-31 11 Amp Corded 4-1/2 in. or 5 in. Braking ...

Craftsman angle grinder parts | Sears PartsDirect Sears PartsDirect is a leading parts supplier for Craftsman angle grinders. We have the Craftsman repair parts you need to fix any problem that you may encounter with your angle grinder. We also carry accessories and tools to help you get the most out of your Craftsman angle grinder.

DeWALT DW840 7 inch Angle Grinder Parts (Type 1) - DeWALT ...

DeWALT DW840 7 inch Angle Grinder Parts (Type 1) - DeWALT ...

Angle Grinder Diagram - How does it work - YouTube Angle grinder diagram#angle grinder#impact drill#makita#bosch#repair#dewalt

Ryobi AG 454 - Ryobi Angle Grinder General Assembly Parts ...

Ryobi AG 454 - Ryobi Angle Grinder General Assembly Parts ...

Spare parts search - Metabo Service You can search for your spare parts list by the type number or the type name. You can find these on the rating plate of the machine. The number marked in red is the type number, the number marked in blue is the serial number. The type designation of the machine is underlined in green.

Chicago Pneumatic 3/8

Chicago Pneumatic 3/8" Angle Grinder | CP854 ...

Angle Air Grinders | Airtools | Henrytools Manufacturer Model 48RA angle grinder with standard 3/8"-24 threaded spindle and 4" guard. (11000 RPM is standard). TALLER gears provide more power at a lower RPM. Removable side dead handle (Dead handle placement can be maneuvered to either side of the tool.). Model 48RASZ angle grinder shown with a 5/8"-11 spindle and 5" guard.

Part Diagram: GA6010 - Makita.my

Part Diagram: GA6010 - Makita.my

Ryobi Angle Grinder Parts Lookup by Model Ryobi Angle Grinder Parts Lookup by Model Please leave us a message! JACKS SMALL ENGINES HAS JOINED THE NORTHERN TOOL FAMILY! Learn More » Order Status Get Support 1-877-737-2787 Hours of Operation M-F 9AM-6PM ET Sat 9AM-5PM ET Contact Us » Guest Sign In Sign Up 0 Shopping Cart 3+ Million Parts 365 Day Returns Fast 2-4 Day Shipping Order Status

Parts List and Diagram. Bauer 64856, Item 64856 | Manualzz

Parts List and Diagram. Bauer 64856, Item 64856 | Manualzz

Homelite AG454 Angle Grinder Parts Diagrams Homelite AG454 Angle Grinder Parts Diagrams SWIPE SWIPE General Assembly Wiring Diagram JavaScript Disabled - Unable to show Cart Parts Lookup - Enter a part number or partial description to search for parts within this model. There are (44) parts used by this model. Found on Diagram: General Assembly 039028007001 Clamp Nut (5/8-11)

List of Angle Grinder Parts Name With Images - Angle Grinder 101

List of Angle Grinder Parts Name With Images - Angle Grinder 101

PDF Ryobi Angle Grinder Model No. Ag454 Repair Sheet 991000877 Operator's Manual (961152607) 4-25-17 (Rev:02) PARTS LIST The model number will be found on a label attached to the motor housing. Always mention the model number in all correspondence regarding your ANGLE GRINDERor when ordering repair parts.

Milwaukee 2780-20 Service Parts List Page: 1

Milwaukee 2780-20 Service Parts List Page: 1

Buy Ryobi AG451 Electric Angle Grinder Parts - ToolpartsPro Buy Ryobi AG451 Other tools in Ryobi Electric Angle Grinder category at lowest online prices - Find Ryobi AG451 tool diagram / schematic with complete list of replacement parts at toolpartspro.com. Order online or call 760-201-8800.

Buy A Skil 9780 Spare Part or Replacement Part for your Universal Angle  Grinder And Fix your Machine Today

Buy A Skil 9780 Spare Part or Replacement Part for your Universal Angle Grinder And Fix your Machine Today

AG 454 - Ryobi Angle Grinder General Assembly Parts Diagram Angle Grinder General Assembly Parts Diagram 1 Homelite Part# 039028007001 Clamp Nut (5/8-11) $ 2.00 Add to Cart 0 2 Homelite Part# 039029012106 Grinding Wheel $ 3.44 Add to Cart 0 3 Homelite Part# 039028007002 Disc Flange $ 1.73 Add to Cart 0 4 Homelite Part# 039028007003 Wheel Guard Assembly Note: (Inc. Key No. 5) $ 7.69 Add to Cart 0 5

DeWALT DW818 Angle Grinder Parts (Type 5) - DeWALT Grinder ...

DeWALT DW818 Angle Grinder Parts (Type 5) - DeWALT Grinder ...

Chicago Electric Angle Grinder Parts - AppliancePartsPros.com Buy today - ships today. Original, high quality Chicago Electric Angle Grinder Parts and other parts in stock with fast shipping and award winning customer service.

Buy Bosch 1994-6 9 Inch Large Angle Replacement Tool Parts ...

Buy Bosch 1994-6 9 Inch Large Angle Replacement Tool Parts ...

PDF 1/4 Angle Die Grinder USER'S MANUAL - Northern Tool 1 housing 1 24 cylinder 1 2 valve bushing 1 25 washer 1 3 trigger 1 26 rotor collar 1 4 lever 1 27 front plate 1 5 spring 1 28 steel ball 1 6 pin 1 29 bearing 2 7 o-ring 1 30 angle gear 1 8 pin 1 31 clamp nut 1 9 o-ring 1 32 cap 1 10 o-ring 1 33 angle head 1 11 air valve 1 34 grease cap 1 12 …

Dotco 12-22 Series Right Angle Grinders Parts List - Dotco Tool

Dotco 12-22 Series Right Angle Grinders Parts List - Dotco Tool

Grinder Parts : eReplacementParts.com Need to fix your Grinder? We have parts, diagrams, accessories and repair advice to help make your tool repairs easy. Please note shipping times may be longer than expected due to carrier delays. 877-346-4814. Departments Accessories Appliance Parts Exercise Equipment ...

Buy Makita GA5040 Replacement Tool Parts | Makita GA5040 Diagram

Buy Makita GA5040 Replacement Tool Parts | Makita GA5040 Diagram

OEM Ryobi Angle Grinder Parts | Expert DIY Repair Help ... Manufacturer Part Number 039028007053 $ 3.08 In Stock Add to cart Clamp Nut (5/8-11) Fix Number FIX11855006 Manufacturer Part Number 039028007001 $ 3.08 In Stock Add to cart Bearing Ball 608Z Fix Number FIX11858686 Manufacturer Part Number 680141022 $ 3.08 In Stock Add to cart Brush Cap Fix Number FIX11855011 Manufacturer Part Number 039028007036

METABO 06467420 W 24-230 MVT US 2400w 230mm Angle Grinder 120V Spare Parts

METABO 06467420 W 24-230 MVT US 2400w 230mm Angle Grinder 120V Spare Parts

Dotco Right Angle Grinder - e Replacement Parts Dotco 12LF281-36 Right Angle Grinder Parts We Sell Only Genuine Dotco Parts Popular Parts Rotor Blade (Sold Individually) $7.30 Add to Cart Ball Bearing $29.45 Add to Cart Lever $19.75 Add to Cart Valve $14.49 Add to Cart Pin $2.99 Add to Cart Woodruff Key $2.99 Add to Cart Valve Spring $6.82 Add to Cart Wrench, 9/16 $12.88 Add to Cart

Ridgid Brushless R86040 Repair - iFixit

Ridgid Brushless R86040 Repair - iFixit

Replacement parts 0.7 hp Right Angle Die Grinders - Composite ...

Replacement parts 0.7 hp Right Angle Die Grinders - Composite ...

W 9-100 (600350010) Angle Grinder | Metabo Power Tools

W 9-100 (600350010) Angle Grinder | Metabo Power Tools

Japan Makita M9003b Angle Grinder Parts Accessories Rotor ...

Japan Makita M9003b Angle Grinder Parts Accessories Rotor ...

G10SR4(H6) Exploded Diagram and Parts Listing | Manualzz

G10SR4(H6) Exploded Diagram and Parts Listing | Manualzz

Ryobi AG402 Parts Diagram for Parts Schematic

Ryobi AG402 Parts Diagram for Parts Schematic

Metabo Angle Grinder : Parts List

Metabo Angle Grinder : Parts List

Buy Bosch 1806E Small Angle 6 Inch 9,300 RPM Replacement Tool ...

Buy Bosch 1806E Small Angle 6 Inch 9,300 RPM Replacement Tool ...

HITACHI G23MR PARTS LIST Pdf Download | ManualsLib

HITACHI G23MR PARTS LIST Pdf Download | ManualsLib

Dotco 12-22 Series Right Angle Grinders Parts List - Dotco Tool

Dotco 12-22 Series Right Angle Grinders Parts List - Dotco Tool

METABO 06415420 W 23-230 US 230mm Angle Grinder 120V Spare Parts

METABO 06415420 W 23-230 US 230mm Angle Grinder 120V Spare Parts

M7 - MIGHTY SEVEN - Complete air tool solutions

M7 - MIGHTY SEVEN - Complete air tool solutions

Black & Decker BDEG400 Angle Grinder Replacement Parts

Black & Decker BDEG400 Angle Grinder Replacement Parts

Parts Breakdown GA7021

Parts Breakdown GA7021

Ryobi P421 Parts Diagrams

Ryobi P421 Parts Diagrams

Makita Angle Grinder | 9557PB | eReplacementParts.com

Makita Angle Grinder | 9557PB | eReplacementParts.com

Bosch Angle Grinder PWS 850CE (0 603 405 902) Parts Diagram ...

Bosch Angle Grinder PWS 850CE (0 603 405 902) Parts Diagram ...

Hitachi G12Ve 12-Amp, Ac Brushless 4-1/2

Hitachi G12Ve 12-Amp, Ac Brushless 4-1/2" Variable Speed ...

Milwaukee 6130-33 Service Parts List Page: 1

Milwaukee 6130-33 Service Parts List Page: 1

Porter Cable PC60TAG Grinder Parts| PartsWarehouse

Porter Cable PC60TAG Grinder Parts| PartsWarehouse

Buy Dewalt DW830 Type-A1 6

Buy Dewalt DW830 Type-A1 6" 9,000 rpm High Power Small Angle ...

Parts Breakdown

Parts Breakdown

DeWalt DWE4010T Angle Grinder Spare Parts - Part Shop Direct

DeWalt DWE4010T Angle Grinder Spare Parts - Part Shop Direct

Pneumatic 90°Angle Die Grinder

Pneumatic 90°Angle Die Grinder

Makita Angle Grinder 9564PC (2016) - iFixit

Makita Angle Grinder 9564PC (2016) - iFixit

0 Response to "39 angle grinder parts diagram"

Post a Comment

Iklan Atas Artikel

Iklan Tengah Artikel 1

Iklan Tengah Artikel 2

Iklan Bawah Artikel